對于“沃爾沃柴油發動機配件哪里有賣”這一問題,首先需要明確的是,沃爾沃作為一家全球知名的汽車制造商,其柴油發動機配件的供應渠道相對廣泛。這些配件可以通過多種途徑進行購買,包括但不限于以下幾種方式:
1. 沃爾沃官方渠道:作為原廠配件,沃爾沃官方渠道無疑是購買正品配件的首選。您可以前往沃爾沃的官方網站,或者到附近的沃爾沃授權經銷商處進行咨詢和購買。這些官方渠道通常會提供原廠的配件,質量有保障,但價格相對較高。
2. 汽車配件市場:在一些大型的汽車配件市場,如北京汽車配件市場、上海汽車配件城等,會有多家經營沃爾沃柴油發動機配件的商家。這些商家通常會提供各種型號的配件,價格相對官方渠道會更為靈活。但需要注意的是,購買時一定要選擇信譽良好的商家,以免購買到劣質或仿冒產品。

3. 在線購物平臺:如今,越來越多的汽車配件商家選擇在在線購物平臺上銷售產品,如淘寶、京東等。在這些平臺上,您可以輕松找到各種沃爾沃柴油發動機配件,價格透明,購買方便。但同樣需要注意的是,選擇信譽好的商家,避免購買到假冒偽劣產品。

4. 二手市場:對于某些不常用或者已經停產的配件,您還可以嘗試在二手市場尋找。二手市場的價格通常更為便宜,但需要注意的是,一定要仔細檢查配件的質量和成色,確保購買到的產品能夠正常使用。

總的來說,購買沃爾沃柴油發動機配件的渠道多種多樣,您可以根據自己的需求和預算選擇合適的方式。但無論選擇哪種方式,都要確保購買到的是正品配件,以保證汽車的安全和性能。同時,購買時也要注意核對配件的型號和規格,確保與您的車型相匹配。

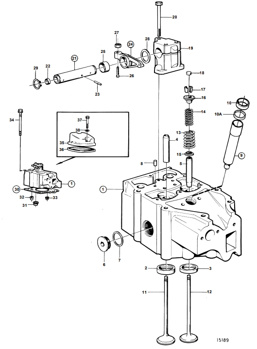
REF PART NO. QTY DESCRIPTION NOTES
1 470813 6 Cylinder head E.U=3803135
3803314 6 Cylinder head, exch, exch E.U=3803135
2 423011 6 Valve seat, intake STD D
423208 6 Valve seat, intake O.S=0,20mm
3 468448 6 Valve seat, exhaust STD D
468449 6 Valve seat, exhaust O.S=0,20mm
4 422320 6 Valve guide, intake
5 11129092 6 Valve guide, exhaust (1545135)
6 467365 12 Plug
7 469327 12 Gasket (468461)
8 950543 12 Pin
9 273983 6 Copper sleeve kit
6 Sleeve
10 466420 6 Steel ring
10A 466405 6 Rubber ring
11 468302 6 Inlet valve
12 468303 6 Exhaust valve
13 468067 12 Valve spring, outer
14 468066 12 Valve spring, inner
15 468065 12 Washer
16 468304 12 Washer
17 468305 24 Valve cotter
18 478074 12 Valve cap
19 423266 6 Bearing bracket
20 423331 18 Screw
21 423267 6 Rocker arm shaft
22 946778 12 Cap plug
23 950499 6 Pin
24 423263 12 Rocker arm
25 422066 12 Bushing
26 422993 12 Ball stud
27 940175 12 Nut
28 423269 12 Washer
29 914459 12 Lock ring
30 270949 6 Cyl.head.gasket kit SEE GROUP 99
6 Gasket
31 423326 12 Sealing ring I.D=28,5mm
32 422415 12 Sealing ring I.D=17,5mm
33 422413 6 Sealing ring I.D=10,5mm
34 470261 48 Flange screw
35 423403 6 Cover
36 424692 6 Gasket
37 955527 12 Screw
38 942580 12 Gasket