三菱S6R-PTA柴油發動機飛輪
三菱S6R-PTA柴油發動機飛輪
|
參考號 |
零件編號 |
零件名稱和描述 |
數量 |
|
0031 |
F1035-22080 |
三菱S6R 螺栓 |
8 |
|
0041 |
33707-11701 |
三菱S6R 墊圈 |
8 |
|
0051 |
37521-00013 |
飛輪組件 |
1 |
|
0051001 |
32521-02201 |
齒圈擋位數182 |
1 |
|
0051002 |
* |
飛輪 |
1 |

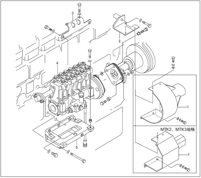
1.6 三菱S6R發動機燃油噴油泵的拆卸,檢測

三菱S6R發動機燃油噴油泵的拆卸,檢測
拆卸順序
1 三菱S6R發動機聯軸器罩
2 座
3 座
4三菱S6R發動機噴油泵 (約 56 kg)
5 座
2. 三菱S6R發動機燃油系統的解體,檢修,組裝
2.1 三菱S6R發動機燃油濾清器的解體,檢修,組裝( 紙質濾芯)

燃油濾清器的解體,檢修,組裝( 紙質濾芯)

三菱S6R發動機燃油濾清器的解體,檢修,組裝( 紙質濾芯)
解體順序
1 三菱S6R發動機燃油濾清器濾筒
2 銷
3 端蓋
4 旋塞
5 三菱S6R發動機燃油濾清器座