三菱S12柴油發動機燃油系統的拆卸、檢測
1.1 燃油三菱S12柴油發動機噴油管、燃油溢流管的拆卸、檢測

燃油三菱S12柴油發動機噴油管、燃油溢流管的拆卸、檢測
拆卸順序
1 饒性管
2 右側溢流管
3 右側溢流管
4 管夾
5 No.1 ~ 6 三菱S12柴油發動機噴油管
6 左側溢流管
7 左側溢流管
8 左側溢流管
9 管夾
10 No.7 ~ 12 三菱S12柴油發動機噴油管
為了防止雜質進入三菱S12柴油發動機燃油系統,對噴油泵的開口部、三菱S12柴油發動機噴油器進口接管以及三菱S12柴油發動機噴油管要進行封口。
注: 燃油進出口的零部件構成,根據客戶和規格而不同。
雙重高壓油管規格

燃油三菱S12柴油發動機噴油管、燃油溢流管的拆卸、檢測
拆卸順序
1 饒性管
2 溢流管
3 右側溢流管
4 右側溢流管
5 管夾
6 No.1~6 三菱S12柴油發動機噴油管( 雙重高壓油管規格 )
7 左側溢流管
8 左側溢流管
9 左側溢流管
10 管夾
11 No.7 ~ 12 三菱S12柴油發動機噴油管( 雙重高壓油管規格 )
12 溢流管接頭
1.2 燃油濾清器、燃油管的拆卸、檢測

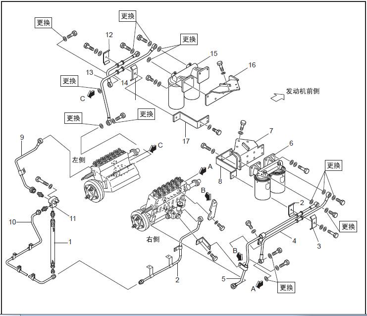
燃油濾清器、燃油管的拆卸、檢測
拆卸順序
1 饒性管
2 燃油管
3 管夾
4 右側燃油管
5 右側燃油管
6 燃油濾清器總成
7 燃油濾清器座
8 管支架
9 左側燃油管
10 左側燃油管
11 管接頭
12 管夾
13 左側燃油管
14 左側燃油管
15 燃油濾清器總成
16 燃油濾清器座
17 管支架
切換式燃油濾清器規格

燃油濾清器、燃油管的拆卸、檢測
拆卸順序
1 饒性管
2 燃油管
3 管夾
4 右側燃油管
5 右側燃油管
6 燃油濾清器總成
7 燃油濾清器座
8 管支架
9 左側燃油管
10 左側燃油管
11 管接頭
12 管夾
13 左側燃油管
14 左側燃油管
15 燃油濾清器總成
16 燃油濾清器座
17 管支架