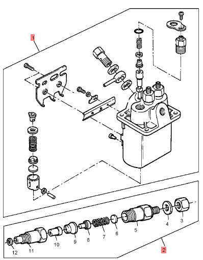
Perkins100柴油發動機燃油泵
HP 燃油組 (D138K001AFDK0001)
項目 老件號 新件號 描述
1 131017351 1 131017351 燃油噴射泵
1 131017310 1 131017351 燃油噴射泵
2 131406330 3 131406330 噴油器

項目 老件號 新件號 描述
131116390 3 131116390 機械要素
131136320 2 131136320 螺絲
131136330 3 131136330 螺絲
131156160 3 131156160 閥
131176430 3 131176430 彈簧
131176440 3 131176440 彈簧
131186050 3 131186050 墊圈
131196120 3 131196120 夾持工具
131226170 3 131227330 O 圈
131236190 1 131236190 螺拴
131246130 1 131246130 螺紋接管
131256120 3 131256120 挺桿
131296620 3 131296620 位子
131296621 3 131296621 位子
131296622 1 131296622 板
131296623 1 131296623 板
131296624 1 131296624 板
131296625 1 131296625 板
131296626 1 131296626 板
131296627 1 131296627 板
131296628 1 131296628 板
131296629 1 131296629 板
131296630 1 131296630 板
131296631 1 131296631 板
131296632 1 131296632 板
131296633 1 131296633 板
131296634 1 131296634 板
131296635 1 131296635 板
131296636 1 131296636 架
131296650 1 131296650 托架
131296651 3 131296651 銷
131296662 3 131296662 板
1 殼
131296950 3 131296950 套筒
131426180 2 131426180 墊圈

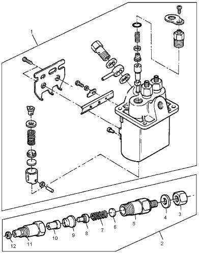
Perkns100柴油發動機燃油泵
項目 老件號 新件號 描述
3 131446008 1 131446008 螺母
4 131426120 1 131426120 墊圈
5 131446054 1 131446054 閥體
6 1 噴油器墊圈
6 131436540 1 131436540 墊圈
6 131436550 1 131436550 墊圈
6 131436560 1 131436560 墊圈
6 131436570 1 131436570 墊圈
6 131436580 1 131436580 墊圈
6 131436590 1 131436590 墊圈
6 131436600 1 131436600 墊圈
6 131436610 1 131436610 墊圈
6 131436620 1 131436620 墊圈
6 131436630 1 131436630 墊圈
6 131436640 1 131436640 墊圈
6 131436650 1 131436650 墊圈
6 131436660 1 131436660 墊圈
6 131436670 1 131436670 墊圈
6 131436680 1 131436680 墊圈
6 131436690 1 131436690 墊圈
6 131436700 1 131436700 墊圈
6 131436710 1 131436710 墊圈
6 131436720 1 131436720 墊圈
6 131436730 1 131436730 墊圈
(6) 131436540 1 131436540 墊圈
(6) 131436550 1 131436550 墊圈
(6) 131436560 1 131436560 墊圈
(6) 131436570 1 131436570 墊圈
(6) 131436580 1 131436580 墊圈
(6) 131436590 1 131436590 墊圈
(6) 131436600 1 131436600 墊圈
(6) 131436610 1 131436610 墊圈
(6) 131436620 1 131436620 墊圈
(6) 131436630 1 131436630 墊圈
(6) 131436640 1 131436640 墊圈
(6) 131436650 1 131436650 墊圈
(6) 131436660 1 131436660 墊圈
(6) 131436670 1 131436670 墊圈
(6) 131436680 1 131436680 墊圈
(6) 131436690 1 131436690 墊圈
(6) 131436700 1 131436700 墊圈
(6) 131436710 1 131436710 墊圈
(6) 131436720 1 131436720 墊圈
(6) 131436730 1 131436730 墊圈
7 131446011 1 131446011 彈簧
8 131446012 1 131446012 銷
9 131446058 1 131446058 間隔器
10 131416140 1 131416140 噴油器噴嘴
11 131446064 1 131446064 螺母
12 131426010 1 131426010 密封 -噴油器

溫馨提示
我司建立了一套完整的英國Perkins零配件供應體系,全天候快速響應,純正的Perkins配件是您最佳的選擇,因為您所得到的是延長Perkins動力系統壽命的最佳保證。
網頁中公布的Perkins發動機配件號與圖片僅為參考,因 Perkins動力系統零配件型號與技術參數太多,沒能全部展示,如有配件與維修技術資料方面的需求,請與本司的在線客服溝通與交流,希望我們能夠幫您節約更多等待備件時間和維修技術方面的困難。
特別聲明:我司只銷售Perkins原廠配件,需付廠或防品件請繞道,謝謝。