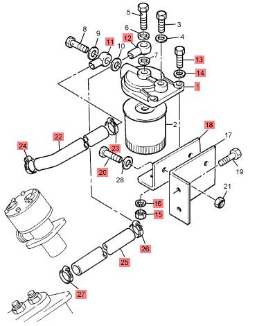
Perkins100柴油發動機4429491燃油過濾器總成
項目 老件號 新件號 描述
1 130306190 1 130306190 燃油過濾器組合
11 131246240 1 131246240 連接
12 131246240 1 131246240 連接
13 010111035 2 010111035 螺拴
14 026100010 2 026100010 墊圈
15 020900010 2 020900010 螺母
16 027100010 2 027100010 墊圈
18 130976200 1 130976200 托架
20 011510816 2 011510816 螺絲
22 068209084 1 068209084 水管
23 067100015 1 067100015 水管夾
24 067100015 1 067100015 水管夾
25 068209104 1 檢查歷史 水管
26 067100015 1 067100015 水管夾
27 067100015 1 067100015 水管夾

項目 老件號 新件號 描述
2 130366120 1 4429491 燃油過濾器
3 130396030 1 130396030 堵塞
4 130326051 1 130326051 墊圈
5 130436011 1 130436011 螺拴
6 130326051 1 130326051 墊圈
7 130326051 1 130326051 墊圈
8 130436011 1 130436011 螺拴
9 130326051 1 130326051 墊圈
10 130326051 1 130326051 墊圈

溫馨提示
我司建立了一套完整的英國Perkins零配件供應體系,全天候快速響應,純正的Perkins配件是您最佳的選擇,因為您所得到的是延長Perkins動力系統壽命的最佳保證。
網頁中公布的Perkins發動機配件號與圖片僅為參考,因 Perkins動力系統零配件型號與技術參數太多,沒能全部展示,如有配件與維修技術資料方面的需求,請與本司的在線客服溝通與交流,希望我們能夠幫您節約更多等待備件時間和維修技術方面的困難。
特別聲明:我司只銷售Perkins原廠配件,需付廠或防品件請繞道,謝謝。