我們是專業的珀金斯柴油發動機2645 M004噴油器銷售服務商,想要了解更多的珀金斯柴油發動機2645 M004噴油器類型和資料,請現在聯系我們!寧波日興動力科技有限公司
珀金斯柴油發動機2645 M004噴油器
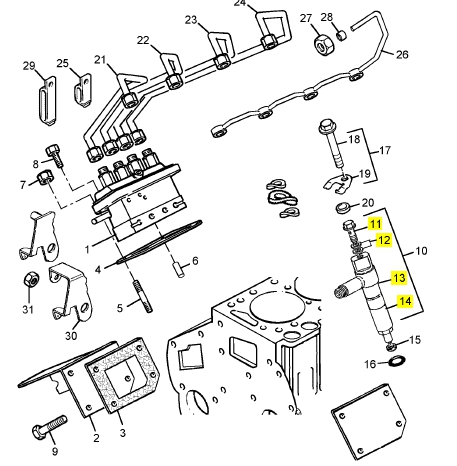
項目 零配件號碼 最近的部分號碼
10 2645 M004 4 2645 M004 噴油器
26420224 2 26420224 密封 -噴油器
11 1 眼圈螺拴
11 26420225 1 26420225 螺拴
12 26420224 2 26420224 密封 -噴油器
13 1 噴油器噴嘴夾持工具
13 1 夾持工具
14 1 噴嘴
14 1 噴嘴

項目 零配件號碼 最近的部分號碼
1 4145 H053 1 4145 H053 油底殼
5 2314 H003 22 2314 H003 螺旋
7 2314 K164 2 2314 K164 螺旋
9 3772 T004 1 3772 T004 油管
10 2415 H031 1 2415 H031 密封 - O 的圈
11 3667 L001 1 3667 L001 夾
12 2314 H102 1 2314 H102 螺旋
13 3577 A125 1 3577 A125 管組合
16 33812116 1 33812116 橄欖
17 3178 C149 1 3178 C149 量油計
18 2431 A016 1 2431 A016 栓塞
20 1861135 1 21826038 LOCTITE
