奧林匹亞威爾遜信珀金斯配件2674 A177渦輪增壓器
項目 零配件號碼 最近的部分號碼
1 2674 A177 1 2674 A177 渦輪增壓器
Item Parts No. Qty. Latest Part No. Description Cut Out Cut In Comment
2 21826051 1 21826051 SEALING COMPOUND 50ml
3 3688X003 2 3688X003 SEAL - OIL
4 3688X004 4 3688X004 SEAL - OIL
5 3685A009 1 3685A009 GASKET
6 3685R007 1 3685R007 GASKET - LIFT PUMP
7 3684C004 1 3684C004 GASKET
8 3687M031 1 3687M031 GASKET - TIMING CASE COVER
9 3687M032 1 3687M032 GASKET - TIMING CASE
10 2415A015 1 2415A015 SEAL - O RING
11 2415A039 1 2415A039 SEAL - O RING
12 2415H031 1 2415H031 SEAL - O RING
13 2415A092 1 2415A092 SEAL - O RING
14 2415A036 1 2415A036 SEAL - SENSOR
15 2415B135 1 2415B135 SEAL - O RING
16 2415715 4 2415715 SEAL - O RING
17 3687M036 1 3687M036 GASKET - TIMING CASE COVER
Item Parts No. Qty. Latest Part No. Description Cut Out Cut In Comment
2 3684N023 1 3684N023 GASKET - SUMP
3 3688X003 2 3688X003 SEAL - OIL
4 3688X004 4 3688X004 SEAL - OIL
5 3685A009 1 3685A009 GASKET
6 3685R007 1 3685R007 GASKET - LIFT PUMP
7 3684C004 1 3684C004 GASKET
8 3687M031 1 3687M031 GASKET - TIMING CASE COVER
9 3687M036 1 3687M036 GASKET - TIMING CASE COVER
10 3687M032 1 3687M032 GASKET - TIMING CASE
11 2415A015 1 2415A015 SEAL - O RING
12 2415A039 1 2415A039 SEAL - O RING
13 2415H031 1 2415H031 SEAL - O RING
14 2415A092 1 2415A092 SEAL - O RING
15 2415A036 1 2415A036 SEAL - SENSOR
16 2415B135 1 2415B135 SEAL - O RING
17 2415715 4 2415715 SEAL - O RING

廈工、CAT卡特、JCB、福威重工挖掘機ULPK0031提升泵
項目 零配件號碼 最近的部分號碼
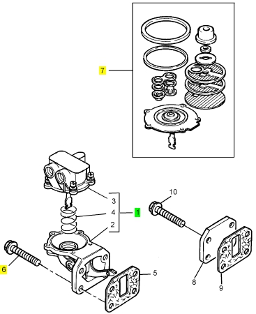
1 ULPK0031 1 ULPK0031 提升泵泵裝備
6 2314 H032 4 2314 H032 螺旋
7 ULPR0001 1 ULPR0001 修補裝備 - 提升泵泵

項目 零配件號碼 最近的部分號碼
2 1 體
3 1 體
4 1 彈簧
5 36851123 1 3685 R007 密合墊 - 提升泵泵

林德、海斯特、臺勵福叉車用珀金斯2656 F815燃料過濾器
項目 零配件號碼 最近的部分號碼
1 2656 F815 1 2656 F815 燃料過濾器組合
2 2314 J003 2 2314 J003 螺旋
3 0650204 2 0650204 栓塞
4 2411 D013 2 2411 D013 墊圈 01/06/2003
4 0920154 2 0920154 墊圈 31/05/2003
5 4121 A023 1 4121 A023 管 -燃料
10 4127 A022 1 4127 A022 管 -燃料
13 3172 X002 1 3172 X002 連接
14 3218 R037 1 3218 R037 班卓琴螺拴 01/06/03
14 3218 R013 1 3218 R013 班卓琴螺拴 31/05/03
15 2411 D010 1 2411 D010 墊圈 01/06/03
15 2415928 1 2415928 墊圈 31/05/03
16 2411 D010 1 2411 D010 墊圈 01/06/03
16 2415928 1 2415928 墊圈 31/05/03
17 3438 A008 1 3438 A008 管 -燃料
18 33225413 1 33225413 接合螺帽
19 33811115 1 33811115 橄欖
20 0576112 1 0576112 螺帽
20 33225413 1 33225413 接合螺帽
21 0566003 1 0566003 橄欖
21 33811115 1 33811115 橄欖
22 3355 M009 1 3355 M009 連接
23 0921168 1 0921168 墊圈
24 33225412 1 33225412 接合螺帽
25 33811112 1 33811112 橄欖
26 4126 A053 1 4126 A053 管 U831746G
26 4126 A023 1 4126 A023 管 -燃料 U831745G
28 0206102 1 0206102 管套節
29 33225412 1 33225412 接合螺帽
30 33811112 1 33811112 橄欖
31 33225412 1 33225412 接合螺帽
32 33811112 1 33811112 橄欖
33 2481 D301 2 2481 D301 夾
34 3621 A004 1 3621 A004 托架
35 2314 C062 3 2314 C062 螺旋

項目 零配件號碼 最近的部分號碼
2 1 冒口
3 26560904 1 26560904 螺帽
4 26560906 1 26560906 帽
5 26560905 1 26560905 密封 - O 的圈
6 26560907 1 26560907 栓塞
7 26560909 1 26560909 栓塞
8 26560923 1 26560923 密封 - O 的圈
9 26560903 1 26560903 密封 - O 的圈
10 26560143 1 26560143 燃料過濾器
13 26560902 1 26560902 圈
14 1 密封
15 1 帽
16 1 密封
17 1 手提澆斗
18 1 螺拴
19 1 墊圈

項目 零配件號碼 最近的部分號碼
1 2656 F815 1 2656 F815 燃料過濾器組合

項目 零配件號碼 最近的部分號碼
10 1 燃料過濾器
11 26560925 1 26560925 閥
12 26560911 I 1 26560911 I 墊圈

項目 零配件號碼 最近的部分號碼
1 2666 A014 4 2666 A014 GLOWPLUG 811076
1 2666 A005 4 2666 A005 GLOWPLUG 811075
2 3812 A017 1 3812 A017 鉛 U832982G
2 4172 E049 3 4172 E051 纜 8110721
2 4172 E051 3 4172 E051 纜 8110722
3 2666 B002 1 2666 B002 控制

項目 零配件號碼 最近的部分號碼
1 0650593 1 0650593 栓塞
2 2411287 1 2411287 墊圈
4 3353 K002 1 3353 K002 承接器 U815628D
5 2848062 1 2848062 油壓開關 U815628D
5 2848131 1 2848131 油壓開關 U815629D

項目 零配件號碼 最近的部分號碼
3 2846072 1 2846072 寄件人
