操作和保養手冊
404F-E22T 和 404F-E22TA 工業發動機
ER (發動機)
EQ (發動機)
This document has been printed from SPI2. NOT FOR RESALE
![]()
![]()
![]()
![]()

重要安全事項
產品的操作、保養和修理中的大多數事故,都是由于不遵守基本安全規則或預防措施引起的。若能在事
故發生前認識到各種潛在危險,事故往往是可以避免的。對各種潛在的危險,必須對工作人員提出警
告。還必須對工作人員進行培訓,使其掌握必要的技能和正確使用工具。
不正確的操作、潤滑、保養或修理產品是危險的,并會造成人身傷亡。
必須閱讀和理解產品的操作、潤滑、保養和修理的資料后,才可進行這些工作。
在本手冊中和在產品上都提供有安全預防措施和警告。如果對這些警告不予注意,會給自己或他人
造成人身傷亡。
識別危險用“安全警告符號”和“標志文字”,如“危險”、“警告” 或 “當心”。“警告” 標貼如下所示。
安全警告符號的含義如下:
注意!提高警惕! 事關您的安全。
警告的下面,說明危險的情況,有的用文字書寫,有的用圖形表示。
對能造成產品損壞的操作,在產品上和在本手冊中都以“注意”標貼表示。
� � � � 不能預料到可能發生危險的每一種情況。所以,本手冊和產品上提出的警告并不包括所有
情況。如果采用的工具、操作程序、工作方法或操作技術未經 Perkins 專門推薦,您必須保障您自己和
他人的安全。還要保證您所選擇的操作方法、潤滑、保養或修理程序不會損壞產品或造成不安全。
本手冊中的資料、技術規范和圖表是根據編寫當時可得到的資料匯編的。 所列舉的技術規范、扭矩、壓
力、測量值、調整值、圖表和其它項目,隨時都可能變更, 這些變更會影響對產品的維修。因此,在進
行各項作業前,必須獲得完整的最新的資料。 � � � � 代理商備有最新的資料。
本產品需要更換零件時, � � � � 推薦使用
Perkins 原廠生產的零件或者相同技術規范的零
件。相同的技術規范包括,但不局限于外形尺寸、
類型、強度和材料。
忽視此警告會導致過早發生故障、產品損壞甚至人
員傷亡。
This document has been printed from SPI2. NOT FOR RESALE
![]()
![]()
![]()
SCBU9075
3
目錄
目錄
發動機停機 ...................................................... 39
保養章節
前言 ................................................................... 4
安全部分
加注容量.......................................................... 40
保養建議.......................................................... 49
保養周期表 ...................................................... 52
保修部分
安全標志............................................................ 5
一般危險信息..................................................... 8
防止燙傷.......................................................... 10
防火與防爆 .......................................................11
防止壓傷和割傷............................................... 13
上、下設備 ...................................................... 13
高壓燃油管 ...................................................... 13
起動發動機前................................................... 15
發動機起動 ...................................................... 15
發動機停機 ...................................................... 15
電氣系統.......................................................... 15
發動機電子裝置............................................... 16
產品信息資料部分
保修信息資料................................................... 72
參考資料部分
參考資料.......................................................... 73
索引部分
索引 ................................................................. 74
概述 ................................................................. 18
產品識別信息資料 ........................................... 21
操作部分
起吊和貯存 ...................................................... 23
功能部件和控制裝置........................................ 25
發動機診斷 ...................................................... 30
發動機起動 ...................................................... 31
發動機運行 ...................................................... 34
后處理操作 ...................................................... 35
寒冷天氣操作................................................... 36
This document has been printed from SPI2. NOT FOR RESALE
![]()
4
SCBU9075
前言
前言
Perkins特約代理商或 Perkins分銷商能夠幫助您根據
機器的運行環境的需要來調整您的保養計劃。
文獻資料
大修
本手冊包含安全事項、操作說明、潤滑和保養資料。
本手冊應存放在靠近發動機的一個文件夾內或文件存
放處。 閱讀、分析本手冊并將它與文件和發動機資料
放在一起。
除了大修時間和在此周期時的保養項目外,在 操作和
保養手冊 中沒有發動機大修的細節。只有Perkins 授
權的人員才能進行大修。 Perkins代理商和Perkins分
銷商可以提供大修程序的多種方案。如果遇到重大的
發動機故障時,還有許多故障后大修的選擇方案。 與
Perkins代理商或 Perkins分銷商聯系以獲得這些方
案。
英語是所有Perkins 出版物的主要語言。 使用英語便
于翻譯并保持一致。
本手冊中的某些照片和圖示上顯示的細節或選裝部件
可能與您發動機上的有所不同。 為了說明方便,一些
護罩和蓋板可能已經拿掉。 產品設計的不斷改進和發
展可能對發動機有所改變,而這些改變可能未編入本
手冊中。 當您對發動機或本手冊有任何疑問時,請向
您的 Perkins代理商或Perkins分銷商咨詢最新的資
料。
加利福尼亞州65號提案中的警告
加利福尼亞州認為,柴油發動機排氣及其中的某些成
分會致癌,引起生育缺陷和其它生殖方面的危害。 蓄
電池接線柱、端子和相關的附件中含有鉛和鉛化合
物。 接觸后要洗手。
安全
安全部分列出了基本的安全注意事項。 此外,本部分
還標出了各種危險情況和警告內容。 在操作、潤滑、
保養和修理本發動機以前,要閱讀和理解列在安全部
分上的基本注意事項。
操作
在本手冊中指出的操作方法是最基本的。 它們能幫助
操作人員提高技術和技能從而更有效、更經濟地運轉
發動機。當操作人員獲得發動機知識和掌握其性能
后,操作技巧和方法將得到提高。
操作部分是供操作人員參考的,各種照片和圖示指導
操作人員進行發動機的檢查、起動、運行和停機。本
部分還包含電子診斷方面的論述。
保養
保養部分是對發動機維護的指南。 附有插圖的逐步說
明是按工作小時和(或)日歷時間保養周期編排的。
保養周期表中的項目參閱后面的詳細說明。
應按保養周期表中指出的相應間隔期進行推薦的保
養。 發動機的實際工作環境也會影響保養周期。 因
此,在極度惡劣、多塵、潮濕或冰凍的寒冷條件下運
轉,可能需要比保養周期表中規定的潤滑和保養次數
多。
保養計劃中的保養項目是按預防性保養管理程序編制
的。 如果遵照預防性保養管理程序進行保養,那就不
需要進行定期調整。 履行預防性保養管理程序,由于
減少了計劃外停機和故障造成的費用損失,將使運行
成本降到最低。
保養周期
進行保養時,應同時做比該次規定時間間隔小的前幾
級的保養項目。我們建議復制一份保養計劃表并展示
在發動機附近,作為一種方便的提醒。我們還建議將
保養紀錄作為發動機永久性記錄的一部分保存好。
This document has been printed from SPI2. NOT FOR RESALE
![]()
SCBU9075
5
安全部分
安全標志
安全部分
i06565689
安全標志
在發動機上可能有幾個特殊的警告標志。 本部分回顧
這些警告標志的確切位置和描述。 請熟悉所有安全標
志。
請確保所有警告標志都很清晰易讀。 如果警告標志的
說明文字或插圖無法辨識,請清潔或更換。 用抹布、
水和肥皂清洗警告標志。 不要使用溶劑、汽油和其它
刺激性化學制品。 溶劑、汽油或刺激性化學制品可能
會使粘貼安全標志的粘著劑喪失粘性。 松動的警告標
志可能從發動機上脫落。
更換所有損壞或丟失的警告標志。 如果有警告標志貼
在了被更換的零件上,應在替換零件上粘貼新的警告
標志。 您的 Perkins 經銷商可為您提供新新警告標
志。
(1) 通用警告
在閱讀和了解《操作和保養手冊》中的指示和警告之
前,請勿操作機器。 不遵守這些警告,可能會導致人
身傷亡。
圖 1
g01154807
典型示例
通用警告標簽 (1) 位于氣門機構蓋側面。 參考圖 2 。
This document has been printed from SPI2. NOT FOR RESALE
![]()
![]()
![]()

![]()
![]()
6
SCBU9075
安全部分
安全標志
圖 2
g03881406
(2)手(高壓)
接觸高壓燃油可能導致液體滲透和燒傷危險。 高壓燃
油溢出可能會產生火災。 如果不遵循檢查、保養和維
修指南,可能會造成人身傷亡。
圖 3
g02382677
典型示例
This document has been printed from SPI2. NOT FOR RESALE

![]()
![]()

![]()
![]()
![]()
SCBU9075
7
安全部分
安全標志
圖 4
g03881407
手(高壓)(2) 的警告標簽是一個安裝在高壓燃油管上
的包覆式標簽。
乙醚警告
乙醚警告標簽應安裝在空氣濾清器上或空氣濾清器附
近。 位置取決于應用。
在閱讀和了解《操作和保養手冊》中的指示和警告之
前,請勿操作機器。 不遵守這些警告,可能會導致人
身傷亡。
This document has been printed from SPI2. NOT FOR RESALE

![]()
![]()
![]()
![]()
8
SCBU9075
安全部分
一般危險信息
• 不要穿寬松的衣服或佩帶首飾,因為它們可能勾住
控制裝置或發動機的其他零件。
• 請確保所有護板和罩蓋都固定在發動機的正確位置
上。
• 切勿將保養液體倒入玻璃容器內。 因為玻璃容器
容易破碎。
• 小心使用所有清洗溶液。
• 報告所有必要的修理。
除非另有說明,否則應在下列情況下進行保養:
• 發動機停機。 確保發動機不能被起動。
• 保護鎖定裝置或控制裝置應處于起作用位置。
• 接合輔助制動器或停車制動器。
圖 5
g01154809
i06565656
一般危險信息
• 進行保養或維修之前,阻塞或限制住車輛,使其不
能移動。
• 在進行保養時或維修電氣系統時,要斷開蓄電池。
斷開蓄電池接地導線。 用膠帶包住導線以防止火
花產生。 如有配備,斷開蓄電池前,先凈化柴油
排氣處理液。
• 如有配備,斷開位于氣門蓋底座上的單體噴油器接
頭。 此動作將有助于防止單體噴油器的高電壓對
人身造成傷害。 發動機運轉時,不要接觸單體噴
油器接線端子。
• 不要試圖在發動機運轉時進行任何維修或調整。
• 不要試圖修理您不了解的東西。 使用適當的工
具。 更換或修理損壞的設備。
• 對于初次起動的新發動機或維修后的發動機,應做
好發生超速時的進行停機操作的準備。 可通過斷
開燃油供給和/或空氣供給關閉發動機。 確保只有
供油管切斷。 確保回油管打開。
圖 6
g00104545
維修或修理發動機以前,在起動開關或控制裝置上掛
一個 “不準操作” 的警告標簽或類似的警告標簽。 在發
動機和每個操作員操控臺上都掛上警告標簽。 必要
時,斷開起動控制裝置。
• 應從操作員操作臺(駕駛室)起動發動機。 決不
要靠短接起動馬達端子或蓄電池來起動發動機。
此動作會旁通發動機空檔起動系統和/或電氣系統
可能會受到損壞。
當保養發動機時,任何未經許可的人員不得在發動機
上或發動機周圍。
發動機排氣含有可能對人體有害的燃燒產物。 一定要
在通風良好的地方起動和運行發動機。 如果發動機處
于封閉區域,應將發動機廢氣排到外面去。
• 篡改發動機的裝置或篡改 OEM 提供的接線是危險
的。 可能會引起人身傷害、財物損壞或造成發動
機損壞。
小心拆卸下列零件。 為了防止壓力液體的噴濺,拿一
塊布蓋在被拆零件上。
• 當發動機運行在封閉場所時,應將發動機排氣排放
到室外。
• 加注口蓋
• 黃油嘴
• 測壓口
• 呼吸器
• 排放螺塞
• 如果發動機不在運轉狀態,不要釋放輔助制動或停
車制動系統,除非車輛被阻塞或限制而無法移動。
• 請按要求戴上安全帽、護目鏡和其他保護裝備。
• 在運轉的發動機周圍工作時,為了防止損傷聽力,
應佩帶聽覺防護裝備。
This document has been printed from SPI2. NOT FOR RESALE
![]()

![]()
![]()

![]()
![]()
SCBU9075
9
安全部分
一般危險信息
拆卸蓋板時要小心。 逐漸松開但不拆卸位于蓋板或裝
置上相對兩端的最后兩個螺栓或螺母。 在拆下最后兩
個螺栓或螺母之前,將蓋撬松,以便釋放彈簧壓力或
其他壓力。
清潔用的最高氣壓必須低于 205 kPa (30 psi)。 清潔
用的最高水壓必須低于 275 kPa (40 psi)。
液體穿透
即使發動機已經熄火很久,液壓回路中仍可能滯留壓
力。 如果沒有正確地釋放壓力,會導致液壓油或管塞
之類的物體高速射出。
在釋放壓力之前,不可拆卸任何液壓零部件,否則會
造成人身傷害。 在釋放壓力之前,不可拆解任何液壓
零部件,否則會造成人身傷害。 有關釋放液壓壓力所
需的任何步驟,請參閱 OEM 資料。
圖 7
g00702020
• 請按要求戴上安全帽、護目鏡和其他保護裝備。
• 在運轉的發動機周圍工作時,為了防止損傷聽力,
應佩帶聽覺防護裝備。
• 不要穿寬松的衣服或佩帶首飾,因為它們可能勾住
控制裝置或發動機的其他零件。
圖 8
g00687600
• 請確保所有護板和罩蓋都固定在發動機的正確位置
上。
請務必使用木板或硬紙板來檢查泄漏。 在壓力下所噴
出的液體可能會穿透人體組織。 液體穿透進入身體會
造成嚴重的人身傷害,甚至可能導致死亡。 即使是一
個針孔大小的泄漏,也可能導致嚴重的人身傷害。 如
果油液噴射進您的皮膚,必須立刻治療。 要找熟悉這
類創傷的醫生來治療。
• 切勿將保養液體倒入玻璃容器內。 因為玻璃容器
容易破碎。
• 小心使用所有清洗溶液。
盛裝泄漏的液體
• 報告所有必要的修理。
在檢查、保養、測試、調整及維修產品時,請小心確
保盛接油液。 在打開任何艙室或拆卸任何含有油液的
部件前,請準備好盛接液體用的適當容器。
除非另有說明,否則應在下列情況下進行保養:
• 發動機停機。 確保發動機不能被起動。
按照本地法規和要求處置所有油液。
• 在進行保養時或維修電氣系統時,要斷開蓄電池。
斷開蓄電池接地導線。 用膠帶包住導線以防止火
花產生。
用超低硫柴油加注時會出現靜電危害
清除超低硫柴油(ULSD 燃油)中的硫和其他成分可
降低 ULSD 的傳導性和提高 ULSD 存儲靜電的能力。
煉油廠可能已用防靜電添加劑處理過燃油。 隨著時間
的推移,各種因素都會降低添加劑的效力。 在燃油流
過輸油系統時,ULSD 燃油中會堆積靜電荷。 當存在
可燃蒸汽時,靜電放電可能會導致火災或爆炸。 確保
機器的整個供油系統(燃油箱、輸油泵、輸油軟管、
噴油嘴及其他)的接地和連接方法正確。 咨詢您的燃
油或燃油系統供應商,確保輸油系統符合正確接地和
搭接方法的供油標準。
• 不要試圖修理您不了解的東西。 使用適當的工
具。 更換或修理損壞的設備。
壓縮空氣和加壓水
壓縮空氣和/或加壓水可將碎屑和/或熱水吹出來。 這
種行為可能會導致人身傷害。
使用壓縮空氣和/或加壓水進行清洗時,請穿戴防護
衣、防護鞋和眼部護具。 眼部護具包括護目鏡及防護
面罩。
This document has been printed from SPI2. NOT FOR RESALE
![]()

![]()
![]()

![]()
![]()
10
SCBU9075
安全部分
防止燙傷
• 如果沒有其他方法控制粉塵,應戴上有效的防塵面
具。
供油時,要避免靜電危險。 相比早先的較高含硫量柴
油配方,超低硫柴油( ULSD)會造成較大的靜電點
火危害。 避免火災或爆炸造成嚴重的傷亡事故。 咨
詢您的燃油或柴油系統供應商,確保輸油系統符合正
確接地和搭接方法的供油標準。
• 遵守為工作地點所適用的規章和制度。 在 美國,
應符合職業安全與健康管理局(OSHA)的要求。
這些職業安全與健康管理局(OSHA)的要求可在
29 CFR 1910.1001 中找到。
• 請遵守環保法規處置石棉廢棄物。
• 遠離空氣中可能有石棉微粒的場所。
吸入
適當地處置廢棄物
圖 9
g00702022
排氣
圖 10
g00706404
請小心謹慎。 排氣煙氣可能會對健康有害。 如果您
在封閉區域操作該設備,有必要進行適當的通風。
不適當地處理廢棄物會對環境造成威脅。 請按當地法
規來處理可能會有危害的液體。
石棉資料
使用防漏容器來盛裝排出的液體。 切勿將廢棄物傾倒
在地面上、排水管中或任何水源里。
從 Perkins 發動機有限公司運輸的 Perkins 設備和更
換零件不含石棉。 Perkins 建議只使用原裝 Perkins
更換零件。 當您處理任何含有石棉的替換零件或石棉
屑時,請遵循下列準則。
i06565655
防止燙傷
請小心謹慎。 避免吸入在處理含有石棉纖維的零件時
可能產生的粉末。 吸入該粉塵可能有害您的健康。
可能含有石棉纖維的零件包括:制動器磨擦片、制動
器制動帶、襯墊材料、離合器磨擦片和一些密封墊。
在這些零件中的石棉纖維,通常是浸漬在樹脂中或是
用某種方法密封起來的。 除非產生的石棉灰塵飄浮在
空中,否則一般的處理方式是無害的。
不要觸摸運轉中的發動機系統的任何部位。 在正常運
轉條件下發動機、排氣和發動機后處理系統的溫度會
高達 650° C (1202° F)。
在進行任何保養之前,要讓發動機系統先冷卻下來。
斷開相關項目前,釋放空氣系統、液壓系統、潤滑系
統、燃油系統和冷卻系統中的所有壓力。
如果出現可能含有石棉的粉塵時,應該遵循下列的指
引:
• 切勿使用壓縮空氣來清理。
• 避免擦刷含有石棉的材料。
• 避免打磨含有石棉的材料。
• 以濕法去清理石棉材料。
接觸高壓燃油可能導致液體滲透和燒傷危險。 高壓燃
油溢出可能會產生火災。 如果不遵循檢查、保養和維
修指南,可能會造成人身傷亡。
發動機停機后,在對發動機燃油管進行任何維修或修
理之前,等待 10 分鐘以便釋放高壓燃油管中的燃油
壓力。 等待 10 分鐘也將使低壓燃油系統的靜態充油
耗散。
• 也可使用配備有高效空氣顆粒濾清器(HEPA)的
真空吸塵器來清理。
• 長期進行機加工作業時,使用排氣通風裝置。
斷開任何管路、管接頭或相關部件前,允許排出空氣
系統、液壓系統、潤滑系統或冷卻系統中的壓力。
This document has been printed from SPI2. NOT FOR RESALE
![]()
![]()
![]()
![]()

![]()
![]()

![]()
![]()
![]()
SCBU9075
11
安全部分
防火與防爆
進氣系統
冷卻系統添加劑含堿。 堿性物質會造成人身傷害。
不要讓堿接觸皮膚,也不要讓其進入眼睛或嘴。
機油
硫酸燒傷危險可能導致嚴重的人身傷亡。
反復或長時間接觸礦物油和合成基礎油之后,皮膚可
能會過敏。 請參閱供應商的材料安全數據表,了解詳
細信息。 高溫的機油和潤滑部件會造成人身傷害。
不要讓熾熱的機油接觸皮膚。 應佩戴適當的個人防護
裝備。
廢氣冷卻器中可能含有少量硫酸。 使用硫含量大于
15 ppm 的燃油會增加生成的硫酸量。 對發動機進行
保養時,硫酸可能會從冷卻器中濺出。 接觸硫酸會燒
傷眼睛、皮膚和衣服。 一定要佩戴硫酸材料安全數據
表 (MSDS) 上規定的適用個人防護設備 (PPE)。 一定
要遵照硫酸材料安全數據表 (MSDS) 上規定的急救說
明。
柴油
柴油可能會刺激眼睛、呼吸系統和皮膚。 長期接觸柴
油可能導致各種皮膚狀況。 應佩戴適當的個人防護裝
備。 請參閱供應商的材料安全數據表,了解詳細信
息。
冷卻液
發動機處于工作溫度時,發動機的冷卻液是熱的, 而
且處于壓力下。 散熱器和通向加熱器、后處理系統或
發動機的所有管道內都有熱的冷卻液。
蓄電池
電解液是酸性的, 電解液會造成人身傷害。 避免電
解液接觸皮膚或眼睛。 保養蓄電池時一定要戴防護眼
鏡。 接觸了蓄電池和接線柱后要洗手。 建議使用手
套。
觸摸熱的冷卻液或蒸汽都會造成嚴重燙傷。 泄放冷卻
系統以前,讓冷卻系統部件先冷卻下來。
在發動機停機和冷卻后,檢查冷卻液液位。
確保加液口蓋冷卻后再將其打開。 蓋溫必須達到徒手
可以觸摸的溫度。 慢慢拆下加注口蓋,以便釋放壓
力。
后處理系統
在進行任何保養或維修前,冷卻后處理系統。
i06565693
防火與防爆
圖 11
g00704000
所有的燃油、大多數的潤滑油和某些冷卻液混合物都
是易燃品。
易燃液體滲漏或濺到熾熱表面或電器部件上時,可能
引起火災。 火災會引起人身傷害和財產損失。
操作緊急停止按鈕后,務必等待 15 分鐘,然后才能
取下發動機罩。
確定發動機是否在可燃氣體可被吸入進氣系統的環境
下運行。 這些氣體會造成發動機超速。 這可能會導
致人身傷害、財產損失或發動機損壞。
This document has been printed from SPI2. NOT FOR RESALE
![]()
![]()
![]()

![]()
![]()
12
SCBU9075
安全部分
防火與防爆
如果應用類型涉及存在可燃氣體的情況,請咨詢您的
Perkins 代理商和/或 Perkins 分銷商,以獲得關于適
當防護裝置的更多資料。
清除發動機上的所有易燃或導電材料,例如燃油、機
油和碎屑。 禁止在發動機上堆積任何易燃或導電材
料。
將燃油和潤滑劑裝入正確標記的容器內,并存放在遠
離未經授權人員的位置。 將油布和其他易燃物存放在
保護性的容器內。 切勿在存放易燃物的場所吸煙。
不得讓發動機暴露在任何明火之下。
如果管路、管道和密封件損壞,排氣管隔熱板(如有
配備)可以保護熱的排氣管部件不被機油或燃料的噴
射到。 排氣隔熱板必須正確安裝。
禁止在裝有易燃液體的管路或油箱上進行焊接。 禁止
在裝有易燃液體的管路或油箱上進行火焰切割。 在焊
接或火焰切割這些管路或油箱前,先用不可燃的溶劑
徹底將其清洗。
導線必須保持在良好狀態。 確保所有電線正確安裝并
且牢固連接。 每天檢查所有的電線。 請在運轉發動
機之前修復松動或磨損的電線。 清潔并緊固所有線路
接頭。
圖 12
g00704059
去掉所有無關的或不必要的導線。 不要使用比推薦規
格小的導線或電纜。 不得將任何保險絲和/或斷路器
旁通短接。
向發動機加燃油的時候要小心謹慎。 不要在向發動機
加燃油的時候吸煙。 也不要在靠近明火或火花的地方
向發動機加燃油。 切記加燃油前將發動機熄火。
電弧或火花會引起火災。 牢固連接、按照推薦布設的
線路和正確保養的蓄電池電纜有助于防止產生電弧和
火花。
供油時,要避免靜電危險。 相比早先的較高含硫量柴
油配方,超低硫柴油(ULSD 燃油)會造成較大的靜
電點火危害。 避免火災或爆炸造成嚴重的傷亡事故。
咨詢您的燃油系統供應商,確保輸油系統符合正確接
地和搭接方法的供油標準。
接觸高壓燃油可能導致液體滲透和燒傷危險。 高壓燃
油溢出可能會產生火災。 如果不遵循檢查、保養和維
修指南,可能會造成人身傷亡。
發動機停機后,在對發動機的燃油管進行任何維修或
修理之前,必須等待 10 分鐘以便釋放高壓燃油管中
的燃油壓力。 等待 10 分鐘也將使低壓燃油系統的靜
態充油耗散。
確保發動機停轉。 檢查所有的管路和軟管有無磨損或
老化。 確保軟管布設正確。 管路和軟管必須有適當
的支撐或牢固的管夾。
機油濾清器和燃油濾清器必須安裝正確。 濾清器殼體
必須擰緊到正確的扭矩。 有關更多信息,請參閱拆解
和裝配手冊。
圖 13
g00704135
蓄電池散發出來的氣體能引起爆炸。 讓明火或火花遠
離蓄電池的頂部。 不要在蓄電池充電的場所吸煙。
不得采用將金屬物體跨接在接線端子上的辦法來檢查
蓄電池的充電情況。 必須使用電壓表或比重計。
跨接電纜連接不當可能會引起爆炸,造成人身傷害。
有關具體的說明,請參考本手冊的操作部分。
This document has been printed from SPI2. NOT FOR RESALE
![]()
![]()
![]()

![]()
![]()

![]()
![]()
SCBU9075
13
安全部分
防止壓傷和割傷
不得給凍結的蓄電池充電。 凍結的蓄電池可能會導致
爆炸。
敲擊物件時,要戴護目鏡,以免傷及眼睛。
在敲擊物件時,碎片或其它碎屑會四處飛散。 敲擊物
件之前,應確保周圍無人會被飛出的碎屑擊傷。
蓄電池必須保持清潔。 每個電池柵格單元都必須蓋好
蓋子(如有配備)。 在發動機運轉時,要使用推薦的
電纜、接頭和蓄電池箱蓋。
i06565701
滅火器
上、下設備
確保備有滅火器供使用。 要熟悉滅火器的使用方法。
經常檢修滅火器。 遵從指示板上的說明。
不要爬上發動機或發動機后處理系統。 發動機和后處
理系統未設計有上下位置。
乙醚
請參閱 OEM 信息以了解在具體應用中手和腳應抓住
哪些位置。
乙醚是有毒且易燃的物質。
更換乙醚罐或使用乙醚噴射裝置時切勿吸煙。
i06565673
不要將乙醚罐存放在生活區或發動機艙室中。 切勿在
陽光直射或溫度高于 49° C (120° F) 的地方存放乙醚
罐。 使乙醚罐遠離明火或火花。
高壓燃油管
管路、管道和軟管
請勿將高壓管線彎折。 請勿敲擊高壓管線。 請勿安
裝任何受損的管路。
接觸高壓燃油可能導致液體滲透和燒傷危險。 高壓燃
油溢出可能會產生火災。 如果不遵循檢查、保養和維
修指南,可能會造成人身傷亡。
泄漏會造成火災。 請與您的 Perkins 代理商或
Perkins 分銷商聯系以獲取更換零件。
若出現下列任何一種情況,請更換零件:
• 高壓燃油管路已拆下。
• 端接頭損壞或滲漏。
• 外層有磨損或割傷。
• 金屬線暴露在外。
• 外層鼓包隆起。
• 軟管的彈性零件扭曲。
• 鎧裝護套嵌入外層。
• 端接頭移位。
確保所有管夾、防護板和隔熱罩安裝正確。 安裝正確
有助于防止發動機工作時的振動、零部件間的相互摩
擦以及過量生熱。
i03018585
防止壓傷和割傷
在部件下面工作時,部件應有可靠的支撐。
如果沒有提供另外的保養說明,在發動機運轉時,切
勿試圖進行調整。
避開所有轉動部件和運動部件。 直到進行保養時再拿
掉保護罩。 保養結束后重新裝上護罩。
將物件遠離轉動的風扇葉片。 風扇葉片會拋出或切割
物件。
This document has been printed from SPI2. NOT FOR RESALE
![]()
![]()
![]()
14
SCBU9075
安全部分
高壓燃油管
圖 14
g03886691
(1) 高壓管
(2) 高壓管
(3) 高壓管
(4) 高壓管
(5) 高壓燃油歧管(油軌)
(6) 高壓管
(7) 高壓燃油輸油管
高壓燃油管是指高壓燃油泵和高壓燃油歧管之間的燃
油管以及燃油歧管和缸蓋之間的燃油管。 這些燃油管
與其它燃油系統上的燃油管不同。
• 檢查高壓燃油管有無損壞、變形、刻痕、切口、折
痕或凹痕。
• 不要在發生燃油泄漏時運轉發動機。 如果發生泄
漏,不要擰緊接頭來阻止泄漏。 接頭必須僅擰緊
至推薦扭矩。 參考拆解和裝配, 噴油管 - 拆卸和噴
油管 - 安裝。
不同的原因在于以下幾點:
• 高壓燃油管始終充滿高壓。
• 高壓燃油管的內部壓力比其他類型的燃油系統要
高。
• 如果高壓燃油管已擰緊至正確扭矩,但卻發生泄
漏,則必須更換高壓燃油管。
• 高壓燃油管首先經過加工成型,然后按照特殊工藝
進行加固。
• 確保所有高壓燃油管上的卡子都安裝到位。 不要
在卡子損壞、丟失或松動時運轉發動機。
不要踩踏高壓燃油管。 不要偏轉高壓燃油管。 不要
彎曲或敲擊高壓燃油管。 高壓燃油管的變形或損壞可
能導致形成薄弱點和潛在故障。
• 不要將任何物品系在高壓燃油管上。
• 必須更換松開的高壓燃油管。 此外,必須更換拆
下的高壓燃油管。 請參閱拆解和裝配手冊, 燃油噴
油管 - 安裝。
不要在發動機或起動馬達運行時檢查高壓燃油管。 發
動機停機后,在對發動機的燃油管進行任何維修或修
理之前,必須等待 10 分鐘以便釋放高壓燃油管中的
燃油壓力。 等待 10 分鐘也將使低壓燃油系統的靜態
充油耗散。
不要松開高壓燃油管來排出燃油系統的空氣。 該步驟
并不是必需的。
在發動機起動前,肉眼檢查高壓燃油管。 應每天都進
行該項檢查。
如果您檢查正在運行的發動機,請始終使用正確的檢
查步驟以避免液體穿透危險。 請參考操作和保養手
冊, 一般危險信息。
This document has been printed from SPI2. NOT FOR RESALE

![]()
![]()
SCBU9075
15
安全部分
起動發動機前
i04801644
發動機排氣含有對人體有害的燃燒產物。 一定要在通
風良好的地方起動和運行發動機。 如果在一個密閉的
空間起動發動機,要將發動機廢氣排到室外去。
起動發動機前
注:發動機配備有冷起動裝置。 如果發動機將在嚴寒
下運轉,那么可能需要嚴寒輔助起動裝置。 通常,發
動機將配備有適合于作業地區的輔助起動裝置。
注意
初次起動新發動機或大修過的發動機和起動已經維修
過的發動機時,要作好出現超速時的停機準備。 這可
以通過切斷發動機的空氣和/或燃油供應來實現。
這些發動機在每個氣缸內配有預熱塞輔助起動裝置,
用于加熱進氣,以便于起動。 有些 Perkins 發動機可
能具有 ECM 控制的冷起動系統,可允許控制流量的
乙醚進入發動機。 引入乙醚前,ECM 將會斷開電熱
塞。 此系統是在出廠時安裝。
i03616502
發動機排氣含有對人體有害的燃燒產物。 必須在良好
通風的場所起動和運轉發動機,如果在封閉場所,要
將廢氣排到外面去。
發動機停機
檢查發動機有無潛在危險。
遵循操作和保養手冊, 發動機停機(操作部分)進行
發動機停機操作,以便避免發動機過熱和發動機部件
的加速磨損。
如果起動開關或控制裝置上系有一個 “不準操作” 警告
標簽或類似的警告標簽,切勿起動發動機或移動任何
控制裝置。
只有在緊急情況下決才能使用緊急停機按鈕(如有配
備)。 發動機正常停機時不要使用緊急停機按鈕 。
發動機緊急停機后,在引起緊急停機的問題解決之
前,切勿起動發動機。
起動發動機前,確保發動機上面、下面或附近無人。
確保附近沒有任何人員。
如有配備,確保用于發動機的照明系統適合于工況條
件。 確保所有照明燈工作正常。
如果新發動機或經大修后的發動機初次起動時發生超
速情況,使發動機停機。
如果進行維修作業時必須起動發動機,必須安裝好所
有保護罩和所有保護蓋。 為了預防旋轉件引起事故,
在旋轉件周圍工作時要小心。
要停止電子控制的發動機,請切斷發動機電源和/或不
給發動機供氣。
不要旁通自動關斷電路。 不要使自動關斷電路不起作
用。 這種電路的設置是為了防止人身傷害, 同時也
可防止發動機損壞。
i06565677
電氣系統
有關修理和調整的資料,請參閱維修手冊。
i06146252
充電器正在工作時,切勿從蓄電池上斷開任何充電器
電路或蓄電池電路電纜。 否則,由某些蓄電池產生的
易燃氣體可能被火花點燃。
發動機起動
為便于防止因點燃某些蓄電池產生的可燃氣體而生成
的火花,負極 “−” 電纜應該最后從外接電源連接到主
接地位置。
每天檢查電線有無松動或擦破。 在發動機起動之前,
擰緊所有松動的電氣連接。 發動機起動之前,要修理
好所有擦破的電線。 請參閱操作和保養手冊以了解具
體的起動說明。
不要使用類似乙醚的噴霧劑輔助起動。 否則可能導致
爆炸和人身傷害。
如果發動機起動開關或控制裝置上粘貼有一個警告標
簽,切勿起動發動機或移動控制裝置。 在起動發動機
前,要向掛警告標簽的人咨詢。
如果進行維修作業必須啟動發動機,必須安裝好所有
保護罩、蓋。 為了預防旋轉件引起事故,在旋轉件周
圍工作要小心。
從駕駛室或用發動機起動開關起動發動機。
一定要按照操作和保養手冊, 發動機起動(操作部
分)中所敘述的步驟起動發動機。 了解正確的程序有
助于防止對發動機部件產生重大損壞。 了解正確的程
序還有助于防止人身傷害。
為了確保缸套水加熱器(如有配備)和/或潤滑油加熱
器(如有配備)工作正常,要檢查水溫表。 在加熱器
工作期間,還要檢查油溫表。
This document has been printed from SPI2. NOT FOR RESALE
![]()
![]()
![]()
![]()
![]()
![]()
![]()
16
SCBU9075
安全部分
發動機電子裝置
接地方法
為確保發動機和發動機電氣系統工作正常,必須使用
與蓄電池直接相連的發動機到機架的接地帶。 這種直
接相連可通過將發動機接地線直接連接到機架實現。
接地連接應當緊湊、無腐蝕。 發動機交流發電機必須
通過一根足以承受其滿載充電電流的導線接地到蓄電
池的負極 “-” 端子。
發動機的電源連接和接地連接都應從蓄電池的隔離器
引出。
i06565665
發動機電子裝置
擅自改動電子系統或原始設備制造商 (OEM)的接線安
裝是危險的,可能導致人身傷亡和/或發動機損害。
有電擊危險。 電子單體式噴油器使用 DC 電壓。
ECM 將此電壓發送給電子單體式噴油器。 發動機運
轉時,切勿接觸電子單體式噴油器的線束接頭。 不遵
守此指示,可能會導致人身傷亡。
圖 15
g03881462
典型示例
接地至蓄電池
本發動機具有全面的、可編程的發動機監控系統。 電
子控制模塊 (ECM) 將監控發動機工作狀況。 如果任
何發動機參數超出容許范圍,ECM 將立即采取行動。
發動機監測控制有以下動作:
• 警告
• 減額
• 停機
下面列出監測的發動機工況和部件,它們能夠限制發
動機轉速和/或發動機功率:
• 發動機冷卻液溫度
• 發動機機油壓力
• 進氣歧管空氣溫度
• 進氣歧管空氣壓力
• 發動機轉速傳感器
• 燃油溫度
圖 16
g03881463
典型示例
備用蓄電池接地
• 后處理溫度傳感器(如安裝)
• 電子單體噴油器
為獲得發動機的最佳性能和可靠性,必要將發動機電
氣系統正確接地。 接地不當會造成電路失控和不可
靠。
• 發動機進氣節氣門(如安裝)
• 傳感器電源電壓
失控的電路會對曲軸的軸承軸頸表面和鋁質部件造成
損壞。
• 歧管燃油壓力(導軌)
未安裝發動機至機架接地帶的發動機可能因電氣放電
而損壞。
This document has been printed from SPI2. NOT FOR RESALE
![]()
![]()
![]()

![]()
![]()

![]()
![]()
![]()
![]()
SCBU9075
17
安全部分
發動機電子裝置
• NOx 還原系統
• 發動機后處理系統
發動機監控程序包可能會因發動機型號和應用差異而
變化。 但是,對所有發動機來說,監控系統和發動機
監控控制將是相似的。
注:許多可用于 Perkins 發動機的發動機控制系統和顯
示模塊將與發動機監控系統協調工作。 這兩種控制系
統將一起提供為特定發動機應用所需的發動機監控功
能。 有關發動機監控系統的更多信息,請參考故障診
斷和排除。
This document has been printed from SPI2. NOT FOR RESALE
![]()
18
SCBU9075
產品信息資料部分
概述
產品信息資料部分
概述
i06565650
機型視圖
以下型號視圖顯示發動機和后處理系統的典型特征。
由于具體應用不同,您的發動機和后處理可能看起來
與圖中所示不同。
圖 17
g03881488
典型示例
(1) 電控單體噴油器
(2) 后吊耳
(3) 頂部機油加注口蓋
(4) 前吊耳
(5) 風扇
(6) 交流發電機和風扇皮帶
(7) 燃油歧管(燃油油軌)
(8) 下部機油加注口蓋
This document has been printed from SPI2. NOT FOR RESALE

![]()
![]()
SCBU9075
19
產品信息資料部分
機型視圖
(9) 高壓燃油泵
(10) 機油表(油尺)
(11) 機油排放塞
(12) 機油濾清器
(13) 燃油粗濾器/油水分離器
(14) 電動燃油注油泵
(15) 燃油細濾器
(16) 呼吸器
圖 18
g03881489
典型示例
(17) 水溫調節器
(21) 飛輪
(25) NRS 冷卻器
(18) NOx 還原系統閥 (NRS)
(19) 節氣閥
(20) 柴油氧化催化器 (DOC)
(22) 飛輪殼
(23) 起動馬達
(24) 渦輪增壓器
(26) 電子控制模塊 (ECM)
(27) 交流發電機
燃油粗濾器 (13) 、燃油注油泵 (14) 和 ECM (26) 為散
裝供應。
This document has been printed from SPI2. NOT FOR RESALE

![]()
![]()
20
SCBU9075
產品信息資料部分
設備描述
i06565644
電控發動機特性
設備描述
對發動機運行狀態進行監控。 電子控制模塊(ECM)
控制發動機對這些狀況和操作員要求作出反應。 這些
狀況和操作員要求決定了 ECM 對噴油的精確控制。
電子發動機控制系統具有以下功能:
可選擇兩種型號的 Perkins 404F-E22T 和 404F-
E22TA 工業用發動機,渦輪增壓式發動機和渦輪增壓
空對空冷卻式發動機。 這兩種型號的發動機都配備有
柴油氧化催化劑 (DOC) 后處理系統 DOC 后處理系統
對保養間隔無要求。 這兩種型號的發動機都以電子方
式控制。
• 發動機監控
• 發動機調速
• 噴油正時控制
• 系統診斷
404F-E22T 和 404F-E22TA 工業用發動機具有以下特
性。
發動機診斷
• 直列 4 缸
• 4 沖程
發動機有內置診斷裝置,以確保發動機系統正常工
作。 由“停機或警告”燈向操作員發出狀態警示。 在某
些情況下,發動機的馬力和車速會受到限制。 可以利
用電子維修工具來顯示診斷代碼。
• 每缸兩氣門
• DOC 后處理
有四種類型的診斷代碼:現行診斷代碼、記錄的診斷
代碼、現行事件代碼和記錄的事件代碼。
ECM 具有控制噴油器輸出以便保持理想發動機轉速的
電子調速器。
使用壽命
發揮發動機的效率和最大程度利用發動機的性能取決
于對正確的操作和保養建議的遵守程度。 此外,也應
使用建議的燃油、冷卻液和潤滑劑。 將操作和保養手
冊用作發動機所需進行的保養的指南。
發動機的預期使用壽命通常可由需求的平均功率預測
出來。 需求的平均功率是基于一段時間內發動機的燃
油消耗量來確定的。 減少全油門運轉小時數和/或在
減低了的油門設置下運轉可導致較低的平均功率需
求。 減少運轉小時數將會延長發動機需要大修之前的
運轉時間。
圖 19
g00296424
依據相關法規、保養要求規定,在發動機的有效使用
壽命(耐久排放周期)內,后處理系統應正常發揮功
能。
(A) 排氣閥
(B) 進氣閥
404F-E22T 和 404F-E22TA 發動機可能隨 DOC 提供
有油門控制閥和溫度傳感器,或未安裝這些部件。 這
種區別是由發動機設計的演變導致。
售后產品和 Perkins 發動機
表 1
Perkins 對非 Perkins 油液和濾清器的質量或性能不提
供任何保證。
404F-E22T 和 404F-E22TA 工業用發動機
在 Perkins 產品上使用其它制造商生產的輔助設備、
附件或消耗品(濾清器、添加劑、催化劑)時,不會
僅因這種使用而影響 Perkins 保修。
缸徑
沖程
排量
84 mm (3.307 inch)
100 mm (3.937 inch)
2.216 L (135.22861 cubic inch)
18: 1
但是,安裝和使用其他制造商的設備、附件或消耗品
而導致的故障不屬于 Perkins 產品缺陷。 因此,這些
缺陷不在 Perkins 保修范圍之內。
壓縮比
進氣方式
渦輪增壓式和渦輪增壓空對空冷
卻式
氣門間隙設定值(進氣)
氣門間隙設定值(排氣)
0.20 mm (0.008 inch)
0.20 mm (0.008 inch)
點火順序
1-3-4-2
旋向(飛輪端)
逆時針
This document has been printed from SPI2. NOT FOR RESALE

![]()

![]()
![]()
SCBU9075
21
產品信息資料部分
產品識別信息資料
產品識別信息資料
Perkins 銘牌
i06565651
標牌和貼膜的位置
序列號標牌
圖 21
g01094203
i03840671
典型示例
排放認證貼膜
圖 20
g03882431
發動機序列號銘牌 (1) 位于發動機左側缸體后部。
Perkins 經銷商需要銘牌上的所有編號,以確定發動
機中包含的部件。 此信息可以準確識別更換件的零件
號。
圖 22
g01478138
典型示例
This document has been printed from SPI2. NOT FOR RESALE
![]()

![]()
![]()

![]()
![]()

![]()
![]()
22
SCBU9075
產品信息資料部分
參考資料部分
圖 23
g01476654
典型示例
珀金斯芝浦發動機有限公司將為每一臺發動機提供燃
油標牌。 請參考圖 23 。 設備制造商必須在設備上安
裝此標牌。 這是珀金斯芝浦發動機有限公司的建議作
法。 必須把此標牌貼在設備燃油進口旁。 這樣就符
合 EPA 法規的要求。 設備制造商可以安裝其它燃油
標牌。 如果使用其它燃油標牌,設備制造商必須通過
珀金斯分銷商把此標牌的圖樣或照片發送到珀金斯芝
浦發動機有限公司。 這將確保符合標牌要求。
i06565681
參考資料部分
訂購零件時,可能需要有關以下項目的信息資料。 找
出您的發動機信息。 在相應位置記錄這些信息。 復
制一份記錄表。 保存這些信息以供將來參考。
供參考用的檔案記錄
發動機型號
發動機序列號
發動機低怠速轉速
發動機滿負荷轉速
燃油粗濾器
燃油細濾器濾芯
潤滑油濾清器濾芯
輔助機油濾清器濾芯(如有配備)
潤滑系統總容量
冷卻系統總容量
空氣濾清器濾芯
傳動帶
This document has been printed from SPI2. NOT FOR RESALE
![]()
![]()
![]()
![]()
![]()
![]()
![]()
![]()
![]()
![]()
![]()
![]()
![]()

![]()
![]()
SCBU9075
23
操作部分
起吊和貯存
操作部分
存放條件
發動機必須存放在防水建筑內。 建筑內必須保持恒
溫。 加注有 Perkins ELC 的發動機將具有 −36° C
(−32.8° F) 的環境溫度下的冷卻液保護。 發動機不能
用于溫度和濕度變化極大的環境。
起吊和貯存
i06565642
存放期限
設備起吊
遵循所有建議,發動機可存放長達 6 個月。
存放程序
注意
對發動機上完成的程序保留適當的記錄。
注:存放發動機時,燃油系統中不能有生物柴油。
1. 確保發動機潔凈干燥。
千萬不要折彎吊環螺栓和支架。 吊環螺栓和支架只能
承受張力負荷。 要記住當支承構件和物體之間的角度
小于90°時,吊環螺栓的承載能力變小。
當必須在某一角度搬移部件時,只能使用具有適當額
定載荷的連桿支架。
a.
如果發動機使用生物柴油運行,必須排放系統
并安裝新濾清器。 燃油箱需要沖洗。
使用起重機搬移重的部件。 使用一個可調的吊粱起吊
發動機。 所有的支承構件(鏈條和鋼絲繩)應互相平
行。 鏈條和鋼絲繩與被吊物的頂面盡可能保持垂直。
b.
用超低硫燃油加注燃油系統。 如需了解可接受
燃油的詳細信息,請參閱本操作和保養手冊,
油液建議。 運行發動機 15 分鐘以從系統中清
除所有生物柴油。
2. 排出粗濾器水分離器中的所有水分。 確保燃油箱加
滿。
3. 存放發動機時不需要排放發動機機油。 如果使用正
確規格的發動機機油,發動機可以存放長達 6 個
月。 如需了解發動機機油的正確規格,請參閱本操
作和保養手冊, 油液建議。
4. 從發動機上卸下驅動皮帶。
密封冷卻系統
確保冷卻系統加注了 Perkins ELC 或符合 ASTM
D6210 規格的防凍液。
打開冷卻系統
確保所有冷卻系統排放塞都已打開。 使冷卻液放出。
安裝排放塞。 在系統中放入汽相抑制劑。 加入汽相
抑制劑后,必須密封冷卻系統。 如果冷卻系統與大氣
連通,將會導致汽相抑制劑失去作用。
圖 24
g03882471
i06565660
典型示例
(1) 前后吊耳
有關保養步驟,請參閱本操作和保養手冊。
后處理
設備貯存
(發動機和后處理)
無需特殊步驟。 后處理的排氣出口應蓋住。 存儲
前,必須用蓋封閉發動機和后處理。
每月檢查
必須旋轉曲軸以改變氣門機構的彈簧負荷。 將曲軸旋
轉 180 度以上。 目視檢查發動機和后處理有無損壞或
腐蝕。
Perkins 對發動機使用一段時間后存放期間發生的損
壞不承擔任何責任。
您的 Perkins 代理商或 Perkins 分銷商可協助您完成
發動機的長期存放準備工作。
確保存儲前完全蓋住發動機和后處理。 在發動機記錄
中記下程序。
This document has been printed from SPI2. NOT FOR RESALE
![]()
![]()
![]()

![]()
![]()
24
SCBU9075
操作部分
發動機和后處理
存放后拆卸
1. 安裝驅動皮帶,有關皮帶的張力,請參閱本操作和
保養手冊, 交流發電機和風扇皮帶 - 檢查/調整。
2. 確保發動機機油油位正確。 確保冷卻液液位正確。
確保已充注并已注滿燃油系統。 有關更多信息,請
參閱操作和保養手冊, 燃油系統 - 充注。
3. 接通電源并檢查警告燈的操作情況。 起動發動機,
請參閱操作和保養手冊, 起動發動機了解更多信
息。
This document has been printed from SPI2. NOT FOR RESALE
![]()
SCBU9075
25
操作部分
功能部件和控制裝置
功能部件和控制裝置
儀表指示發動機性能。 確保儀表處于良好的工作狀
態。 觀察儀表一段時間之后,您就能確定正常的運行
范圍。
i06565683
儀表讀數發生顯著變化,可能意味著儀表或發動機存
在故障。 即使儀表讀數在技術規格范圍內,其讀數變
化也可能表明存在問題。 確定和糾正導致讀數顯著變
化的任何原因。 請向您的 Perkins 代理商或您的
Perkins 經銷商尋求幫助。
報警和關斷裝置
切斷裝置
注意
如果顯示無機油壓力,停止發動機。 如果發動機冷卻
液超出了最高冷卻液溫度,停止發動機。 這可能會造
成發動機損壞。
切斷裝置為電控或機械控制。 電控切斷裝置由電子控
制模塊 (ECM) 控制。
切斷裝置被設定在以下各項的臨界水平上:
發動機機油壓力 – 冷態發動機起動后,機油
壓力應在最大值。 SAE10W30 在額定轉速
下的典型發動機機油壓力為
• 冷卻液工作溫度
• 機油工作壓力
207 kPa to 413 kPa (30 psi to 60 psi)。
在起動發動機之前,可能需要重置特定切斷裝置。
低怠速時機油壓力低是正常的。 如果負載穩定但儀表
讀數變化,進行以下步驟:
注意
一定要確定導致發動機停機的原因。 在試圖重新起動
發動機之前,要進行必要的修理。
1. 卸掉負載。
2. 降低發動機轉速至低怠速。
3. 檢查和保持機油油位。
熟悉以下內容:
• 切斷裝置的類型和位置
• 觸發每個切斷裝置的條件
• 重新起動發動機需要執行的重置程序
水套水冷卻液溫度 – 典型溫度范圍為
82° to 96°C (147.6° to 172.8°F)。 加壓冷
卻系統在 90 kPa (13 psi) 下的最高允許溫
度為 112° C (233.6° F)。 在某些情況下可能會有更高
的溫度。 隨著負荷的不同,發動機冷卻液溫度讀數不
同。 對于正在使用中的增壓系統,讀數應永遠不能超
過沸點。
警報器
如果發動機在正常范圍以上運轉且有蒸汽生成,則執
行以下步驟:
注意
某一警報被觸發后,在情況變得緊急之前就必須采取
糾正措施,以免可能對發動機造成損害。
1. 降低負載和發動機轉速。
2. 檢查冷卻系統有無泄漏。
警報器采用電氣控制。 警報器的操作由 ECM 控制。
3. 決定是否必須立即關閉發動機,或者是否可以通過
減少負載使發動機冷卻。
警報器通過傳感器或開關操作。 當傳感器或開關激活
時,將會向 ECM 發送一個信號。 ECM 會生成一個事
件代碼。 ECM 將發送一個信號,以便點亮指示燈。
轉速計 – 此表指示發動機轉速。 在無負載
時,把油門控制桿移動到全油門位置,發動
機在高怠速運轉。 在最大額定負載下,油
門控制桿在全油門位置,發動機在滿負載轉速下運
轉。
您的發動機可能配備有以下傳感器或開關:
燃油油軌壓力 – 燃油油軌壓力傳感器測量燃油油軌中
的壓力是否偏高或偏低。 ECM 將檢查壓力。
發動機機油壓力 – 發動機機油壓力開關指示設定發動
機轉速下,機油壓力是否降至額定系統壓力以下。
注意
冷卻液溫度 – 冷卻液溫度傳感器指示水套水冷卻液溫
度是否偏高。
為幫助防止發動機受到損害,切勿超過高怠速轉速。
超速可能對發動機造成嚴重損害。 發動機可以在高怠
速運行而不受損害,但絕不應允許超過高怠速轉速。
i06565671
電流表 – 此儀表指示蓄電池充電電路中的充
電或放電量。 儀表指針應運作在 “0” (零)
位右側。
儀表和指示燈
燃油油位 – 此儀表指示燃油箱中的燃油油
位。 當 “起動/停機” 開關處于 “接“通” 位” 置
時,燃油油位表工作。
您的發動機上的儀表可能與下述儀表不同或不具備所
有下述儀表。 更多有關儀表組的資料,請參閱 OEM
資料。
This document has been printed from SPI2. NOT FOR RESALE
![]()
![]()
![]()
![]()
![]()
![]()
![]()
![]()
![]()
![]()
![]()
![]()
![]()
![]()
26
SCBU9075
操作部分
監測系統
工時計 – 此儀表指示發動機的運行時間。
i06565676
監測系統
(發動機警告指示燈)
表 2
警告指示燈表
警告指示燈
接通
停機指示燈
接通
指示燈狀態
指示燈檢查
指示描述
發動機狀態
操作員操作
鑰匙開關處于接通位置,
所有指示燈應點亮 0.5
秒。
電源接通,指示燈檢
查
發動機不工作。
如果任何指示燈在指示燈
檢查期間不點亮,必須立
即調查故障原因。
如果任何指示燈保持點亮
或閃爍,必須立即調查故
障原因。
斷開
斷開
斷開
無故障
-
發動機正常工作。
無
1 級
點亮(單色)
1 級
激活的診斷代碼仍然存
在。
發動機工作,但存在
至少一個診斷代碼。
應盡快調查診斷代碼的產
生原因。
2 級
閃爍
閃爍
斷開
接通
2 級
3 級
ECM 檢測到異常狀況。
如啟用,發動機將減
額。
停止發動機。
調查故障。
3 級
發動機狀況異常。
發動機將自動停機。
如果未啟用停機,發
動機可以工作,但可
能導致損壞。
立即停止發動機。
調查故障。
i06565646
• 大氣壓力(氣壓)
監測系統
• 燃油溫度
• 蓄電池電壓
可編程設置的選項和系統操作
如果已選擇停機模式,同時警告指示燈已工作,發動機
可能在短到自警告指示燈開始工作后的 20秒鐘內停
機。 取決于應用不同,應采取特殊的預防措施以避免
人身傷害。 如有必要,發動機可在緊急操縱停機后重
新起動。
如果選定了警告 /減額/停機模式,同時報警指示燈點
亮,應盡可能讓發動機停機。 取決于應用類型,應采
取專門的預防措施,以免發生人身傷害。
發動機可以被編程設置為以下模式:
注意
發動機監測系統不能保證防止突然的事故的發生。 編
程設定的延遲和減額程序是設計來最大限度減少錯誤
警報和提供操作人員使發動機停機的時間。
“警告”
橙色 “警告” 燈將 “點亮” ,并連續啟用警告信號以便警
告操作員一個或多個發動機參數不在正常工作范圍
內。
監測下列參數:
• 發動機轉速/正時
• 發動機溫度和壓力傳感器
This document has been printed from SPI2. NOT FOR RESALE

![]()
![]()
![]()
![]()
![]()
![]()
![]()
![]()
“減額”
SCBU9075
27
操作部分
超速(OVERSPEED)
橙色 “警告” 燈將 “閃爍” 。 警告后,發動機功率減
額。 減額發生時,警告燈將開始閃爍。
如果發動機超出預設的操作極限值,則發動機將出現
減額。 發動機減額通過限制每次噴射的可用燃油量實
現。 燃油減少取決于導致發動機減額的故障的嚴重程
度,通常不超過 50% 的限值。 這種燃油減少會導致
預定的發動機功率降低。
“停機”
橙色警告燈將 “閃爍” 。 警告后,發動機功率減額。
發動機將在設定減額轉速下繼續運轉,直到出現發動
機停機。 停機后,紅色停機指示燈將點亮。 發動機
可以在緊急情況下停機后重新起動。
觸發后,發動機將立即停機。 發動機可以在緊急情況
下停機后重新起動。 但是,起初停機的原因可能依然
存在。
如果有冷卻液溫度高信號,將有 2 秒鐘的延遲來確認
該狀況。
如果有機油壓力低信號,將有 2 秒鐘的延遲來確認該
狀況。
如需更多信息或維修幫助,請咨詢您的 Perkins 經銷
商。
i06565686
超速(OVERSPEED)
超速是指轉速高于圖示的給定發動機轉速 700 轉/分
(RPM)。
• 404F-E22T
• 404F-E22TA
2800 RPM
2800 RPM
i06565663
傳感器和電氣部件
本部分中的插圖顯示工業用發動機上傳感器和其他電
氣部件的典型位置。 具體發動機可能因應用而略有不
同。
This document has been printed from SPI2. NOT FOR RESALE
![]()
![]()
![]()
28
SCBU9075
操作部分
傳感器和電氣部件
圖 25
g06013009
典型示例
(1) 進氣歧管壓力(增壓)傳感器
(2) 電控單體噴油器
(3) 預熱塞
(4) 燃油壓力傳感器(燃油油軌壓力傳感器)
(5) 燃油溫度傳感器
(6) 高壓燃油泵的燃油計量電磁閥
(7) 曲軸轉速/正時傳感器
(8) 柴油氧化催化器 (DOC) 出口溫度傳感器
(9) DOC 進口溫度傳感器
This document has been printed from SPI2. NOT FOR RESALE

![]()
![]()
SCBU9075
29
操作部分
傳感器和電氣部件
圖 26
g06013027
典型示例
(10) 機油壓力開關
(11) 油門控制閥
(12) NRS 控制閥
(13) 起動馬達
(14) 交流發電機
(15) 低壓燃油泵/注油泵
(16) 電子控制模塊
,(18) 凸輪軸轉速/正時傳感器
(19) 冷卻液溫度傳感器
(17) 大氣壓力傳感器的通風口
注:有些部件可能沒有安裝在部分應用上。 DOC 可能
未配備溫度傳感器。 可能未安裝節氣門。
This document has been printed from SPI2. NOT FOR RESALE

![]()
![]()
30
SCBU9075
操作部分
發動機診斷
發動機診斷
i06565694
出現活動診斷編碼的發動機的運
行
i06565685
自診斷
如果發動機正常運行時診斷燈點亮,說明系統已經識
別到不在規格范圍之內的狀況。 使用電子維修工具來
檢查激活的診斷代碼。
序列號: ER11–以上
Perkins 電子發動機可執行自診斷測試。 當系統檢測
到現行故障時,診斷燈會點亮。 診斷代碼將被儲存在
電子控制模塊(ECM)的永久性存儲器中。 通過使用
電子維修工具可以檢索診斷代碼。 有關更多信息,請
參閱故障診斷與排除, 電子維修工具。
注: 在故障排除前,功率將受限。 如果機油壓力回到
正常范圍以內,發動機依然可以在額定轉速和負載下
運行。 但是,應該盡快進行保養。
應查明激活的診斷代碼。 應盡快糾正問題的起因。
如果診斷代碼激活的起因已被解決且只有此激活診斷
代碼,診斷燈將熄滅。
某些發動機安裝了電子顯示屏,可以直接閱讀發動機
診斷代碼。 關于檢索發動機診斷代碼的詳細資料,請
參閱原設備制造廠提供的手冊。 或者,請參閱故障診
斷與排除, 指示燈,了解更多信息。
發動機的運行和性能可能會因產生的激活的診斷代碼
而被限制。 加速速率可能會顯著放慢。 有關更多激
活的診斷代碼和發動機性能之間關系的信息,請參閱
故障診斷和排除指南。
現行代碼代表目前存在的故障。 應該首先查明這些故
障。
記錄的代碼表示出現下列情況:
• 間歇故障
i06565687
出現間歇診斷編碼的發動機的運
行
• 記錄的事件
• 性能歷史記錄
一次最多可以存儲 6 個代碼。
如果發動機正常運行時診斷燈發亮,接著診斷燈又熄
滅,說明可能已經發生間歇故障。 如果發生了故障,
故障將被記錄到電子控制模塊(ECM)的存儲器中。
如果已存在 6 個代碼,則發動機仍將對其他代碼做出
反應,但 ECM 不會記錄故障。
自代碼被記錄后,故障可能已經被排除。 這些代碼并
不意味著需要進行修理。 這些代碼是存在某一狀況的
指南或信號。 代碼可能對故障診斷與排除有幫助。
在大多數情況下,不需要因為間歇性代碼而停止發動
機。 但是,操作員應檢索記錄的故障代碼并參考相應
的信息。 以確定事件的性質。 操作人員應記錄有可
能導致診斷燈點亮的任何觀察發現。
當排除這些故障后,應清除相應的記錄的故障代碼。
• 功率低
i06565658
• 發動機轉速限制
• 發動機振動或發動機噪音
診斷燈
該信息有助于對狀況進行故障排除。 這些信息也可以
為將來參考使用。 有關診斷代碼的更多信息,請參閱
此發動機的故障排除指南。
診斷燈用于指示存在現行故障。 有關更多信息,請參
閱故障診斷與排除, 指示燈。 故障診斷代碼將保持活
動狀態直到問題得到解決。 通過使用電子維修工具可
以檢索診斷代碼。 有關更多信息,請參閱故障診斷與
排除, 電子維修工具。
i06565699
配置參數
i06565697
故障記錄
系統配置參數影響發動機的排放或發動機的功率。 配
置參數在工廠進行編程設定。 通常情況下,在發動機
的整個壽命期間,請勿更改系統配置參數。 如果更換
電子控制模塊(ECM)的話,則必須重新編程設定系
統配置參數。 如果更換了 ECM 軟件,則不需要重新
編程設置系統配置參數。
系統提供故障記錄的能力。 當電子控制模塊 (ECM)
產生一個活動診斷代碼時,此代碼將被記錄到 ECM
的存儲器中。 通過電子維修工具可以識別 ECM 記錄
的代碼。 當故障排除或故障不再為現行狀態時,將會
清除記錄的現行代碼。
有關更多信息,請參閱故障診斷與排除, 系統配置參
數。
This document has been printed from SPI2. NOT FOR RESALE
![]()
SCBU9075
31
操作部分
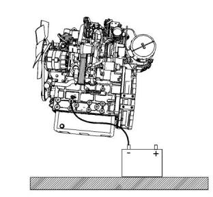
發動機起動
發動機起動
注:鑰匙開關接通期間,指示燈將點亮 2 秒,以檢查指
示燈的操作情況。 如果任何指示燈沒有點亮,請檢查
燈泡。 如果任何指示燈保持點亮或閃爍,請參閱故障
診斷與排除, 指示燈電路 - 測試。
i06565672
發動機起動前
2. 將鑰匙開關轉到 RUN(運轉)位置。 將鑰匙開關
留在運行位置,直到電熱塞警告燈熄滅。
在發動機起動之前,進行所需的日常保養和其它的定
期保養內容。 檢查發動機室。 此項檢查可以幫助防
止日后大的修理。 有關詳細信息,請參考操作和保養
手冊, 保養周期表。
3. 當預熱塞警告燈熄滅后,將鑰匙開關轉到 START
(起動)位置,以便接合電動起動馬達并盤動發動
機。
注: 電熱塞警告燈的操作時間將會隨環境空氣溫度而
變化。
• 確保發動機有充足的燃油供給。
• 打開供油閥(如有配備)。
注意
如果發動機數周未起動,燃油可能從燃油系統中泄
掉。 空氣可能進入濾清器殼體。 并且更換燃油濾清
器時,一些氣泡將被困在發動機燃油系統中。 在這些
情況下,應該充注燃油系統。 更多有關泵注燃油系統
的信息資料,請參考操作和保養手冊, 燃油系統 - 泵
注。 此外,檢查燃油技術規格是否正確,以及燃油狀
況是否正常。 請參閱操作和保養手冊, 燃油建議。
當飛輪正在轉動時,不要合上起動馬達。 不要帶負載
起動發動機。
如果發動機沒有在30秒內起動,松開起動開關或起動
按鈕并等待 2分鐘,在再次起動發動機以前,讓起動
馬達先冷卻下來。
4. 發動機起動后讓鑰匙開關回到運行位置。
5. 如果發動機未起動成功,重復步驟 2 至步驟 4。
發動機排氣含有對人體有害的燃燒產物。 必須在良好
通風的場所起動和運轉發動機,如果在封閉場所,要
將廢氣排到外面去。
注:發動機不應通過“高速運轉”來加快暖機過程。
6. 讓發動機怠速運轉 3 到 5 分鐘,或讓發動機怠速至
水溫指示開始升高。 在寒冷天氣中發動機起動后怠
速運轉時,將發動機轉速從 1000 rpm 提高到 1200
rpm。 這種操作方式能夠使發動機更快地預熱。 如
果安裝了手動油門,使用該控制裝置使長時間將發
動機轉速保持在提升了的低怠速轉速的操作更加容
易。
• 如果起動開關或操縱裝置上系有一個 “不準操作” 警
告標簽或類似警告標簽,切勿起動發動機或移動任
何操控裝置。
• 復位所有關斷裝置或報警部件。
• 確保已脫開任何被驅動設備。 最大限度降低電氣
負載并卸掉任何電氣負載。
7. 在低載荷下運轉發動機,直至所有系統達到工作溫
度為止。 暖機期間,檢查儀表。
i06565643
8. 可允許恒速發動機空載達到工作轉速。 施加負載
前,操作發動機 2 分鐘。
寒冷天氣起動
i06565669
發動機起動
不要使用類似乙醚的噴霧式起動輔助裝置。 否則可能
導致爆炸和人身傷害。
在溫度低于 −18 °C (0 °F) 時,發動機起動性能將由
于使用水套水加熱器或額外的蓄電池容量而得到改
善。
不要使用類似乙醚的噴霧式起動輔助裝置。 否則可能
導致爆炸和人身傷害。
當使用第 2 組柴油時,以下項目可盡可能減少寒冷天
氣下的起動故障和燃油故障:發動機油底殼加熱器、
水套水加熱器、燃油加熱器和燃油管隔熱層。
注:起動時不要調整發動機轉速控制。 起動時,電子
控制模塊 (ECM) 將會控制發動機轉速。
請遵循寒冷天氣下的起動步驟。
注:起動時不要調整發動機轉速控制。 起動時,電子
控制模塊 (ECM) 將會控制發動機轉速。
起動發動機
1. 脫開任何發動機驅動的設備。
1. 脫開任何驅動設備。
This document has been printed from SPI2. NOT FOR RESALE
![]()
![]()
![]()
![]()
![]()
![]()
![]()
![]()
![]()
32
SCBU9075
操作部分
用跨接起動電纜起動
注:鑰匙開關接通期間,指示燈將點亮 0.5 秒,以檢查
指示燈的操作情況。 如果任何指示燈沒有點亮,請檢
查燈泡。 如果任何指示燈保持點亮或閃爍,請參閱故
障診斷與排除, 指示燈電路 - 測試。
注意
使用一個與電起動馬達有相同電壓的蓄電池電源。 跨
接起動只允許使用相同電壓。 使用更高電壓會損壞電
氣系統。
不要反向連接蓄電池電纜。 否則交流發電機可能損
壞。 接地電纜要在最后連接并要最先斷開。
2. 將鑰匙開關轉到 RUN(運轉)位置。 將鑰匙開關
留在運行位置,直到電熱塞警告燈熄滅。
在連接跨接起動電纜之前,將所有電氣附件關閉。
3. 當電熱塞的警告燈熄滅時,將鑰匙開關轉到起動位
置。 然后,起動馬達將盤動發動機。
在將跨接起動電纜連接到被起動發動機之前,確保主
電源開關是在斷電(OFF)位置。
注:電熱塞警告燈的操作時間將會隨環境空氣溫度而變
化。
1. 把停轉的發動機的起動開關旋轉至斷開位置。 關閉
所有發動機附件。
注意
當飛輪正在轉動時,不要合上起動馬達。 不要帶負載
起動發動機。
2. 將跨接起動電纜的一個正極端連接到已放電蓄電池
的正極電纜端子上。 將跨接起動電纜的另一正極端
連接到電源的正極電纜端子上。
如果發動機沒有在30秒內起動,松開起動開關或起動
按鈕并等待 2分鐘,在再次起動發動機以前,讓起動
馬達先冷卻下來。
3. 將跨接起動電纜的一個負極端連接到電源的負極端
子。 將跨接起動電纜的另一負極端連接到發動機缸
體或底盤接地上。 該步驟有助于防止潛在火花點燃
某些蓄電池產生的易燃氣體。
4. 發動機起動后讓鑰匙開關回到運行位置。
5. 如果發動機未起動成功,重復步驟 2 至步驟 4。
注:起動馬達運轉前,發動機 ECM 必須通電,否則將
6. 應允許恒速發動機空載達到工作轉速。 施加負載
前,操作發動機 2 分鐘。
造成損壞。
4. 按正常的操作步驟起動發動機。 參閱操作和保養手
冊, 起動發動機。
i06245647
用跨接起動電纜起動
(不要在存在爆燃性空氣的危險場
所中使用本步驟)
5. 發動機起動之后,立即按與連接相反的順序拆下跨
接起動電纜。
跨接起動后,交流發電機可能不會把嚴重放電的蓄電
池重新充足電。 發動機停止后,必須更換蓄電池或使
用充電器將蓄電池充電到正確電壓。 許多被認為已不
可用的蓄電池仍是可以再充電的。 請參閱操作和保養
手冊, 蓄電池 - 更換以及測試和調整手冊, 蓄電池 - 測
試 。
i06565659
在蓄電池上連接或拆開蓄電池電纜時可能引發爆炸,
進而導致人身傷亡。 連接和拆開其它電氣設備有可能
會引發爆炸,進而導致人身傷亡。 蓄電池電纜和其它
電氣設備的連接和拆開程序只應在非爆炸性的環境下
進行。
發動機起動后
起動后,發動機可保持在低轉速高達 30 秒,以便使
發動機系統穩定下來。 低速運轉時間取決于環境溫
度,自上次運轉的間隔時間及其它因素。
注:在環境溫度為 0° to 48°C (0° to 86.4°F) 時,暖機
時間約為 3 分鐘。 溫度低于 0°C (32°F) 時,可能需
要額外的暖機時間。
不正確的跨接起動電纜連接會引起爆炸,造成人身傷
害。
防止在蓄電池周圍產生火花。 火花會引起氣體爆炸。
不要讓跨接起動電纜端部互相接觸或與發動機接觸。
當發動機暖機怠速時,觀察以下情況:
不要在發動機或起動馬達運行時檢查高壓燃油管。 如
果您檢查正在運行的發動機,請始終使用正確的檢查
步驟以避免液體穿透危險。 請參考操作和保養手冊,
一般危險信息。
注:如有可能,首先診斷無法起動的原因。 更多信
息,請參閱故障排除, 發動機無法盤車和發動機盤車
但不起動。 進行任何必要的修理。 如果發動機無法
起動僅是由于蓄電池的狀況,給蓄電池充電,或者通
過跨接起動電纜使用其他蓄電池起動發動機。 在發動
機關閉后,還可再次檢查蓄電池的狀況。
• 帶負載運轉發動機前,在怠速轉速和半最高轉速
(發動機無負載)下檢查是否有油液和空氣泄漏。
該檢查在部分應用中可能無法進行。
This document has been printed from SPI2. NOT FOR RESALE
![]()
![]()
![]()
![]()
![]()
![]()
![]()
![]()
![]()
SCBU9075
33
操作部分
發動機起動后
• 讓發動機怠速運轉 3 到 5 分鐘,或讓發動機怠速至
水溫指示開始升高。 在暖機期間,檢查所有儀
表。
恒速發動機應在低怠速運轉 3 分鐘之后,再以工作速
度運轉。 如果沒有低怠速選項,則讓發動機以工作速
度無負載運轉 2 分鐘。
注:發動機運行時,應觀察儀表讀數,經常記錄數據。
比較長期數據將有助于確定每一個儀表的正常讀數。
比較長期數據也將有助于發覺非正常運行的發展變
化。 應調查讀數中的明顯變化。
This document has been printed from SPI2. NOT FOR RESALE
![]()
34
SCBU9075
操作部分
發動機運行
發動機運行
• 確保渦輪增壓器運轉正常,以便保持正確的空氣/
燃料比。 清潔的排氣表明功能正常。
i06565653
• 保持電氣系統處于良好狀態。
發動機運行
有故障的蓄電池單元會過度使用交流發電機,并可能
消耗過多的電力和燃油。
• 確保傳動帶調整適當。 傳動帶應狀況良好。 更多
相關資料,請參閱技術規格手冊。
正確操作和保養是獲得發動機的最大使用壽命和經濟
性的關鍵因素。 如果按照操作和保養手冊中的指示去
做,使用費用可以降至最低,使用壽命可以最大限度
地延長。
• 確保所有軟管連接緊密。 連接處不應泄漏。
• 確保從動設備狀況良好。
變速發動機
• 冷發動機消耗過多的燃油。 盡可能利用來自水套
水系統和排氣系統的熱量。 保持冷卻系統部件清
潔和得到良好維護。 決不能運轉未安裝水溫調節
器的發動機。 所有這些項目將有助于保持工作溫
度。
在達到工作溫度后,發動機可以在額定轉速下運行。
發動機在低發動機轉速和低功率需求時達到正常工作
溫度將會快些。 此程序比發動機無負荷怠速運轉的情
況要更有效率。 發動機應在數分鐘內達到工作溫度。
發動機運行時,應觀察儀表讀數,經常記錄數據。 比
較長期數據將有助于確定每一個儀表的正常讀數。 比
較長期數據也將有助于發覺非正常運行的發展變化。
應調查讀數中的明顯變化。
恒定轉速發動機
應用負載前,使發動機預熱。
發動機運行時,應觀察儀表讀數,經常記錄數據。 比
較長期數據將有助于確定每一個儀表的正常讀數。 比
較長期數據也將有助于發覺非正常運行的發展變化。
應調查讀數中的明顯變化。
微粒排放物的減少
發動機配備有后處理系統,以符合排放法規。 系統使
用柴油氧化催化器 (DOC),以符合排放法規。 系統為
被動式,不需要發動機用戶進行任何操作。 DOC 不
需要保養周期便可正常工作。
i06565695
燃油省油準則
發動機的效率會影響燃油經濟性。 設計和制造工藝為
所有應用類型帶來最高的燃油效率。 務必確保使用原
裝濾清器。 遵循建議的步驟以便獲得發動機使用壽命
期的最佳性能。
• 避免燃油溢出。
燃油受熱會膨脹。 燃油可能會從燃油箱溢出。 檢查
燃油管路是否有泄漏。 對燃油管路進行所需的維修。
• 知道不同燃油的特性。 只使用推薦的燃油。 更多
有關資料,請參閱操作和保養手冊, 燃油推薦規
程。
• 避免不必要的怠速運轉。
關閉發動機而非讓其長時間怠速運行。
• 經常觀察保養指示器。 保持空氣濾清器清潔。
This document has been printed from SPI2. NOT FOR RESALE
![]()
SCBU9075
35
操作部分
后處理操作
后處理操作
i06565668
柴油微粒濾清器再生
404F-E22 系列發動機的后處理系統中沒有安裝柴油
微粒濾清器 (DPF)。
404F-E22 系列發動機使用名為柴油氧化催化器
(DOC) 的不同技術。 該 DOC 系統不需要任何定期保
養,并且未包含在保養周期表中。
為使 404F-E22 系列發動機符合排放法規,排氣將通
過 DOC。 氣體在這里與催化劑反應。 后處理系統預
期可在發動機的整個壽命期間正常工作(排放持續
期)。 但是,為使后處理系統正常工作,必須遵守規
定的保養要求和規程。
This document has been printed from SPI2. NOT FOR RESALE
![]()
36
SCBU9075
操作部分
寒冷天氣操作
寒冷天氣操作
• 每周檢查所有橡膠零件(軟管和風扇傳動皮帶
等)。
i06565649
• 檢查所有電氣接線和連接有無任何磨損和絕緣層損
壞現象。
寒冷天氣操作
• 確保發動機可以在正常工作溫度下正確運轉,以便
保持所有蓄電池完全充電并且溫暖。
Perkins 柴油發動機能在寒冷天氣下有效運轉。 在寒
冷天氣下柴油發動機機的起動和運轉取決于以下各
項:
• 在每次輪班結束時加滿燃油箱。
• 每天檢查空氣濾清器和進氣口。 當在下雪天運轉
• 使用的燃油的型號
• 發動機機油的黏度
• 預熱塞的工作
時應更頻繁地檢查進氣口。
• 確保預熱塞正常工作。 請參閱故障排除, 預熱塞起
動輔助裝置 - 測試。
• 選裝的冷起動輔助裝置
• 蓄電池狀況
酒精或起動液會造成人身傷害或財產損壞。
酒精或起動液是高度易燃品并且有毒,如果儲存不
當,會造成人身傷害或財產損壞。
• 環境空氣溫度和海拔
• 應用的附加載荷
• 應用液壓和變速箱油粘度
本節將介紹下列信息:
不要使用類似乙醚的噴霧式起動輔助裝置。 否則可能
導致爆炸和人身傷害。
• 寒冷天氣下運轉引發的潛在問題
• 當環境空氣溫度在 0° to−40 °C (32° to 40 °F) 之間
時,可以采取建議的措施,盡可能減少起動和操作
故障。
• 有關寒冷天氣下使用電纜進行跨接起動的信息,請
參閱操作和保養手冊, 使用跨接起動電纜起動。 中
的說明。
在結凍溫度下發動機的操作和保養非常復雜。 這是由
于下述情況造成的:
發動機潤滑油粘度
必須使用粘度正確的發動機機油。 機油粘度影響潤滑
特性以及機油向發動機提供的磨損保護。 請參閱本維
修和保養手冊, 油液建議以了解推薦的機油粘度信
息。
• 天氣情況
• 發動機應用
您的 Perkins 代理商或 Perkins 分銷商所提出的建議
的基礎是以往的可行實踐。 本部分所包含的信息為寒
冷天氣的操作提供指導。
在溫度低于 −10° C (14° F) 時,如果在起動后立即使
發動機在高負載和轉速下操作,則發動機部件可能出
現損壞。
寒冷天氣操作建議
推薦使用的冷卻液
• 起動發動機后,發動機轉速將在最長 30 秒的時間
內進行調整。 在此之后,發動機應在低負載下操
作,直到達到最低冷卻液工作溫度 80° C (176° F)
。
該冷卻液應向冷卻系統提供針對最低預期外界溫度的
保護。 請參閱本維修和保養手冊, 油液建議以了解推
薦的冷卻液混合液信息。
在寒冷天氣中,經常檢查冷卻液的乙二醇的濃度是否
正確,以確保有足夠的防凍保護能力。
• 達到工作溫度將有助于防止進排氣門膠結。
發動機缸體加熱器
• 發動機的冷卻系統和潤滑系統不會緊隨停機立即散
失所有熱量。 這意味著發動機可以關停一段時
間,發動機內保留的熱量將會使發動機很容易起
動。
發動機缸體加熱器(如果配備)加熱燃燒室周圍的發
動機缸套水。 這些熱量具有以下作用:
• 改善起動性能。
• 縮短暖機時間。
• 寒冷天氣到來之前,加注達到正確技術參數的發動
機潤滑劑。 請參閱本維修和保養手冊, 油液建議以
了解推薦的機油粘度信息。
This document has been printed from SPI2. NOT FOR RESALE
![]()
![]()
![]()
![]()
![]()
SCBU9075
37
操作部分
燃油和寒冷天氣的影響
一旦發動機停機,缸體電加熱器即可通電工作。 缸體
加熱器的電壓可為 110 V dc 或 240 V dc。 輸出可為
750/1000 W。 請咨詢您的 Perkins 代理商或 Perkins
分銷商以了解更多信息。
注:切勿限制氣流。 限制氣流可能會損壞燃油系統。
Perkins 不鼓勵使用任何氣流限制裝置,例如散熱器
簾。 氣流阻力可導致以下問題:高排氣溫度、功率損
失、風扇過度使用和燃油經濟性降低。
發動機怠速運轉
駕駛室加熱器在極冷天氣條件下十分有用。 來自發動
機的供應管和來自駕駛室的回路管應采取保溫措施,
以減少在外部空氣中的熱量損失。
起動發動機后,發動機轉速將在最長 30 秒的時間內
進行調整。 在寒冷天氣中發動機起動后怠速運轉時,
將發動機轉速從 1000 rpm 提高至 1200 rpm。 這種怠
速運行能夠使發動機更快地預熱。 如果安裝了手動油
門,使用該控制裝置使長時間將發動機轉速保持在提
升了的低怠速轉速的操作更加容易。 發動機不應通過
高速運轉來加快暖機過程。
推薦的曲軸箱呼吸器保護措施
曲軸箱流通氣體中含有大量水蒸氣。 這些水蒸氣在低
溫環境中會發生凝結,可能會堵塞或損壞曲軸箱通風
系統。 如果發動機在不高于 −18° C (−0.4° F) 的溫度
下工作,必須采取措施,以防止呼吸器系統凍結和堵
塞。 應安裝隔熱軟管和隔熱濾罐組件。 還必須將加
熱器單元安裝到呼吸器系統中。 當在不高于 −18° C
(−0.4° F) 的溫度下工作時,必須采取這兩項措施,以
保護發動機。
發動機怠速運轉過程中,施加輕載(寄生負載)將有
助于實現最低工作溫度。 最低冷卻液工作溫度為
80° C (176° F)。
冷卻液升溫建議
i06245663
使因不工作而冷卻到正常工作溫度以下的發動機升
溫。 此升溫過程應在發動機返回到滿負載運行之前進
行。 在非常寒冷的天氣條件下運轉期間,發動機短時
間運轉會導致發動機氣門機構損壞。 如果發動機起動
后又停機許多次,而沒有加以運轉以便徹底暖機,上
述情況將會發生。
燃油和寒冷天氣的影響
注:僅使用 Perkins 推薦的燃油等級。 請參閱本操作和
保養手冊, 油液建議。
當發動機低于正常工作溫度運轉時,燃燒室內的燃油
和機油無法完全燃燒。 這些燃油和機油導致氣門桿上
形成軟積碳。 通常來講,這些積碳不會引發問題,它
們可以在發動機處于正常工作溫度時被燒掉。
柴油的性能可能會對發動機冷啟動能力有顯著的影
響。 柴油低溫屬性必須符合發動機操作中預期會出現
的最低環境溫度。
如果為了完全預熱而多次起動和關閉發動機但卻不運
行發動機,將會造成大量積碳。 這樣起動和關閉可能
會造成以下問題:
以下屬性用于定義燃油低溫性能:
• 濁點
• 氣門無法自如工作。
• 氣門發卡。
• 傾點
• 濾清器冷阻塞點(CFPP)
• 推桿可能會彎曲。
燃油濁點是指天然存在于柴油中的蠟開始形成結晶的
溫度。 燃油的熔點必須低于最低環境溫度以防止濾清
器堵塞。
• 還可對氣門系部件造成其它損壞。
由于這些原因,當發動機起動時,必須操作發動機,
直到冷卻液溫度為最低 80° C (176° F)。 氣門桿上的
積碳將保持在最少。 氣門和氣門部件將保持自由操
作。
冷濾堵塞點是特定燃油將通過一個標準化的過濾裝置
的溫度。 此 CFPP 給出估計的燃油最低可操作溫度
傾點是燃油停止流動及開始析蠟前的最后溫度。
發動機必須徹底暖機,以便將其他發動機部件保持在
良好的狀況。 發動機的使用壽命一般將延長。 潤滑
將會得到改善。 機油中的酸和油泥將會減少。 這樣
將會使發動機軸承、活塞環和其它零件的使用壽命更
長 但是,請將不必要的怠速時間限制為 10 分鐘,以
減少磨損和不必要的油耗。
購買燃油時,請注意這些特性。 考慮發動機應用的平
均環境溫度。 在一種氣候條件下加油運轉良好的發動
機,裝運到較冷氣候下時可能無法正常工作。 引起問
題的原因可能是溫度變化。
如果冬季中發動機功率過低或性能太差,進行故障檢
修之前先檢查燃油是否析蠟
水溫調節器和絕緣加熱器管路
以下部件可將寒冷天氣下燃油析蠟問題出現的幾率降
到最低。
發動機配有水溫調節器。 當發動機冷卻液低于正確工
作溫度時,缸套水經過發動機缸體循環進入發動機缸
蓋。 然后,冷卻液通過環繞冷卻液溫度調節器的內部
通道回流到缸體。 該返回行為可確保冷卻液在低溫工
作條件下流經發動機。 在發動機缸套水已達到正確的
最低工作溫度時,水溫調節器打開。 當缸套水冷卻液
溫度超過最低工作溫度時,水溫調節器進一步打開,
以使更多的冷卻液流經散熱器以散發過多熱量。
• 燃油加熱器,可能為 OEM 選裝件。
• 燃油管絕緣件,可能為 OEM 選裝件。
冬季和北極級柴油可用于冬季嚴寒的國家和地區。 有
關更多信息,請參閱操作和保養手冊, 寒冷天氣工作
用油
水溫調節器的漸進式開口可漸進關閉缸體和缸蓋之間
的旁通道。 這樣可確保流進散熱器的冷卻液流量最
高,以獲得最佳的散熱效果。
This document has been printed from SPI2. NOT FOR RESALE
![]()
38
SCBU9075
操作部分
寒冷天氣下與燃油有關的部件
可影響冷起動和柴油發動機操作的另一重要燃油屬性
是十六烷值。 此屬性的詳細信息和要求見于操作和保
養手冊, 油液建議。
i06565641
寒冷天氣下與燃油有關的部件
燃油箱
未注滿的燃油箱會出現凝結。 運行發動機后加滿燃油
箱。
燃油箱應包括一些從底部排放水和沉積物的措施。
某些燃油箱使用補充管讓水和沉淀物沉淀在供油管末
端的下部。
一些燃油箱使用的供油管路能夠直接從燃油箱底部汲
取燃油。 如果發動機配備了這種系統,定期保養燃油
系統濾清器相當重要。
按照以下間隔排放任何儲油箱中的水和沉淀物:每
周、保養間隔和重新加注燃油箱時。 排放將有助于防
止將水和/或沉淀物從儲油箱抽吸到發動機燃油箱。
燃油濾清器
更換燃油濾清器之后,務必充注燃油系統以清除燃油
系統中的氣泡。 請參閱操作和保養手冊的保養部分,
以了解燃油系統充注的詳細信息。
在寒冷天氣操作時,主燃油濾清器的微米等級和位置
很重要。 串聯濾清器、燃油粗濾器和供油管是受冷態
燃油影響的最常見部件。
燃油加熱器
注:OEM 可能會配備燃油加熱器。 如果是這種情況,
燃油輸油泵處的燃油溫度不得超過 73 °C (163 °F)。
燃油加熱器應安裝在電動輸油泵之前。
請參閱 OEM 信息,以進一步了解燃油加熱器(如果
配備)。
This document has been printed from SPI2. NOT FOR RESALE
![]()
SCBU9075
39
操作部分
發動機停機
發動機停機
• 加滿燃油箱以防止油箱中積聚濕氣。 燃油箱不要
加油過滿。
i03018704
注意
發動機停機
在本操作和保養手冊中的加注容量和建議標題下只能
使用推薦的防凍劑/冷卻液混合液。不這樣做會造成發
動機損壞。
注意
• 讓發動機冷卻下來。 檢查冷卻液液位。
在發動機一直帶著負荷運轉的情況下立即停機,會引
起過熱并加速發動機零部件的磨損。
• 如果預料到結凍溫度,要檢查冷卻液的防凍保護是
否正確。 必須保護冷卻系統,以防其在預計的最
低外部溫度下結凍。 如果必要,添加正常的冷卻
液/水混合液。
關閉發動機之前避免進行加速操作。
要避免發動機熱態停機可增加渦輪增壓器軸和軸承的
壽命。
• 對所有被傳動的設備進行必需的定期保養。 此保
養會在 OEM 的使用說明書中述及。
注:應用不同,控制系統也會不一樣。 確保理解關停
程序。 運用以下一般性準則以便使發動機停機。
1. 從發動機上卸下負載。 降低發動機轉速至低怠速。
讓發動機怠速運轉 5 分鐘以便冷卻發動機。
2. 經過發動機上的停機系統規定的冷卻周期后,關閉
發動機,把點火鑰匙開關轉到斷開 (OFF) 位置。如
有必要,請參閱原始設備制造商 (OEM) 提供的說
明。
i03018541
緊急停機
注意
緊急停機控制裝置只用于緊急情況。 切勿把緊急停機
裝置或控制裝置用于正常的停機過程。
OEM 可能已裝配了緊急停機按鈕。更多關于緊急停
機按鈕的信息,請參閱 OEM 資料。
確保發動機停機后支持發動機運行的外部系統的所有
部件安全可靠。
i03826057
發動機停機后
注:檢查發動機機油之前,停止運行發動機至少 10 分
鐘,以便使發動機機油有充分時間回到油底殼。
• 檢查發動機曲軸箱油位。 保持機油油位在發動機
機油油尺的 “最小(MIN)” 標記與 “最大(MAX)”
標記之間。
• 如有必要,進行較小的調整。 修理每一處滲漏并
擰緊任何松動的螺栓。
• 如果發動機配備了一個工時計,記錄其讀數。 按
本操作和保養手冊, 保養周期表所述進行保養。
This document has been printed from SPI2. NOT FOR RESALE
![]()
![]()
![]()
![]()
![]()
![]()
![]()
40
SCBU9075
保養章節
加注容量
保養章節
加注容量
(表 4, 續)
(2)
冷卻系統總容量等于發動機容量與外部系統容量之和。 在本行
中填入冷卻系統總容量值。
i06565690
油液建議
i06565664
加注容量
一般冷卻液信息
潤滑系統
注意
切勿向過熱的發動機中添加冷卻液。 發動機可能因此
而損壞。 應首先使發動機冷卻。
發動機曲軸箱的加注容量反映了曲軸箱的近似容量或
集油槽與標準機油濾清器容量之和。 輔助機油濾清器
系統需要額外的機油。 有關輔助機油濾清器的容量大
小,請參閱 OEM 技術規格。 關于潤滑劑規格的其他
資料見操作和保養手冊, 保養部分。
注意
如果發動機貯存在或裝運到低于結凍溫度的區域,冷
卻系統必須在最低外界溫度下受到保護,或者完全放
掉以防止損壞。
表 3
404F-E22T 和 404F-E22TA 發動機
加注容量
腔室或系統
最小
最大
注意
為了妥當地防凍和防沸騰, 要常常檢查冷卻液的比
重。
8.9 L
(9.4 qt)
10.6 L
(11.2 qt)
曲軸箱集油槽(1)
潤滑系統總容量(2)
基于以下原因,應清潔冷卻系統:
• 冷卻系統受到污染
• 發動機過熱
(1)
在這些發動機上可以使用多種型式的集油槽。 使用這些數值來
估算加注容量。 使用發動機機油油尺來加注發動機至正確的機
油油位。 在本表中記錄結果。 這些數值是曲軸箱集油槽的近似
容量,其中包括工廠安裝的標準機油濾清器的容量。 安裝了輔
助機油濾清器的發動機將需要額外的機油。 有關輔助機油濾清
器的容量大小,請參閱 OEM 技術規格。
潤滑系統總容量等于曲軸箱集油槽容量與工廠安裝的機油濾清
• 冷卻液起泡
(2)
器及潤滑系統加裝的其它濾清器的容量之和。 在本行中填入潤
滑系統總容量值。
注意
切勿在冷卻系統中未裝水溫調節器的情況下運行發動
機。 水溫調節器幫助保持發動機冷卻液處于正確的工
作溫度。 未裝水溫調節器時,冷卻系統可能逐漸會產
生故障。
冷卻系統
為了正確保養冷卻系統,必須知道冷卻系統總容量。
近似容量適用于發動機冷卻系統。 外部系統容量將隨
應用的不同而變化。 有關外部系統的容量,請查閱原
始設備制造商(OEM)的規格。 需要知道這個容量
數據以便確定整個冷卻系統需要多少冷卻液。
許多發動機故障與冷卻系統有關。 以下故障與冷卻系
統故障有關:過熱、水泵泄漏以及散熱器或熱交換器
堵塞。
表 4
這些故障可以通過正確的冷卻系統保養來加以避免。
冷卻系統的保養與燃油系統和潤滑系統的保養一樣重
要。 冷卻液的質量與燃油和潤滑油的質量一樣重要。
404F-E22T 和 404F-E22TA 發動機
加注容量
腔室或系統
升
夸脫
冷卻液通常由三種成分構成:水、添加劑和乙二醇。
只對發動機
3.91
4.13
水
外部系統(原始設備制造商配備)
(1)
水在冷卻系統中被用來傳遞熱量。
冷卻系統總容量(2)
建議在發動機冷卻系統中使用蒸餾水或去離子水。
(1)
外部系統包括一個散熱器或一個帶有下列部件的膨脹箱:熱交
換器和管道。 請參閱 OEM 技術規格。 在本行中輸入外部系統
容量值。
不要在冷卻系統內使用下列類型的水:硬水、用鹽處
理過的軟化水和海水。
如果沒有蒸餾水或去離子水,使用具有表 5 內所列特
性的水。
(續)
This document has been printed from SPI2. NOT FOR RESALE


![]()
![]()
![]()
![]()
![]()
![]()
![]()
![]()
![]()
SCBU9075
41
保養章節
油液建議
表 5
可使用的水
注:100% 的純乙二醇將在 −13 °C (8.6 °F) 的溫度下
凍結。
特性
最高限值
氯化物(Cl)
40 mg/L
大多數傳統防凍劑使用乙二醇。 也可以使用丙二醇。
當與水按照 1:1 比例混合時,乙二醇和丙二醇提供相
似的防凍和防沸騰保護。 請參閱表 6 和表 7 。
硫酸鹽(SO )
4
100 mg/L
170 mg/L
340 mg/L
表 6
總硬度
總的固體含量
酸度
乙二醇
濃度
50%
60%
防凍保護
pH 值為 5.5 至 9.0
−36 °C (−33 °F)
有關水質分析,請咨詢以下渠道之一:
• 當地自來水公司
−51 °C (−60 °F)
注意
• 農業機構
不要使用乙二醇濃度超過 50% 的丙二醇,因為此時
丙二醇的熱傳導能力會降低。 需要額外的防凍或防沸
保護時,可使用乙二醇。
• 獨立實驗室
添加劑
表 7
丙二醇
添加劑幫助保護冷卻系統的金屬表面。 缺乏冷卻液添
加劑或添加劑量不足能夠促使以下情況的發生:
濃度
防凍保護
50%
−29 °C (−20 °F)
• 腐蝕
• 礦物沉淀物的生成
• 銹蝕
要檢查冷卻液中的乙二醇濃度,請測量冷卻液比重。
推薦的冷卻液
• 水垢
• ELC
• SCA
• ASTM
長效冷卻液
補充用冷卻液添加劑
美國試驗與材料協會
• 冷卻液起泡
在發動機運行期間,許多添加劑會耗盡。 這些添加劑
必須周期性補充。
必須添加添加劑達到正確的濃度。 添加劑濃度過高會
引起抑制劑從溶液中析出。 這些沉淀物可能促使以下
問題的發生:
下面兩種冷卻液用在 Perkins 柴油發動機上:
首選 – Perkins ELC
• 凝膠體的生成
可接受 – 符合 ASTM D6210 技術規范的市售重負荷
防凍劑
• 傳熱的減少
• 水泵密封件的泄漏
• 散熱器、冷卻器和細小通道的堵塞
注意
Perkins 工業用發動機必須使用水和乙二醇比例為
1:1 的混合物。 此濃度允許 NOx 降低系統在高溫環
境中運行。
乙二醇
冷卻液中的乙二醇幫助提供保護,防止以下情況的發
生:
注意
不要使用僅符合 ASTM D3306 技術參數的市售冷卻
液/防凍液。 這類冷卻液/防凍劑是為輕型汽車應用而
配制的。
• 沸騰
• 結凍
Perkins 建議水和乙二醇的混合配比為 1:1。 這種乙二
醇與水的混合液作為防凍液能達到最佳的重負荷性
能。 如果需要提供極冷條件下的保護,水/乙二醇的
比例可提高到 1:2。
• 水泵氣穴
為獲得最佳性能,Perkins 建議使用水/乙二醇溶液
1:1 的混合液。
注:使用將會在最低環境溫度下提供保護的混合液。
This document has been printed from SPI2. NOT FOR RESALE



![]()
![]()
![]()
![]()
![]()
![]()
![]()
![]()
![]()
![]()
42
SCBU9075
保養章節
油液建議
可以使用 SCA 抑制劑和水的混合液,但其防腐蝕、
防沸騰和防凍保護水平不如 ELC。 Perkins 建議在這
類冷卻系統中將 SCA 的濃度保持在 6% 至 8%。 最好
使用蒸餾水或去離子水。
ELC 冷卻系統清潔
注:如果冷卻系統已經在使用 ELC,則不需要在規定
的冷卻液更換周期使用清潔劑。 只有當系統已經被添
加的一些其他類型的冷卻液或冷卻系統損壞污染時,
才需要使用清潔劑。
表 8
冷卻液使用壽命
冷卻液類型
使用壽命 (1)
當 ELC 被排出冷卻系統后,只需用凈水沖洗。
Perkins ELC
6000 個工作小時或 3 年
在加注冷卻系統之前,必須將加熱器控制裝置(如有
配備)設置在熱位置。 請參閱 OEM 信息以設置加熱
器控制裝置。 排空并重新加注冷卻系統后,運行發動
機,直到冷卻劑液位達到正常工作溫度時的液位并保
持穩定。 需要時,添加冷卻液混合液,把系統加注到
規定的液位。
符合 ASTM D6210 要求的市
售重負荷防凍劑
3000 個工作小時或 2 年
市售 SCA 抑制劑和水
3000 個工作小時或 1 年
(1)
使用首個周期。 此時,還必須把冷卻系統沖洗干凈。
更換為 Perkins ELC
ELC
要將重負荷防凍液更換為 Perkins ELC,執行以下步
Perkins 提供用于以下應用的 ELC:
• 重載火花點火式燃氣發動機
• 重型柴油發動機
• 汽車應用
驟:
注意
在檢驗、保養、測試、調整及維修產品時,必須小心
以確保收集好排放出的油液。 在打開任何腔室或拆解
任何儲有液體的部件之前,要準備好用合適的容器收
集液體。
ELC 的防腐成份與其它冷卻液的防腐成份不同。 ELC
是以乙二醇為基礎液的冷卻液。 但是,ELC 包含有機
腐蝕抑制劑和抗沫劑,并且亞硝酸鹽含量低。
Perkins ELC 使用適量的上述添加劑配制而成,能夠
為發動機冷卻系統中的所有金屬部件提供卓越的防腐
蝕保護。
按照本地法規和指令處置所有液體。
1. 把冷卻液排放到適當的容器中。
2. 按照當地法規處置冷卻液。
提供與蒸餾水預先混合的 ELC 溶液。 ELC 混合比為
1:1。 預先混合的 ELC 提供低至 −36 °C (−33 °F) 的
凍結保護。 建議在冷卻系統初次加注時使用這種預混
合 ELC。 也推薦在添補冷卻系統時使用這種預混合
ELC。
3. 使用 33% 的 Perkins ELC 溶液加注冷卻系統,并
操作發動機,確保節溫器開啟。 發動機停機,使發
動機冷卻下來。 排空冷卻液。
注:在溶液中使用蒸餾水或去離子水。
有幾種不同尺寸的容器可供選用。 請向您的 Perkins
經銷商咨詢零件號。
4. 再次使用 33% 的 Perkins ELC 溶液加注冷卻系
統,并操作發動機,確保節溫器開啟。 停止發動
機,并使其冷卻。
ELC 冷卻系統保養
長效冷卻液的正確添加
5. 排放冷卻系統。
注意
不正確或不徹底沖洗冷卻系統,會損壞銅和其它金屬
部件。
注意
僅對珀金斯產品使用預混合或濃縮冷卻液。
把長效冷卻液與其它產品混合降低長效冷卻液的使用
壽命。 不按照建議去做會降低冷卻系統部件使用壽
命,除非采取正確的補救措施。
6. 用 Perkins 預混合 ELC 加注冷卻系統。 運轉發動
機。 確保所有冷卻液閥開啟,然后停止發動機。
當冷卻時,檢查冷卻液液位。
為正確保持防凍液和添加劑之間的平衡,您必須保持
推薦的 ELC 的濃度。 降低防凍液的比例同樣也會降
低添加劑的比例。 降低冷卻液能力,以保護系統,避
免出現點蝕、穴蝕、腐蝕和沉積物。
ELC 冷卻系統污染
注意
注意
不要使用傳統冷卻液來添補加注了長效冷卻液 (ELC)
的冷卻系統。
注意:長效冷卻液( ELC)與其他產品混合會減弱
ELC 的效 果,并 縮短 ELC 的使用壽 命。 僅 使用
Perkins 的預混合或濃縮冷卻液產品。 不遵循這些建
議會縮短冷卻系統部件的使用壽命。
不要使用標準補充用冷卻液添加劑 (SCA)。
使用珀金斯 ELC 時,不要使用標準冷 SCA 或 SCA
濾清器。
ELC 冷卻系統可以承受的最大雜質量為傳統重負荷防
凍劑或 SCA 的 10%。 如果雜質超過系統總容量的
10%,請執行以下步驟之一:
This document has been printed from SPI2. NOT FOR RESALE

![]()
![]()
![]()
![]()
![]()
![]()
![]()
![]()
![]()
![]()
![]()
SCBU9075
43
保養章節
油液建議
• 排放冷卻系統中的冷卻液到適當的容器中。 按照
當地法規處置冷卻液。 使用 5% 到 10% 的
Perkins ELC 溶液沖洗系統。 使用 Perkins ELC
加注系統。
根據測試的結果添加 SCA。 冷卻系統的容量決定了
所需的 SCA 量。
如有必要,用表 11 中的計算公式確定所需的 SCA
量:
表 11
• 按照當地法規排放冷卻系統中的部分液體到適當的
容器中。 接著,用預混合 ELC 加注冷卻系統。 此
程序將把雜質降到 10% 以下。
保養時向重負荷冷卻液中添加 SCA 的計算公式
V × 0.014 = X
• 按照傳統的重負荷冷卻液方法保養系統。 用 SCA
處理系統。 在推薦的傳統重負荷冷卻液的更換周
期更換冷卻液。
V 是冷卻系統的總容量。
X 是所需的 SCA 的數量。
表 12 舉例說明了如何使用表 11 中的公式進行計算。
市售重負荷防凍和 SCA
表 12
保養時向重負荷冷卻液中添加 SCA 的示例
注意
禁止使用防腐保護系統含有胺成份的市售重負荷冷卻
液。
冷卻系統的總容量
乘數
所需的 SCA 的數量
(X)
(V)
15 L (4 US gal)
× 0.014
0.2 L (7 oz)
注意
切勿在冷卻系統中未裝水溫調節器的情況下運行發動
機。 水溫調節器幫助保持發動機冷卻液處于正確的工
作溫度。 未裝水溫調節器時,冷卻系統可能逐漸會產
生故障。
清潔重負荷防凍劑系統
• 在排放舊冷卻液之后或冷卻系統加注新冷卻液之
前,清潔冷卻系統。
檢查防凍劑(乙二醇濃度)以能夠充分防沸和防凍。
Perkins 建議使用折射儀來檢查乙二醇濃度。 應當使
用比重計。
• 只要發現冷卻液被污染或冷卻液起泡,就要清潔冷
卻系統。
Perkins 發動機冷卻系統應當每 500 小時測試一次
SCA 的濃度。
i06565652
根據測試的結果添加 SCA。 可能每 500 小時需要添
加液體的 SCA。
油液建議
(一般燃油資料)
初次加注時向重負荷冷卻液添加 SCA
用表 9 中的計算公式確定初次加注冷卻系統時所需的
SCA 量。
• 詞匯表
表 9
• ISO
國際標準組織
美國試驗與材料協會
初次加注時向重負荷冷卻液中添加 SCA 的計算公式
V × 0.045 = X
• ASTM
V 是冷卻系統的總容量。
• HFRR
用于對柴油進行潤滑性測試的高頻
往復移動式裝置
X 是所需的 SCA 的數量。
• FAME
• CFR
• ULSD
• RME
• SME
• EPA
• PPM
• DPF
脂肪酸甲酯
燃料協調研究
超低硫柴油
表 10 舉例說明了如何使用表 9 中的公式進行計算。
表 10
初次加注時向重負荷冷卻液中添加 SCA 的示例
冷卻系統的總容量
(V)
乘數
所需的 SCA 的數量
(X)
油菜甲基酯
15 L (4 US gal)
× 0.045
0.7 L (24 oz)
大豆甲酯
美國環保署
保養時向重負荷冷卻液中添加 SCA
百萬分之一
所有類型的重負荷防凍劑都需要定期添加 SCA。
柴油微粒濾清器
定期測試防凍劑的 SCA 濃度。 有關具體周期,請參
閱操作和保養手冊, 保養周期表(保養部分)。 冷卻
系統補充用冷卻液添加劑(SCA)- 測試/添加。
This document has been printed from SPI2. NOT FOR RESALE