沃爾沃柴油機 發電機水泵節溫器配件型號清單,沃爾沃發動機機缸蓋、曲軸、連桿、氣門、凸輪軸維修技術資料參數
溫馨提示
寧波日昕動力科技有限公司建立了一套完整的沃爾沃柴油機、柴油發電機零配件供應體系,全天候快速響應,純正的沃爾沃柴油機、柴油發電機配件是您最佳的選擇,因為您所得到的是延長沃爾沃柴油機、柴油發電機動力系統壽命的最佳保證。
網頁中公布的沃爾沃柴油機、柴油發電機發動機配件號與圖片僅為參考,因沃爾沃柴油機、柴油發電機動力系統零配件型號與技術參數太多,沒能全部展示,如有配件與維修技術資料方面的需求,請與本司的在線客服溝通與交流,希望我們能夠幫您節約更多等待備件時間和維修技術方面的困難。
特別聲明:我司只銷售沃爾沃柴油機、柴油發電機原廠配件,需付廠或防品件請繞道,謝謝。
瑞典富豪沃爾沃全系列產品型號有:TD520GE,TAD520G,TD610G,TWD610G,TWD610V,TWD630,TD640,TD710G,TWD710G,TWD710V,TD720G,TAD720G,
TD730G,TAD730G,TAD740G,TWD740G,TD1000G,TD1010G,TWD1010G,TD102,TAD1030G,TD121G,TWD1210V,
TWD1211V,TWD1230VE,TAD1230V,TWD1210G,TWD1211G,TAD1230G,TAD1231G,TAD1232G,TWD1240V,TAD1241G,
TAD1241V,TAD1242G,TWD1630VE,TAD1630G,TAD1631VE,TAD1631G,TAD1642G。


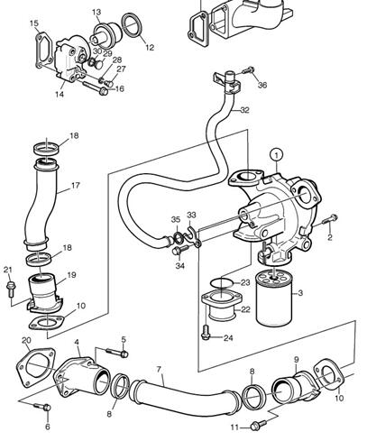
水泵節溫器配件清單
|
# |
Part no |
Qty |
Description |
|
1 |
1 |
Water pump | |
|
1 |
1 |
||
|
2 |
947790 |
4 |
Flange screw |
|
3 |
20532237 |
1 |
Coolant filter |
|
4 |
1677855 |
1 |
Pipe connection |
|
For three screw | |||
|
5 |
945444 |
1 |
Flange screw |
|
L=40mm | |||
|
6 |
948217 |
2 |
Flange screw |
|
L=30mm | |||
|
7 |
20713197 |
1 |
Coolant pipe |
|
-8170314 | |||
|
8 |
1547254 |
2 |
Sealing ring |
|
9 |
8170513 |
1 |
Pipe connection |
|
10 |
8170514 |
1 |
Gasket |
|
11 |
946173 |
2 |
Flange screw |
|
12 |
1544710 |
1 |
Sealing ring |
|
13 |
8149182 |
1 |
Thermostat |
|
14 |
3832971 |
1 |
Connector |
|
15 |
8170519 |
1 |
Gasket |
|
16 |
471734 |
2 |
Flange screw |
|
17 |
8170319 |
1 |
Coolant pipe |
|
18 |
1547254 |
2 |
Sealing ring |
|
19 |
8170513 |
1 |
Pipe connection |
|
20 |
8170515 |
1 |
Gasket |
|
21 |
946173 |
2 |
Flange screw |
|
22 |
3943401 |
1 |
Coolant pipe |
|
23 |
925255 |
1 |
O-ring |
|
24 |
946173 |
2 |
Flange screw |
|
25 |
20585610 |
1 |
Pipe |
|
-20463008 | |||
|
26 |
965181 |
2 |
Flange screw |
|
27 |
960632 |
1 |
Plug |
|
28 |
11998 |
1 |
Gasket |
|
29 |
942352 |
1 |
Plug |
|
30 |
947628 |
1 |
Gasket |
|
31 |
8149301 |
1 |
Gasket |
|
32 |
20449272 |
1 |
Filler pipe |
|
-3979791 | |||
|
33 |
1546531 |
1 |
Lock brace |
|
34 |
946440 |
1 |
Flange screw |
|
35 |
471708 |
1 |
Rubber moulding |
|
36 |
945444 |
1 |
Flange screw |
沃爾沃發動機機缸蓋、曲軸、連桿、氣門、凸輪軸維修技術資料參數
發動機控制系統
傳感器距離
飛輪. . . . . . . . . . . . . . . . . . . . . . . . . . . . . . . . . . . . . . . . . . . . . . . . . . . . . . . . . . . . . . . 0.75 — 2.10 mm
磨損公差
缸蓋
最小高度. . . . . . . . . . . . . . . . . . . . . . . . . . . . . . . . . . . . . . . . . . . . . . . . . . . . . . . . . . . . . . . . . 134.6 mm
曲軸
主軸承和主軸承頸最大允許不圓度. . . . . . . . . . . . . . . . . . . . . . . . . . . . . . . . . . . . . . . . . . . . . . . . 0.08 mm
主軸承和主軸承頸最大允許錐度. . . . . . . . . . . . . . . . . . . . . . . . . . . . . . . . . . . . . . . . . . . . . . . . . 0.05 mm
曲軸最大軸向間隙. . . . . . . . . . . . . . . . . . . . . . . . . . . . . . . . . . . . . . . . . . . . . . . . . . . . . . . . . . 0.40 mm
連桿
平直度,測量長度每100 mm的最大偏差. . . . . . . . . . . . . . . . . . . . . . . . . . . . . . . . . . . . . . . . . . . . 0.05 mm
扭轉,測量長度每100 mm 的最大偏差. . . . . . . . . . . . . . . . . . . . . . . . . . . . . . . . . . . . . . . . . . . . 0.10 mm
氣門
氣門桿最大允許磨損值. . . . . . . . . . . . . . . . . . . . . . . . . . . . . . . . . . . . . . . . . . . . . . . . . . . . . . . 0.02 mm
氣門桿與氣門導管之間的最大允許間隙:
進氣門. . . . . . . . . . . . . . . . . . . . . . . . . . . . . . . . . . . . . . . . . . . . . . . . . . . . . . . . . . . . . . . . . . 0.30 mm
排氣門. . . . . . . . . . . . . . . . . . . . . . . . . . . . . . . . . . . . . . . . . . . . . . . . . . . . . . . . . . . . . . . . . . 0.45 mm
氣門頭邊緣應最少為:
進氣門. . . . . . . . . . . . . . . . . . . . . . . . . . . . . . . . . . . . . . . . . . . . . . . . . . . . . . . . . . . . . . . . . . 1.40 mm
排氣門. . . . . . . . . . . . . . . . . . . . . . . . . . . . . . . . . . . . . . . . . . . . . . . . . . . . . . . . . . . . . . . . . . 1.55 mm
對氣門座進行磨削后,從氣門頭(新氣門)到氣缸蓋表面的距離的最大值不能超出最大值:
進氣門. . . . . . . . . . . . . . . . . . . . . . . . . . . . . . . . . . . . . . . . . . . . . . . . . . . . . . . . . . . . . . . . . . . 1.0 mm
排氣門. . . . . . . . . . . . . . . . . . . . . . . . . . . . . . . . . . . . . . . . . . . . . . . . . . . . . . . . . . . . . . . . . . . 1.0 mm
超過該值時,應更換氣門座。
凸輪軸
最大允許不圓度(帶新軸承) . . . . . . . . . . . . . . . . . . . . . . . . . . . . . . . . . . . . . . . . . . . . . . . . . . . 0.05 mm
軸承允許磨損值. . . . . . . . . . . . . . . . . . . . . . . . . . . . . . . . . . . . . . . . . . . . . . . . . . . . . . . . . . . . 0.05 mm
最小升程高度:
進氣門. . . . . . . . . . . . . . . . . . . . . . . . . . . . . . . . . . . . . . . . . . . . . . . . . . . . . . . . . . . . . . . . . . 7.80 mm
排氣門. . . . . . . . . . . . . . . . . . . . . . . . . . . . . . . . . . . . . . . . . . . . . . . . . . . . . . . . . . . . . . . . . . 7.35 mm
VOLVO配件,VOLVO速度控制模塊,VOLVO沉淀杯總成,富豪沃爾沃起動機,VOLVO水泵,VOLVO儀表,沃爾沃充電發電機21935701,沃爾沃充電發電機,沃爾沃充電發電機21289221,原裝沃爾沃配件,沃爾沃充電發電機3803881,沃爾沃TAD734GE充電發電機,沃爾沃充電發電機3803881,沃爾沃充電發電機,沃爾沃TAD1631GE充電發電機,沃爾沃TD720GE充電發電機,沃爾沃充電發電機873771,沃爾沃充電發電機3173821,沃爾沃TAD520GE充電發電機,沃爾沃TD720GE充電發電機,沃爾,TAD520GE充電發電機,沃爾沃充電發電機21289221,沃爾沃TAD734GE充電發電機,沃爾沃TAD1631GE充電發電機,