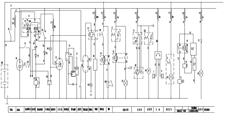
三一挖掘機新版電氣系統
1. 三一挖掘機電氣系統構成與功能
1.1三一挖掘機電氣結構、功能
電源系統:24V蓄電池(2塊12V串聯),帶整流的27V交流發電機。
電控系統:一臺EPS控制器或者一臺EC-7控制器,5個壓力傳感器、9個壓力開關、2個比例閥、4個電磁閥、1個步進電機驅動器、1個油門旋鈕傳感器、1個油門位置傳感器、1個水溫傳感器、1個柴油油位傳感器、1個機油壓力傳感器、1個發動機轉速傳感器(脈沖量)。其中EC-7控制器包含一塊EC-7綜合轉換板,實現通信規約轉換、發動機頻率匹配等功能。
其它部分:空調、收音機、雨刷、大燈等。


1.2三一挖掘機模擬量傳感器配置及其關系
前泵有主壓傳感器和負壓傳感器,后泵有主壓傳感器和負壓傳感器,主閥有背壓傳感器;這5個傳感器用于采集兩個變量泵的工作狀態,從而對其排量進行調節,以維持整機的最經濟、有效運行。(P=pq,q=Vn)
油門旋鈕傳感器采集當前油門旋鈕的位置,控制器根據該采樣值確定當前檔位,進而將發動機調節到與之對應的轉速。
油門位置傳感器采集當前發動機油門開度,是發動機轉速調節過程中的反饋值。
水溫傳感器、柴油油位傳感器和機油壓力傳感器一方面用于向用戶顯示水溫、柴油量和機油壓力,另一方面提供越限報警功能。
1.3三一挖掘機脈沖傳感器
1路脈沖傳感器信號用于采集發動機當前轉速,發動機每旋轉一周,傳感器發出127個脈沖。如果控制器使用EC-7,該信號經過EC-7綜合轉換板整形并4分頻處理后送入控制器。
1.4三一挖掘機開關量采集器配置及作用
9個油壓力開關包括鏟斗挖掘、鏟斗卸載、斗桿挖掘、斗桿卸載、動臂提升、動臂下降、左回轉、右回轉和行走,控制器通過這些壓力開關獲取當前挖機的動作信息,用于電控調節的依據。
其它開關量包括:一個二次升壓按鈕用于5秒鐘的壓力補償、一個啟動和一個熄火開關量用于獲取鑰匙開關的當前位置。一個先導開關量用于獲取先導手柄是否在“鎖定”位置。
1.5 三一挖掘機開關量輸出配置及作用
1路步進方向輸出,用于控制步進電機旋轉方向。
1路啟動繼電器輸出,用于發動機啟動(給啟動電機上電)。
1路預熱繼電器輸出,用于溫度過低時啟動預熱。
1路熄火繼電器輸出,用于發動機熄火后維持3秒鐘的蓄電池供電,以便于電控系統作一些收尾工作。
1路二次升壓輸出,用于驅動二次升壓閥。
1路液壓先導輸出,用于驅動液壓先導閥。
1路高速行駛輸出,用于驅動高速行駛閥。
1.6 PWM輸出配置及作用
1路步進脈沖輸出,用于驅動步進電機。該脈沖與步進方向輸出一起控制發動機的升速和降速。
2路比例閥控制輸出,用于前泵和后泵的排量調節,輸出電流越大,泵排量越小。
2. 三一挖掘機電氣控制原理
2.1三一挖掘機發動機執行機構的構造與調節原理
發動機轉速調節系統包括:控制器(EPS或者EC-7)、觸摸屏、蓄電池、鑰匙開關、啟動電機、水溫傳感器、發動機轉速傳感器、預熱器、步進電機驅動器、步進電機、油門機構。
三一挖掘機發動機轉速控制器主要流程如下:
正常情況下使發動機運行在油門旋鈕檔位對應的轉速下。
啟動時不管油門旋鈕停在幾檔,都運行在1檔轉速,直到用戶改變檔位。
發動機運行在4檔以上(包括4檔),并且觸摸屏上自動怠速按鈕有效時,如果5秒鐘沒有負荷,發動機將進入怠速狀態,控制器自動將轉速調到1400轉/分,以節約燃油、降低噪音。在怠速狀態下如果控制器檢測到動作或者檔位變化,則自動恢復到相應檔位轉速。
發送機運行在4檔以下(不包括4檔),如果有動作,控制器自動將轉速提高到1400轉,以防止由于轉速過低而懣車熄火。
2.2三一挖掘機啟動過程
1、鑰匙開關達到上電位置,整車得電,控制器啟動,自檢。
2、鑰匙開關打到啟動位置,控制器檢查水溫,如果低于3度,啟動預熱器。不管是否預熱,都將油門位置調節到1檔,使啟動電機得電,帶動發動機運轉。
3、等待發動機轉速達到800轉,停止啟動電機,啟動成功。此時用戶可以松開鑰匙開關,使其自動返回上電位置。(EPS控制器如果啟動成功后用戶不松開鑰匙開關,啟動電機會繼續運行,EC-7已經做了改進。)
4、為了防止由于發動機啟動故障而損壞蓄電池,控制器具有如下保護:如果從開始啟動計時3秒仍未啟動成功,不管用戶是否松開鑰匙開關,都強行停止啟動電機,等待用戶重新啟動。如果連續三次啟動失敗,需要整車斷電后才可以再次啟動。
2.3 三一挖掘機熄火過程
鑰匙開關打到熄火位置,控制器使熄火繼電器閉合。
使發動機持續減速(方向繼電器失電,輸出步進脈沖)。
等待其轉速降到600轉以下(此轉速不可能再維持其運行,必然會停下來),停止減速控制輸出(停止步進脈沖的輸出)。
等待發動機轉速為0。
3秒后分開熄火繼電器,整車斷電,熄火成功。
2.4三一挖掘機調速過程
1、控制器讀取當前用戶設定的檔位值,在內部查表得到對應的轉速的油門位置(轉速越高對應的油門位置值越小),然后和當前的油門位置比較。
2、如果當前轉速高過設定值50轉(油門位置值比設定值小),則輸出步進脈沖,同時使方向繼電器分開(減速)。
3、如果當前轉速低過設定值50轉(油門位置值比設定值大),則輸出步進脈沖,同時使方向繼電器閉合(升速)。
4、如果當前轉速在設定值的正負50轉之內(EC-7的控制精度提高到了正負30轉),則不做任何動作。
2.5 三一挖掘機轉速自動校準(EPS沒有)
一般作為挖機下線之前的最后一道工序,不過如果挖機在外長時間運行后轉速偏差較大,也可以由服務人員進行再次校準。所需工具:
大十字螺絲刀一把,用于打開后蓋板;
兩線短路插頭一個,用于連通校準端口。
具體步驟如下:
打開后蓋板。
將油門旋鈕打到1檔,啟動發動機。將模式改成H。
在觸摸屏上點擊“系統”,輸入口令后進入監控界面,觀察當前轉速,如果轉速在900-1100范圍之外,需要手工調節油門拉桿到此范圍之內。(新機下線必需,二次校準如果不是所有檔都向一個方向偏則不需要)
將短路插頭插入校準端口(在EC-7控制器上方)。
2.5 三一挖掘機轉速自動校準(續)
5. 緩慢將油門旋鈕轉到11檔(在每一檔至少停留1秒),觀察當前轉速,等待其穩定在2200轉左右時(大約需1-5秒),將油門旋鈕轉到10檔,依此類推,直至1檔。
6. 拔下校準端口上的短路插頭。
7. 檢查各檔位轉速是否合格。
8. 點擊觸摸屏,返回主顯示界面。
9. 檢查各檔位是否跳檔。
10. 如果步驟7或步驟9發現異常,可以從步驟4開始重復整個過程,重新校準一次。
11. 檔位及轉速都正常后,合上后蓋板。(須確認短路插頭已經拔下)
12. 熄火。(熄火前必須再次確認短路插頭已經拔下,否則本次校準可能不會生效)
2.6三一挖掘機步進電機驅動器
步進電機驅動器(簡稱步驅)負責接受控制器的指令驅動步進電機以設定的速度正轉或反轉,以調節發動機油門開度,進而實現對發動機轉速的動態調節。步驅從控制器接收兩個信號,一個步進方向(開關量),一個步進脈沖(PWM),其中步進方向控制步進電機旋轉的方向,步進脈沖控制步進電機旋轉的速度。
其中步進脈沖方面EPS控制器和EC-7控制器的接線方式有所不同:EPS控制器的PWM輸出為低電平有效,EC-7控制器的PWM輸出為高電平有效。而步驅的脈沖輸入有兩根線(一正一負)。所以對于EPS控制器,步驅的正接24V電源(29號線),步驅的負接控制器步進脈沖輸出。而對于EC-7控制器,步驅的正接控制器步進脈沖輸出,步驅的負接地(0號線)。
2.7三一挖掘機變量泵流量調節系統
變量泵流量調節原理如下:
1、每個泵都有一個主壓傳感器和一個負壓傳感器,其中主壓為液壓泵出口壓力,負壓為不做功流量壓力,另外兩個泵還有一個公共的背壓,反映液壓系統的回油壓力。
2、因為主壓反映液壓泵出口壓力,所以主壓乘以流量就正比與液壓泵輸出功率。所以如果希望輸出功率恒定,則需要在主壓升高的時候減少排量(增大比例閥電流),主壓降低的時候增加排量(減小比例閥電流)。
3、另一方面,負壓反映液壓泵不做功流量壓力,越大表示不做功流量越多,就意味著用戶需要的排量越小,其物理意義就是操作手柄的動作幅度越小(某一確定轉速下負壓最大的時候是用戶沒有動任何一個手柄的時候)。所以根據負壓可以計算出用戶需求功率的大小。(實際上參與計算的值是負壓-背壓,因為兩個壓力的差值才反映實際的不做功流量。其實從理論上講主壓計算的時候也應該減去背壓,只不過與主壓相比背壓實在太小,才忽略不計。但負壓與背壓是一個數量級,所以不可以忽略)
4、根據負壓算出的需求功率如果大于發動機輸出功率,說明用戶需求功率已經超出了發動機的輸出能力,此時液壓泵的功率只能等于發動機最大功率,而不能完全滿足用戶要求,所以比例閥控制電流按照根據主壓計算出的與發動機最大功率對應的電流輸出。此時挖機在自己的能力范圍之內以最快的速度動作。
5、如果根據負壓計算出的需求功率小于發動機輸出功率,說明用戶不希望挖機以最快的速度動作,所以此時的比例閥控制電流按照根據負壓計算出的電流值輸出。此時挖機的動作與用戶操作手柄的幅度基本成正比。
3. 三一挖掘機常見故障的分析
以下故障分析適用于經過初步分析、檢查,已經排除液壓系統、發動機本身、燃油等電氣系統以外故障的情況下。
1. 無法啟機啟動電機故障,鑰匙開關損壞,啟動繼電器故障,水溫傳感器故障,控制器(EPS/EC-7)故障,
原理分析
三一挖掘機發動機啟動過程為:鑰匙開關旋轉到“啟動”位置,11號線得電;控制器檢測到11號線得電,檢測當前水溫,如果低于3攝氏度,閉合預熱繼電器(K7),同時閉合啟動繼電器(K3),此時啟動電機得電帶動發動機旋轉,直到達到預定啟動轉速(800轉/分),然后控制器分開啟動繼電器,啟動電機失電停止旋轉,啟動成功。
故障排查線索
首先查看觸摸屏顯示是否正常,如果水溫、油位、機油壓力全為零,則可能是控制器沒有上電,需要檢查42號線的保險絲是否燒斷。
確認鑰匙開關打到“啟動”位置時啟動電機是否旋轉(如果旋轉應該可以聽到聲音),如果啟動電機旋轉,并且發動機本身和供油系統也沒有問題,可以檢查油門位置傳感器的顯示值是否在1檔位置(約為3V左右)。如果偏離此值太多,則說明油門驅動機構可能有問題(即使啟動成功也將會難以升速和熄火),解決方法參見下面的“無法升速和熄火”部分。
如果啟動電機不旋轉,則需要在觸摸屏上查看鑰匙開關達到“啟動”位置時啟動繼電器是否有輸出,如果有輸出,則說明啟動繼電器(K3)或者啟動電機可能已經損壞,或者兩者的接線有問題。
如果開關量無輸出,需要檢查鑰匙開關打到“啟動”位置時控制器是否檢測到11號線得電(查看觸摸屏輸入表中“發動機啟動”對應的開關量輸入是否有效),如果控制器可以檢測到11號線上電,并且13號線也一直保持得電狀態,則說明可能是控制器故障。(早期出廠的少量機器可能在水溫過低時保持預熱8秒后才啟動,所以如果觸摸屏顯示水溫為0,可以將鑰匙開關停在“啟動”位置8秒以上,看其是否可以啟動。)
如果鑰匙開關打到“啟動”位置時控制器檢測不到11號線上電,則說明可能是鑰匙開關的故障。
2 三一挖掘機無法升速和熄火(始終運行在1檔轉速)
步進電機驅動器故障
步進電機故障
油門位置傳感器故障
EPS/EC-7故障
調速過程說明:
控制器通過方向繼電器和步進脈沖控制步驅發出正轉或者反轉信號,步進電機在步驅發出的信號的驅動下旋轉,直到油門位置傳感器的采樣值到達設定值附近。無法升速和熄火說明步進電機不旋轉。
故障排查線索:
首先檢查油門位置傳感器的采樣值是否在1檔附近(3V左右),如果偏差較大,則說明油門位置傳感器損壞。
如果油門位置傳感器正常,需要將油門旋鈕打到較高檔位,然后查看觸摸屏上輸出表中的方向繼電器輸出是否有效。如果無效,說明可能是控制器故障。
如果方向繼電器有輸出,需要檢查步進脈沖有無輸出。
具體方法為:可以使用帶頻率測量的萬用表測量29號線和701號線(EPS)或者701號線和0號線(EC-7)之間的頻率,EPS的頻率應該在80Hz左右,EC-7的頻率應該在350Hz左右。如果所測頻率基本沒有或偏差太大,則說明可能是控制器故障。如果所用萬用表沒有頻率測量功能,可以簡單的使用直流電壓檔測量兩線之間的平均電壓,如果有脈沖輸出,所測電壓應該為電源電壓(28V)的一半左右。
3 三一挖掘機啟動后轉速不正常
油門位置傳感器損壞
步進電機故障
EPS/EC-7故障
轉速傳感器故障
4. 三一挖掘機EC-7系統介紹
4.1 研發背景介紹
(1)現場出現的質量問題比較多。(損壞、控制效果差)
(2)供應商規模過小,工藝質量不高,在質量保障方面難以達到高品質的要求。
(3)程序由供應商實現,難以實現控制技術的改進和所有權的保護。
(4)代碼均由匯編語言編寫,在可讀性和擴充性方面有很大的約束。
(5)受硬件平臺的約束,控制器廠商無法提供二次軟件開發平臺,所有工作必須在原代碼級實現,對工程師有較高的技術要求。
(6)EPS的應用功能有待進一步的改進和完善,如增加遠程通信系統,支持遠程監控與診斷,歷史事件記錄、GPS、遠程下載程序等。
(7)開發具有自主知識產權的控制產品是市場競爭的需要,是降低產品成本、提高產品核心競爭力、樹立和鞏固行業領袖地位的主要手段和必由之路。
(8)國外相關的工業巨頭,如CAT、小松、VOLVO、利勃海爾等,均擁有自主的電氣控制系統和產品,很多重工產品性能的提高依靠控制系統和控制技術的不斷提高和創新。
4.2 三一挖掘機控制系統結構

4.3 三一挖掘機EC-7的主要特色與優勢
EC-7在全面提高三一挖掘機的控制品質方面已全面超越了原系統,體現在:
可靠性
(1)改進轉速控制算法,大幅提高油門調節機構有效壽命。
(2)增加液壓泵保護功能,在非正常工作狀態,保護液壓泵免受不必要的沖擊。
可操作性
(1)改進防走偏算法,30米最大走偏量由80厘米標準提高到20厘米以內。
(2)改進液壓泵控制算法,操作手感更加靈活、舒服。
(3)增加抑制抖動的控制算法,消除了伸臂抖動的問題。
精確性
(1)增加轉速自動校準功能,不僅將轉速偏差由正負50轉提高到正負30轉,而且不再需要手動調整轉速。
經濟性
(1)轉速控制更加先進,節油效果更好。
(2)可靠性提高后,有效降低現場故障率,減少售后服務成本。
5. 三一挖掘機防盜鎖機介紹
5.1 功能與目的
1、避免用戶拆除或更改挖掘機電氣線路,逃避還貸;
2、敦促假定用戶及時還貸;
3、對惡意欠款或沒有及時還貸的用戶提出警告和防盜;
4、鎖機后能夠保留部分挖掘機的自助功能;
5、用戶還清當月貸款后能夠恢復用戶使用挖掘機的全部功能,解除防盜;
6、能夠防止用戶私自解除防盜;
7、不影響全款用戶使用。不影響貸款用戶在非防盜范圍內使用
5.2 三一挖掘機原理簡述
觸摸屏上有日期,可以以此作為日期判據;
告警時間、提示及措施
每月5日:還款提示(請在15日前還款,否則欠款將停機。交款后及時向營銷人員索取開機密碼);
每月15日:還款警告(系統因欠費將在24小時內防盜,請及時交納欠費);
每月18日:鏟斗、斗桿鎖定最大電流(系統因欠費停機,請及時交納欠費并索取密碼);
每月20日:發動機轉速鎖定四檔(系統因欠費停機,請及時交納欠費并索取密碼);
密碼生成要素:
機器號(6位)、當前日期;
觸摸屏增加輸入本機密碼的頁面,輸入完成后進行解析,并將判別結果傳輸到控制器中;
當控制器與顯示器通信不上時,進入防盜狀態(限制發動機轉速為4檔),防止惡意破壞觸摸屏
密碼輸入當月不進行停機判斷。
5.3 三一挖掘機操作注意事項
1、時間的查看,確定時間是正確的,表明是正確鎖機,需要解鎖。
2、鎖機組成:觸摸屏鎖機程序+EPS鎖機程序,在司燒錄和激活。
3、密碼生成要素,確認機器型號和機號,與融資信用部門核對。
4、用戶本身解鎖的問題,如果前幾期已經解過密碼的,可以指導用戶解密,但是需要防止用戶私自騙取密碼的情況。
5、觸摸屏出現鎖機畫面,沒有鎖機,是屬于EPS沒有安裝鎖機程序。
6、解鎖的過程。
7、出現鎖機后無法解鎖的情況應當按照一下流程處理:

查看當前機器的機型機號
根據機型機號查看確認機器的機主
向融資信用部門防盜專員核對根據前面兩條的信息和信用情況,申請前一次密碼正確性的核對,防止密碼傳遞錯誤。
根據融資信用部門進一步指示工作
如果還是無法解鎖,緊急情況下申請換屏,并填寫故障表連帶郵寄回公司作進一步檢查。
等待配合作進一步相關工作
5.4 三一挖掘機可能容易出現的問題
1、已經解過鎖的機器,如果出現無法解鎖,可能的原因是:密碼生成要素錯誤、解鎖密碼輸入有誤、用戶騙取密碼。
2、第一次鎖機的用戶,如果出現無法解鎖,可能的原因是:密碼生成要素錯誤、解鎖密碼輸入有誤、用戶騙取密碼、密碼程序版本不是正式應用版本。
3、出現鎖機畫面,未鎖機,可能的原因是:EPS沒有安裝鎖機程序。
除了以上原因,在正式版本的鎖機程序中尚未出現無法解鎖的情況。