卡特彼勒365C和385C挖掘機數據鏈路電路

|
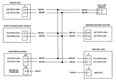
Cat 數據鏈路電路示意圖 |
當機器 ECM 在 10 分鐘的時間段內與 Cat 數據鏈路間失去通信的次數達到 10 次時會記錄此診斷代碼。 該事件在保持可靠的通信傳輸超過十分鐘之前保持激活狀態。
系統響應:
該故障會導致記錄一些無法解釋的 ECM 事件。 監控系統不能與該 ECM 通信,或者 ECM 看似在間歇性通信。
測試步驟 1. 確認硬件和軟件的零件號。
確認下列信息正確:
監控系統配置軟件的零件號
機器 ECM 閃存軟件的零件號
監控系統 ECM 的零件號
機器 ECM 的零件號
注: 請咨詢制造產品的業務部門,了解配置軟件的正確零件號。
預期結果:
所有零件號都正確。
結果:
正常 - 所有零件號都正確。 繼續測試步驟 2。
不正常 - 部分零件號不正確。
修復: 所安裝的監控系統 ECM 或機器 ECM 具有錯誤的零件號,或者安裝了錯誤的配置軟件。 利用具有正確零件號的模塊更換不正確的監控系統 ECM 或機器 ECM。 閃存正確的配置軟件。 請參閱本手冊的測試與調整, "電子控制模塊 - 閃存編程"部分。
停止
測試步驟 2. 檢查線束連接。
將斷路開關轉到 OFF 位置。
檢查與 Cat 數據鏈路有關的所有線束的連接情況。確保接頭清潔且連接緊密。
檢查接頭是否正確配對。
檢查接頭上的導線。
檢查各導線的絕緣層有無缺口或磨損的痕跡。
檢查接頭上有無水氣。
檢查接頭觸點是否存在污垢或腐蝕。
檢查機器線束接頭的每個觸針和插孔。
預期結果:
機器線束接頭連接緊密、無腐蝕現象。
結果:
正常 - 機器線束接頭連接緊密、無腐蝕現象。 繼續測試步驟 3。
不正常 - 需要修理機器線束接頭。
修復: 修理或更換機器線束。
停止
測試步驟 3. 檢查是否對地短路
斷路開關仍保持在 OFF 位置。
從使用 Cat 數據鏈路的所有電子控制模塊上斷開機器線束。
在機器 ECM 的機器線束上,測量機架接地與 Cat Data Link 電路的接頭觸點 J1-8(導線 893-GN)以及觸點 J1-7(導線 892-BR)之間的電阻。
預期結果:
電阻大于 5000 歐姆。
結果:
正常 - 電阻大于 5000 歐姆。 線束電路的電阻正確。 繼續測試步驟 4。
不正常 - 電阻小于 5000 歐姆。 機器線束出現故障。
修復: 機架接地與機器線束中的 Cat 數據鏈路電路之間存在短路。 修理或更換機器線束。
停止
測試步驟 4. 檢查是否對蓄電池正極短路
斷路開關仍保持在 OFF 位置。
所有相關電子控制模塊仍保持與機器線束的斷開狀態。
在機器 ECM 的機器線束接頭上執行下列檢查:
測量接頭觸點 J2-1(導線 130-RD)與接頭觸點 J1-8(導線 893-GN)之間的電阻。
測量接頭觸點 J2-1(導線 130-RD)與接頭觸點 J1-7(導線 892-BR)之間的電阻。
預期結果:
電阻大于 5000 歐姆。
結果:
正常 - 線束電路的電阻正確。 繼續測試步驟 5。
不正常 - 電阻小于 5000 歐姆。 機器線束出現故障。
修復: 蓄電池正極觸針與機器線束中的 Cat 數據鏈路電路之間短路。 修理或更換機器線束。
停止
測試步驟 5. 檢查線束是否開路
斷路開關仍保持在 OFF 位置。
所有相關電子控制模塊仍保持與機器線束的斷開狀態。
檢查機器線束中 Cat Data Link 電路的連續性。
測量監控系統 ECM 的接頭觸點 CN1-8(導線 892-BR)與機器 ECM 的接頭觸點 J1-7(導線 892-BR)之間的電阻。
測量監控系統 ECM 的接頭觸點 CN1-7(導線 893-GN)與機器 ECM 的接頭觸點 J1-8(導線 893-GN)之間的電阻。
預期結果:
電阻小于 5 歐姆。
結果:
正常 - 電阻小于 5 歐姆。 機器線束中的 Cat 數據鏈路回路正常。 繼續測試步驟 6。
不正常 - 電阻大于 5 歐姆。 機器線束出現故障。
修復: 機器線束中的 Cat Data Link 電路是開路。 修理或更換機器線束。
停止
測試步驟 6. 檢查有無其它電子控制模塊的診斷代碼。
重新連接所有使用 Cat 數據鏈路的電子控制模塊。
將斷路開關和鑰匙起動開關轉到 ON 位置。
確認當前監控系統顯示的任何激活事件。 通過按鍵盤上的 "OK" 鍵完成此過程。
按鍵盤上的 "MENU(菜單)"鍵訪問 "MAIN MENU(主菜單)"。
按鍵盤上的 "2" 鍵進入 "EVENT MENU(事件菜單)"。
按鍵盤上的 "1" 鍵進入子菜單 "ACTIVE EVENTS(激活事件)"。
在鍵盤上,按 "MORE(更多)"鍵顯示 CID 和 FMI 信息。 利用向前和向后箭頭鍵滾動查看激活事件列表。
預期結果:
事件列表中有其他電子控制模塊 (ECM) 的診斷代碼。
結果:
正常 - 事件列表中有其他電子控制模塊 (ECM) 的診斷代碼。
修復: 機器 ECM 出故障。 ECM 不太可能會出現故障。 退出本步驟。 重新執行本步驟。如果沒有找到故障,則需更換 ECM。
停止
不正常 - 事件列表中沒有其它電子控制模塊(ECM)的診斷代碼。
修復: 監控系統 ECM 出現故障。 ECM 不太可能會出現故障。 退出本步驟。 重新執行本步驟。如果沒有找到故障,則需更換 ECM。 請參閱本手冊的測試和調整, "電子控制模塊(ECM)- 更換"一節。
停止
當卡特彼勒365C和385C挖掘機監控系統 ECM 未通過 Cat 數據鏈路收到來自機器 ECM 的預期信息時記錄此診斷代碼。
系統響應:
依據來自 Cat 數據鏈路信息的不同,此故障可導致讀數顯示錯誤的信息。
測試步驟 1. 確認硬件和軟件的零件號。
確認下列信息正確:
監控系統 ECM 閃存軟件的零件號
機器 ECM 閃存軟件的零件號
監控系統 ECM 的零件號
機器 ECM 的零件號
注: 請咨詢制造產品的業務部門,了解配置軟件的正確零件號。
預期結果:
所有零件號都正確。
結果:
正常 - 所有零件號都正確。 繼續測試步驟 2。
不正常 - 部分零件號不正確。
修復: 所安裝的監控系統 ECM 或機器 ECM 具有錯誤的零件號,或者安裝了錯誤的配置軟件。 利用具有正確零件號的模塊更換不正確的監控系統 ECM 或機器 ECM。 閃存正確的配置軟件。 請參閱本手冊的測試與調整, "電子控制模塊(ECM)- 閃存編程"部分。
停止
測試步驟 2. 檢查線束連接。
將斷路開關轉到 OFF 位置。
檢查與 Cat 數據鏈路有關的所有線束的連接情況。確保接頭清潔且連接緊密。
檢查接頭是否正確配對。
檢查接頭上的導線。
檢查各導線的絕緣層有無缺口或磨損的痕跡。
檢查接頭上有無水氣。
檢查接頭觸點是否存在污垢或腐蝕。
檢查機器線束接頭的每個觸針和插孔。
預期結果:
機器線束接頭連接緊密、無腐蝕現象。
結果:
正常 - 機器線束接頭連接緊密、無腐蝕現象。 繼續測試步驟 3。
不正常 - 需要修理機器線束接頭。
修復: 修理或更換機器線束。
停止
測試步驟 3. 檢查是否對地短路
斷路開關仍保持在 OFF 位置。
從使用 Cat 數據鏈路的所有電子控制模塊上斷開機器線束。
在監控系統 ECM 的機器線束上,測量機架接地與 Cat 數據鏈路接頭觸點 J1-7(導線 892-BR)和 J1-8(導線 893-GN)間的電阻。
預期結果:
電阻大于 5000 歐姆。
結果:
正常 - 電阻大于 5000 歐姆。 線束電路的電阻正確。 繼續測試步驟 4。
不正常 - 電阻小于 5000 歐姆。 機器線束出現故障。
修復: 機架接地與機器線束中的 Cat 數據鏈路電路之間存在短路。 修理或更換機器線束。
停止
測試步驟 4. 檢查是否對蓄電池正極短路
斷路開關仍保持在 OFF 位置。
所有相關電子控制模塊仍保持與機器線束的斷開狀態。
在機器 ECM 的機器線束接頭上執行下列檢查:
測量接頭觸點 J2-1(導線 130-RD)與接頭觸點 J1-7(導線 892-BR)之間的電阻。
測量接頭觸點 J2-1(導線 130-RD)與接頭觸點 J1-8(導線 893-GN)之間的電阻。
預期結果:
電阻大于 5000 歐姆。
結果:
正常 - 線束電路的電阻正確。 繼續測試步驟 5。
不正常 - 電阻小于 5000 歐姆。 機器線束出現故障。
修復: 蓄電池正極觸針與機器線束中的 Cat 數據鏈路電路之間短路。 修理或更換機器線束。
停止
測試步驟 5. 檢查線束是否開路
斷路開關仍保持在 OFF 位置。
所有相關電子控制模塊仍保持與機器線束的斷開狀態。
檢查機器線束中 Cat Data Link 電路的連續性。
測量監控系統 ECM 的接頭觸點 CN1-8(導線 892-BR)與機器 ECM 的接頭觸點 J1-7(導線 892-BR)之間的電阻。
測量監控系統 ECM 的接頭觸點 CN1-7(導線 893-GN)與機器 ECM 的接頭觸點 J1-8(導線 893-GN)之間的電阻。
預期結果:
電阻測量值應于 5 歐姆。
結果:
正常 - 電阻小于 5 歐姆。 機器線束中的 Cat 數據鏈路回路正常。 繼續測試步驟 6。
不正常 - 電阻大于 5 歐姆。 機器線束出現故障。
修復: 機器線束中的 Cat Data Link 電路是開路。 修理或更換機器線束。
停止
測試步驟 6. 檢查有無其它電子控制模塊的診斷代碼。
重新連接所有使用 Cat 數據鏈路的電子控制模塊。
將斷路開關和鑰匙起動開關轉到 ON 位置。
確認當前信息中心顯示的任何激活事件。 通過按鍵盤上的 "OK" 鍵完成此過程。
按鍵盤上的 "MENU(菜單)"鍵訪問 "MAIN MENU(主菜單)"。
按鍵盤上的 "2" 鍵進入 "EVENT MENU(事件菜單)"。
按鍵盤上的 "1" 鍵進入子菜單 "ACTIVE EVENTS(激活事件)"。
在鍵盤上,按 "MORE(更多)"鍵顯示 CID 和 FMI 信息。 利用向前和向后箭頭鍵滾動查看激活事件列表。
預期結果:
事件列表中有其他電子控制模塊 (ECM) 的診斷代碼。
結果:
正常 - 事件列表中有其他電子控制模塊 (ECM) 的診斷代碼。
修復: 機器 ECM 出故障。 ECM 不太可能會出現故障。 退出本步驟。 重新執行本步驟。如果沒有找到故障,則需更換 ECM。
停止
不正常 - 事件列表中沒有其它電子控制模塊(ECM)的診斷代碼。
修復: 監測系統 ECM 出故障。 ECM 不太可能會出現故障。 退出本步驟。 重新執行本步驟。如果沒有找到故障,則需更換 ECM。 請參閱本手冊的測試和調整, "電子控制模塊(ECM)- 更換"一節。
停止
FMI 13 表示機器 ECM 已確定監控系統 ECM 不在預期限定范圍內。 當監控系統 ECM 超出標定范圍時,記錄此診斷代碼。
產生此診斷代碼的可能原因如下:
監控系統 ECM 需要標定。
監控系統 ECM 需要調整。
監控系統 ECM 已閃存新軟件。
監控系統 ECM 出現故障。
注: 如果任何情況將引起與該 ECM 有關的其它已激活診斷代碼,請確保您已排除了這些情況。 例如,當 CID 0295 FMI 13 處于激活狀態時,CID 0295 FMI 02、FMI 09 或 FMI 12 并不激活。 如果其它診斷代碼處于激活狀態,請首先排除這些診斷代碼。然后執行本步驟。
注: 執行本步驟之前,請確保診斷代碼 CID 0295 FMI 13 處于現行狀態。
測試步驟 1. 檢查校準
執行必要的調整和校準程序。 關于這些程序,請參閱維修手冊的測試和調整章節。
觀測 CID 0295 FMI 13 的狀態。
預期結果:
CID 0295 FMI 13 沒有處于現行狀態。
結果:
正常 - CID 0295 FMI 13 沒有處于現行狀態。 校準糾正了導致 CID 0295 FMI 13 產生的情況。恢復正常運轉。停止
不正常 - CID 0295 FMI 13 仍為激活狀態。
修復: 診斷代碼仍為現行狀態。 確認已將正確的軟件閃存到了 ECM,或者在機器上安裝了正確的 ECM。 然后重復校準。如果診斷代碼仍舊存在,并且沒有診斷代碼的原因,則需更換 ECM。 ECM 不太可能會出現故障。 請在更換 ECM 前確認傳感器和相關電路正常。
康明斯發動機走怠速冒黑煙是什么問題,卡特柴油機曲軸箱壓力高的原因,斯坦福750KW柴油發電機故障,三菱發動機氣門間隙