卡特彼勒3064/6發動機燃油系統-泵油的維修技術故障排除方法

|
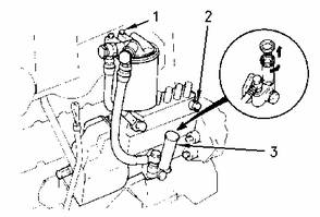
排出燃油系統中的空氣 (1)螺塞 (2)溢流閥 (3)注油泵 |
采用以下程序為燃油系統注油。
松開卡特彼勒3064/6發動機注油泵(3)上的螺帽。
運行注油泵的同時打開燃油濾清器上的螺塞(1)。
繼續運行注油泵(3),直到螺塞(1)流出的燃油中不再有氣泡為止。
關閉螺塞(1)。
打開卡特彼勒3064/6發動機噴油泵的溢流閥(2)。繼續運行注油泵(3),直到從噴油泵溢流閥流出的燃油中不再有氣泡為止。
|
注意 |
|
持續盤車不要超過30秒。再次盤車前,讓起動馬達先冷卻2分鐘。 |
起動發動機。噴油系統現在注油完畢。
卡特C15飛輪,卡特3408E的缸蓋,卡特發動機C7零件,卡特發動機C9零件,卡特發動機C13零件,卡特發動機C15零件