Perkins燃油噴油泵-拆卸(配有電子調速器)

拆卸步驟

開始:
a.拆下前蓋。有關正確的步驟,請參閱《拆解和組裝》,“前蓋-拆卸和安裝”。
b.拆下燃油噴油管。有關正確的步驟,請參閱《拆解和組裝》,“燃油噴油管-拆卸”。
注:可以使用兩個工具(A)中的任意一個。請使用最適用的工具。
1.把供油開關轉到關閉位置。
2.將蓄電池斷路開關轉到斷開位置。

3使用工具(A)轉動曲軸,使1號活塞處于上止點位置。有關正確的步驟,請參閱《系統操作、測試和調整》,“查找1號活塞上止點位置”。
4使用工具(B)鎖定曲軸,使1號活塞處于上止點位置。
5使用工具(C)鎖定凸輪軸。
6松開鎖定螺釘(1)。轉動隔套(2),以便將鎖定螺釘(1)擰緊抵到噴油泵的軸上。逆時針方向轉動噴油泵齒輪來消除齒隙。擰緊鎖定螺釘(1)至扭矩為15N·m(133lbin)。
7.消除燃油泵齒輪的齒隙。將噴油泵鎖在正確位置,然后卸下燃油泵齒輪。請參閱《拆解和組裝》,“燃油泵齒輪-拆卸和安裝”以了解正確程序。

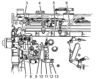
8清潔噴油泵(7)及其周圍區域。開始組裝前,確保該區域無污染。
9將適當的容器放置到燃油噴油泵(7)的下方,用來盛裝所有可能溢出的燃油。
10.將塑料管組件(3)和塑料管組件(5)從燃油噴油泵(7)上斷開。
11.將塑料管組件(3)和塑料管組件(5)從夾子(4)和夾子(6)上拆下。將塑料管組件放置在遠離噴油泵的地方。
12.使用工具(D)塞住塑料管組件(3)和塑料管組件(5)。
13.使用工具(D)蓋住噴油泵(7)上的塑料管組件接頭。
14.將原始設備制造商(OEM)線束組件從調速器(8)上斷開。
15.將OEM線束組件從電磁閥(9)和電磁閥(10)上斷開。
16.如有必要,將OEM線束組件從電磁閥(10)上斷開。
17.將螺母和螺栓(11)從噴油泵(7)上拆下。
18.拆下螺栓(13),然后將支架(12)從缸體和噴油泵上拆下。

19.將螺栓(14)和密封墊圈(15)從燃油噴油泵(7)上拆下。
注:在螺栓拆卸過程中應用手支撐噴油泵。
20.小心地將噴油泵(7)從前殼體(16)上拆下。
21.將O形密封圈(17)從噴油泵(7)上拆下。