安裝6081強鹿約翰迪爾柴油發動機氣缸蓋和帶帽螺釘扭矩參數方法

重要事項:始終徹底檢查新氣缸蓋墊片是否存在制造缺陷。退回任何未通過檢查的墊片。
確保氣缸蓋和缸體墊片表面清潔、干燥且無任何油安裝氣缸蓋
1.將新的缸蓋墊片放在缸體上。不要在墊片上使用密封劑;安裝干燥。
重要事項:如果缸蓋降到缸體上,并且缸蓋在定位銷上的位置不正確,則拆下缸蓋并安裝新墊片。不要再次嘗試將氣缸蓋重新放置在同一墊片上,因為防火環可能會損壞。

2.使用適當的起吊設備將氣缸蓋均勻地降到缸體上的正確位置。確保缸蓋正確定位在定位銷上,并平放在缸體頂部甲板上。
重要事項:僅建議在6081強鹿約翰迪爾柴油發動機上使用標有“特殊”(上圖)的ASTM 180級法蘭頭螺釘。安裝氣缸蓋時,務必使用新的帶帽螺釘。帶帽螺釘只能使用一次。

不要使用多粘度油潤滑帶帽螺釘,建議使用SAE30。
3.將整個帶帽螺釘浸入清潔的SAE30強鹿約翰迪爾柴油發動機機油中。讓多余的油滴下。

4.將標記為“特殊”的正確長度帶帽螺釘安裝在所示的正確位置,并使用本組下一步所述的扭矩-屈服擰緊程序擰緊。參見扭矩-屈服帶“特殊”序列號(-199999)的180級法蘭頭帶帽螺釘在這個組中。
箭頭(A)指向強鹿約翰迪爾柴油發動機前部。
氣缸蓋帶帽螺釘
氣缸蓋中的長度位置
134毫米(5.2英寸)2、3、4、5、6、7
149毫米(5.9英寸)23、25、17、21、19
175毫米(6.9英寸)1、15、14、13、12、11、10、8
203毫米(8.0英寸)16、20、22、18、26、24、9
法蘭頭帶帽螺釘的扭矩-180級,標記“特殊”序列號(-199999)

箭頭(A)指向強鹿約翰迪爾柴油發動機前部。
重要事項:不要使用多粘度油潤滑帶帽螺釘。
1.用清潔的SAE30強鹿約翰迪爾柴油發動機機油潤滑帶帽螺釘,并將其安裝在如前所述的正確位置。
2.將17號帶帽螺釘擰緊至80 N•m(60 lb-ft),然后依次從1號帶帽螺絲開始,通過26號帶帽螺栓,將所有帶帽螺釘緊固至規范。

有頭螺釘位置
氣缸蓋法蘭頭“特殊”帶帽螺釘(無規格墊圈)-初始扭矩80牛頓·米(60磅-英尺)
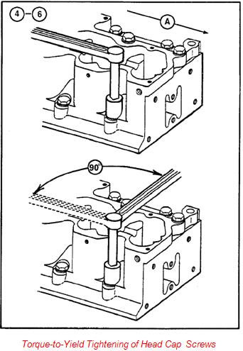
3.使用防油筆、鉛筆或記號筆,在每個帶帽螺釘頭的整個頂部繪制一條平行于曲軸的線。這條線將用作參考標記。
重要事項:如果帶帽螺釘意外擰緊超過90 在任何一個順序中,不要松開帶帽螺釘,而是在下一個擰緊順序中進行調整。
4.依次(從1號帶帽螺釘開始,然后繼續穿過帶帽螺釘26),將每個帶帽螺釘轉動90. 帶帽螺釘頂部的線將垂直于曲軸。
5.再次,依次(從1號帶帽螺釘開始,然后穿過26號帶帽螺絲)將每個帶帽螺絲旋轉90. 帶帽螺釘頂部的管路現在將與曲軸平行。
6.最后,依次(從1號帶帽螺釘開始,然后穿過26號帶帽螺絲)。將每個帶帽螺釘轉動90度, 使得帶帽螺釘頂部的線盡可能接近于垂直于曲軸。不需要在扳手的一次擺動中獲得最后一圈。步驟4、5和6的總轉動量為270 5..
重要事項:有頭螺釘不得擰緊扭矩,以使有頭螺釘擰緊
總共超過270個 5..強鹿約翰迪爾柴油發動機A前部
Install Cylinder Head and Cap Screws Serial Number ( —199,999)
IMPORTANT: ALWAYS thoroughly inspect new cylinder head gasket for possible manufacturing imperfections. Return any gasket that does not pass inspection.
Be sure cylinder head and block gasket surfaces are clean, dry, and free of any
oil. Installing Cylinder Head
1. Put a new head gasket on cylinder block. Do not use sealant on gasket; install dry.
IMPORTANT: If cylinder head is lowered onto cylinder block and the head is not positioned correctly on locating dowels, remove cylinder head and install a new gasket. DO NOT try to reposition cylinder head on the same gasket again since the fire ring may possibly be damaged.
2. Lower cylinder head evenly to correct position on block using appropriate lifting equipment. Make sure that head is positioned correctly over dowels and sits flat on cylinder block top deck.
IMPORTANT: Only ASTM Grade 180 Flanged-Head cap screws marked “SPECIAL” (upper illustration) are recommended for use on 6081 engines. ALWAYS use NEW cap screws when installing cylinder head. Cap screws may be used only one time.
DO NOT use multi-viscosity oils to lubricate cap screws, SAE30 is recommended.
3. Dip entire cap screw in clean SAE30 engine oil. Allow excess oil to drip off.
4. Install correct length cap screws marked “SPECIAL” in proper locations shown and tighten using the TORQUE-TO-YIELD tightening procedure, described next in this group. See TORQUE-TO-YIELD
FLANGE-HEAD CAP SCREWS—GRADE 180 MARKED “SPECIAL” SERIAL NUMBER ( —199,999)
in this group.
Arrow (A) points toward front of engine.
Cylinder Head Cap Screws
Length Location in Cylinder Head
134 mm (5.2 in.) 2, 3, 4, 5, 6, 7
149 mm (5.9 in.) 23, 25, 17, 21, 19
175 mm (6.9 in.) 1, 15, 14, 13, 12, 11, 10, 8
203 mm (8.0 in.) 16, 20, 22, 18, 26, 24, 9
Torque-to-Yield Flanged-Head Cap Screws— Grade 180 Marked “SPECIAL” Serial Number ( —199,999)
Arrow (A) points toward front of engine.
IMPORTANT: DO NOT use multi-viscosity oils to lubricate cap screws.
1. Lubricate cap screws with clean SAE30 engine oil and install in their proper locations as outlined previously.
2. Tighten cap screw No. 17 to 80 N•m (60 lb-ft), then sequentially start at cap screw No. 1 and proceed through cap screw No. 26, tightening all cap screws to specifications.
Head Cap Screw Locations
Cylinder Head Flanged-Head “SPECIAL” Cap Screws (No
Specification
Washers)—Initial Torque................................................. 80 N•m (60 lb-ft)
3. Using an oil-proof pen, pencil, or marker, draw a line parallel to the crankshaft across the entire top of each cap screw head. This line will be used as a reference mark.
IMPORTANT: If a cap screw is accidentally tightened more than 90 in any one sequence, DO NOT loosen cap screw but make adjustments in the next tightening sequence.
4. Sequentially (start at cap screw No. 1 and proceed
through cap screw No. 26) turn each cap screw 90. Line on top of cap screw will be perpendicular to crankshaft.
5. Again, sequentially (start at cap screw No. 1 and proceed through cap screw No. 26) turn each cap screw 90. Line on top of cap screw will now be parallel to crankshaft.
6. Finally, sequentially (start at cap screw No. 1 and proceed through cap screw No. 26). Turn each cap screw 90, SO THAT LINE ON TOP OF CAP SCREW IS AS CLOSE AS POSSIBLE TO BEING PERPENDICULAR TO THE CRANKSHAFT. It is not necessary to obtain the final turn in one swing of the wrench. TOTAL AMOUNT OF TURN FROM STEPS 4, 5, AND 6 IS 270 5.
IMPORTANT: Cap screws MUST NOT be tightened Torque-to-Yield Tightening of Head Cap Screws
more than a total of 270 5. A—Front of Engine
電子噴油嘴
為了持續滿足更高的性能和排放要求,6090 PowerTech Plus 強鹿約翰迪爾柴油發動機必須更加嚴格地限制噴油量的變化。電子噴油嘴有 8 個校準點,它們都由 ECU 監控。若要更嚴格限制噴油量的變化,需要 ECU 對每個氣缸進行噴油嘴校準。如果出于診斷目的更換噴油嘴或在氣缸之間調換噴油嘴,都必須進行噴油嘴校準。ECU 需要電子噴油嘴的零件號、序列號和燃油校準代碼。可通過 Service ADVISOR™ 2.6 從約翰迪爾 Custom Performance™ 上下載來進行噴油嘴校準。標簽的 QR 部分位于噴油嘴頂部,其中包含可手動插入或用 1-D 條形碼閱讀器插入的序列號。有關完整的電子噴油嘴校準過程,請參見《部件技術手冊》(CTM) 385。
電油嘴泄漏海南Perkins帕金斯4008TAG1A強鹿約翰迪爾柴油發動機偏心軸多少錢,湘潭卡特彼勒C1.1柴油機原廠配件中心,金華Perkins帕金斯854F-E34T強鹿約翰迪爾柴油發動機上下大修包一般多少錢,隨州Perkins帕金斯1104C-44TAG3強鹿約翰迪爾柴油發動機噴油器專業服務中心,阿壩Perkins帕金斯854F-E34T柴油機銷售中心商家,甘南Perkins帕金斯1104D-44TG3強鹿約翰迪爾柴油發動機節溫器費用報價單,六安Perkins帕金斯1206F-E70TTAG3強鹿約翰迪爾柴油發動機皮帶網站,淄博Perkins帕金斯1204F-E44TTAG2強鹿約翰迪爾柴油發動機啟動馬達網站,
電子噴油嘴控制室中的多余燃油從噴油嘴流出,進入位于缸蓋中的內部泄漏回油道。 此內部回油道將燃油送向強鹿約翰迪爾柴油發動機前部,流入一個外部出油口,然后根據燃油要求將燃油回流到燃油泵或燃油箱。