約翰迪爾強鹿6081發動機機油壓力調節閥、旁通閥和冷卻器旁通閥工作壓力多小

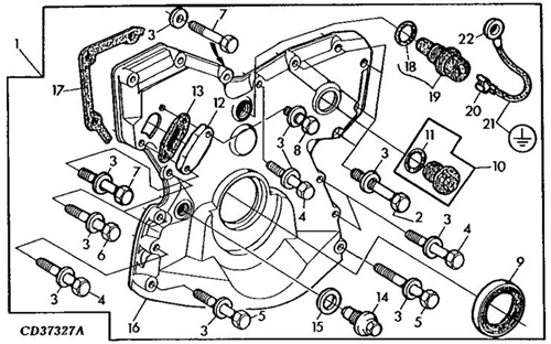
參見約翰迪爾John Deere柴油機機油濾清器底座和機油壓力2。檢查閥和殼體孔是否有劃痕或調節閥殼體總成是否損壞。必要時更換。
約翰迪爾John Deere柴油機機油冷卻器總成,本節早些時候組,用于閥門的說明。3.檢查彈簧是否正確壓縮。代替彈簧,如果不在規格范圍內。
油壓調節閥:
規格

1.拆下螺塞(K)、O形圈(J)、彈簧(H)、機油壓力和機油濾清器旁通閥調節閥(G)與殼體(E)相連。丟棄壓縮長度為30.0 mm(1.18 in.)的彈簧,64-78 N(14-18磅力)O形圈。自由長度……44.0毫米(1.73英寸)
2.檢查約翰迪爾John Deere柴油機閥門和閥孔是否損壞。更換4.將所有零件浸入清潔的約翰迪爾John Deere柴油機機油中;插入閥門,如有必要。過濾器底座中的彈簧。
3.檢查約翰迪爾John Deere柴油機彈簧壓縮是否正確。更換5.在螺塞(O)上安裝新的O形圈。如果不符合規格,則安裝螺塞和彈簧。擰緊至規格。
規格規格壓力調節閥、機油濾清器旁通閥塞-
約翰迪爾John Deere柴油機彈簧壓縮長度為43.0 mm(1.69 in.),扭矩為66-74 N,扭矩為100 N•m(74 lb ft)(15-17磅力)自由長度……85.0 mm(3.35 in.)注:過濾器旁通閥工作壓力為220
4.將所有零件浸入清潔的約翰迪爾John Deere柴油機機油中;插入閥門和千帕(2.20巴)(32磅/平方英寸)。
外殼內彈簧.規范
機油濾清器旁通閥-
5.使用新O形圈安裝塞子(K),并擰緊至工作壓力……220 kPa(2.20 bar)(32 psi)
規格。
約翰迪爾John Deere柴油機油冷卻器旁通閥:
規格

約翰迪爾John Deere柴油機機油壓力調節閥1.拆下螺塞(L)、O形圈(K)、彈簧(J)和機油從機油冷卻器蓋/旁通到冷卻器旁通閥(I)的螺塞扭矩……100 N•m(74 lb ft)
注:壓力調節閥在閥殼(A)處開始工作。丟棄O形圈。
340千帕(3.4巴)(49磅/平方英寸)。2.檢查外殼是否有堵塞的通道和所有其他
用于縮放的規范部件。
油壓調節
約翰迪爾John Deere柴油機閥門操作壓力3.用硬毛刷和溶劑清潔所有零件,(開始運行)……340 kPa(3.4 bar)(49 psi)(如有必要)。用壓縮空氣干燥。機油濾清器旁通閥:4.檢查旁通閥是否損壞。必要時更換。
1.拆下帶有O形圈(N)、彈簧(M)和來自機油濾清器底座(A)的機油濾清器旁通閥(L)。丟棄O形圈。
5.檢查旁通閥彈簧的規格是否正確。如果不符合規格,則更換彈簧。
規格
約翰迪爾John Deere柴油機油冷卻器旁通閥
規格約翰迪爾John Deere柴油機機油冷卻器旁通閥塞-扭矩……100牛•米(74磅-英尺)
注:冷卻器旁通閥工作壓力為220在64-78 N kPa(2.20 bar)(32 psi)下,彈簧壓縮長度為30.0 mm(1.18 in.)。(14-18磅力)自由長度…44.0毫米(1.73英寸)
6.將所有零件浸入清潔的約翰迪爾John Deere柴油機機油中;將閥(I)和彈簧(J)插入殼體孔中。
7.在螺塞(L)上安裝新的O形圈,并擰緊至規格。
規格

約翰迪爾John Deere柴油機油冷卻器旁通閥-工作壓力……220千帕(2.20巴)(32磅/平方英寸)
Remove, Inspect, and Install Oil Pressure Regulating Valve, Oil Filter Bypass Valve, and Oil Cooler Bypass Valve
See OIL FILTER BASE AND OIL PRESSURE 2. Inspect valve and housing bore for scoring or REGULATING VALVE HOUSING ASSEMBLY and see damage. Replace if necessary.
ENGINE OIL COOLER ASSEMBLY, earlier in this
group, for illustration of valves. 3. Check spring for proper compression. Replace
spring if not within specification.
Oil Pressure Regulating Valve:
Specification
1. Remove plug (K), O-ring (J), spring (H), oil pressure Oil Filter Bypass Valve
regulating valve (G) from housing (E). Discard Spring—Compressed Length ........... 30.0 mm (1.18 in.) @ 64—78 N
(14—18 lb-force)
O-ring. Free Length ....... 44.0 mm (1.73 in.)
2. Inspect valve and valve bore for damage. Replace 4. Dip all parts in clean engine oil; insert valve and if necessary. spring in filter base.
3. Check spring for proper compression. Replace 5. Install new O-ring on plug (O). Install plug and spring if not within specification. tighten to specifications.
Specification Specification
Pressure Regulating Valve Oil Filter Bypass Valve Plug—
Spring—Compressed Length ........... 43.0 mm (1.69 in.) @ 66—74 N Torque........ 100 N•m (74 lb-ft)
(15—17 lb-force)
Free Length ...... 85.0 mm (3.35 in.) NOTE: Filter bypass valve operating pressure is 220
4. Dip all parts in clean engine oil; insert valve and kPa (2.20 bar) (32 psi).
spring in housing. Specification
Oil Filter Bypass Valve—
5. Install plug (K) using a new O-ring and tighten to Operating Pressure.... 220 kPa (2.20 bar) (32 psi)
specifications.
Oil Cooler Bypass Valve:
Specification
Oil Pressure Regulating Valve 1. Remove plug (L), O-ring (K), spring (J), and oil
Plug—Torque..... 100 N•m (74 lb-ft) cooler bypass valve (I) from oil cooler cover/bypass
NOTE: Pressure regulating valve starts to operate at valve housing (A). Discard O-ring.
340 kPa (3.4 bar) (49 psi). 2. Check housing for clogged passages and all other
Specification parts for scale build-up.
Oil Pressure Regulating
Valve—Operating Pressure 3. Clean all parts with a stiff bristle brush and solvent,
(Starts to Operate)......... 340 kPa (3.4 bar) (49 psi) if necessary. Dry with compressed air.
Oil Filter Bypass Valve: 4. Inspect bypass valve for damage. Replace if necessary.
1. Remove plug (O) with O-ring (N), spring (M), and
oil filter bypass valve (L) from oil filter base (A). Discard O-ring.
Continued on next page
5. Check bypass valve spring for proper specifications. Replace spring if not within specification.
Specification
Oil Cooler Bypass Valve
Specification
Oil Cooler Bypass Valve Plug— Torque..... 100 N•m (74 lb-ft)
NOTE: Cooler bypass valve operating pressure is 220
Spring—Compressed Length ........... 30.0 mm (1.18 in.) @ 64—78 N kPa (2.20 bar) (32 psi).
(14—18 lb-force) Free Length .... 44.0 mm (1.73 in.)
6. Dip all parts in clean engine oil; insert valve (I) and spring (J) in housing bore.
7. Install new O-ring on plug (L) and tighten to specifications.
Specification
Oil Cooler Bypass Valve—
Operating Pressure..... 220 kPa (2.20 bar) (32 psi)
柴油的防腐性可用硫含量、硫醇硫含量、水分、酸度、銅片腐蝕、水溶性酸或堿等指標來評定。
(l)硫與硫醇硫含量 柴油中的含硫及硫的衍生物情況與汽油中相同,在柴油機氣缸中燃燒后生成硫的氧化物。將對柴油機組件產生腐蝕,而且還會對氣缸壁上的潤滑油和尚未燃燒的柴油起催化作用J目速烴類的聚合反應,使燃燒室、活塞頂和排氣門等部位的膠狀物與積炭增加。在有硫存在的條件積炭層會更加堅硬,不僅加劇機件磨損而且清除困難。當氣態硫的氧化物由氣缸竄入曲軸箱時,遇水分將生成亞硫酸與硫酸,會強烈腐蝕機件,同時也會加速潤滑油老化變質。所以,對于柴油中的硫與硫醇硫含量應嚴格限制。硫含量可依據G13,/T380一77(88)進行測定,方法與汽油中測硫含量相同。對于硫醇硫可依據GB/T1792一88規定進行。GB252一-87規定.優級品柴油硫含量不大于0.2兒;一級品柴油硫含量不大于0.5%;合格品硫含量不大于l.O%。優級品與一級品柴油的硫醇硫含量不大于O.Ol%。山南Perkins帕金斯2206A-E13TAG5約翰迪爾John Deere柴油機高壓油泵、油泵組件中心,湘西Perkins帕金斯404D-22TG約翰迪爾John Deere柴油機配件中心庫企業,金昌Perkins帕金斯1104A-44TG2約翰迪爾John Deere柴油機水泵、水泵襯墊哪里有,大同Perkins帕金斯2206D-E13TAG3約翰迪爾John Deere柴油機服務電話專業服務中心,渭南Perkins帕金斯404A-22G1約翰迪爾John Deere柴油機散熱器組件專業服務中心,內蒙古自治Perkins帕金斯403F-15TG約翰迪爾John Deere柴油機氣門導管油封在什么地方買,通遼Perkins帕金斯4008TAG1A柴油機銷售中心大概的價錢,銅仁Perkins帕金斯約翰迪爾John Deere柴油機馬達費用,杭州Perkins帕金斯403F-15T約翰迪爾John Deere柴油機油水分離器一臺多少錢,陽泉Perkins帕金斯4012-46TWG4約翰迪爾John Deere柴油機噴油器去哪找,滄州Perkins帕金斯1204E-E44TTA約翰迪爾John Deere柴油機曲軸前后油封代理商,秦皇島Perkins帕金斯403F-11G約翰迪爾John Deere柴油機水溫機油壓力轉速傳感器中心,臺北Perkins帕金斯404D-22TG柴油機上門維修電話中心,(2)柴油的酸度、水分、銅片腐蝕及水溶性酸堿等 柴油的防腐性指際,其意義及試驗方法與汽油的大致相同。所不同的是柴油機有供油系統,柴油防腐性的各項指標將對噴油泵的工作產生影響。7.柴油的清潔性柴油的清潔性可用灰分、水分和機械雜質等項指標進行評定。
(l)灰分 在規定條件下,油品被炭化后的殘留物經鍛燒所得的無機物,以質量百分數來表示。灰分是油中不能燃燒的粒狀礦物_質,非常堅硬,是磨料磨損中的磨料,且對金屬有侵蝕作用,是造成 氣,缸壁與活塞環磨損的重要原因。柴油的灰分測定按GB/T508_85(91)的規定執行。GB252一87中規定,優級品與一級品柴油,其灰分不大于O.Ol%;合格品灰分不大于0.02%。
(2)水分 柴油中存在的水分,將降低柴油燃燒時的發熱量在冬季還易于堵塞油路,溶解可溶性鹽類,使柴油灰分增大,并增加硫化物對金屬零件的腐蝕作用。所以,GB252一87對柴油中水分作出嚴格規定。柴油中水分的測定按GB252一87注①或GB/T26O一77(88)執行。