CAT卡特發動機電子點火系統控制模塊功能詳細介紹

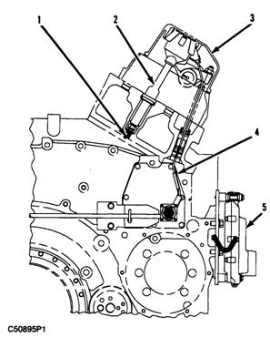
點火系統部件示意圖
(1)火花塞(2)點火變壓器(3)閥蓋(4)線束(5)電子點火系統控制模塊
卡特CAT發動機定時的控制通過電子點火系統控制模塊來實現。它基于卡特CAT發動機定時預期值、用戶特定參數(由操作者編程)和卡特CAT發動機運轉的情況來確定。卡特CAT發動機操作者可以使用電子診斷工具來更改最大提早定時、速度定時表和負載定時表。電子點火系統控制模塊將根據卡特CAT發動機運轉的條件,依照卡特CAT發動機轉速/定時傳感器、集管氣壓傳感器和爆燃傳感器的信息來自動調節卡特CAT發動機轉速。

電子點火系統控制模塊最多可以向點火變壓器提供16條點火輸出,還可以使用其傳感器和內部回路來監控系統部件。如果在系統部件或線束內發現故障,控制模塊能夠對故障作出判斷并通過診斷碼通報操作者。
貴港卡特C18發動機配件銷售中心網站
忻州Perkins帕金斯403A-15G2發動機進排氣門、墊圈哪家好
白山Perkins帕金斯4006-23TAG4發動機曲軸箱配件哪里有
鞍山Perkins帕金斯1103C-33TG3發動機噴油嘴多少錢費用報價單
呼倫貝爾Perkins帕金斯1106D-E70TAG5發動機曲軸箱配件哪家好
河北Cat發動機原廠配件去哪找
四川Perkins帕金斯854E-E34T發動機機油冷卻器供應服務商