沃爾沃挖掘機柴油機增壓空氣冷卻器的更換步驟方法圖volvo

volvo增壓空氣冷卻器,更換D13B-B MP, D13B-D MP, D13B-E MH, D13B-J MP,D13B-M MP, D13B-N MH, D13C1-A MP, D13C3-A MP排放冷卻系統;參見冷卻劑,排放 330 頁

拆卸
1 如果安裝了隔熱罩和蓋,則拆下。

2 拆下塑料隔熱罩和渦輪增壓器周圍的隔熱裝置。
3 拆下volvo渦輪增壓器和增壓空氣冷卻器之間的增壓空氣管。

4 將連接接頭裝置(1)從前蓋上拆下。拆下閥(2)和廢氣門控制軟管。

5 將管路和夾子從增壓空氣冷卻器上拆下。松開增壓空氣冷卻器水連接軟管夾。

6 拆下增壓空氣冷卻器的上部螺栓。拆下增壓空氣冷卻器固定螺母。沿直線拉出增壓空氣冷卻器。確保軟管從增壓空氣冷卻器上脫離。

安裝
7 將任何必要的部件轉移至新增壓空氣冷卻器。

8 檢查volvo增壓空氣冷卻器軟管有無損壞。檢查螺柱連接上的 O 型圈有無損壞。

9 將增壓空氣冷卻器安裝到下部螺柱上。將螺柱連接導入增壓空氣管并導入冷卻水軟管。注意 確保軟管上有軟管夾。將增壓空氣冷卻器按壓到位;安裝上部螺栓并將螺母擰至螺柱上。緊固螺母。
10 用新密封件將管路安裝到空心螺栓上。安裝管夾。緊固軟管夾。

11 用新密封件將輸油軟管安裝到渦輪增壓器和廢氣門上。
12 清潔增壓空氣管并安裝新密封件。將管路安裝到前volvo渦輪增壓器上。
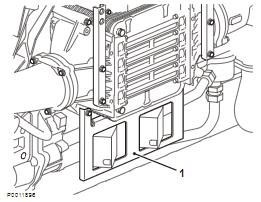
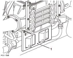
13 將管路(1)安裝到后渦輪增壓器上。

14 安裝用于電池連接的附件框架(1)。檢查并確保電纜不與任何部分發生摩擦。

15 安裝渦輪增壓器蓋。
