燃油濾清器底座拆卸組裝方法步驟卡特C13Perkins2206發動機

注意
在產品的檢查、保養 、測試、調整和維修過程中,必須注意確保液體被控制。在打開任何隔室或拆卸任何含有液體的部件之前,準備用合適的容器收集液體。
1. 將燃油供應轉到 “OFF” 位置.
2. 將適當的容器放在燃油濾清器底座下方,以排放燃油。

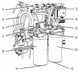
圖釋 3
典型示例
3. 拆下塞子(11)和(12)。讓燃油排放。
4. 將鎖片滑入解鎖位置,并從燃油溫度傳感器(7)上斷開線束總成(1)。
5. 斷開軟管總成 (2)。斷開軟管總成(4)。斷開軟管總成(3)和(5)。蓋住軟管總成。
6. 拆下燃油濾清器(9)和(10)。從燃油濾清器上拆下O形密封圈和燃油濾清器濾芯。有關更多信息,請參閱操作和保養手冊,“燃油系統粗濾器-更換”和操作和保養手冊,“燃油系統細濾器-更換”。
7. 拆下螺栓(6)。拆下燃油濾清器底座(8)。
拆解步驟
開始:
污染可能導致快速磨損和縮短零部件壽命。
a. 拆下卡特C13珀金斯2206柴油機燃油濾清器底座。請參閱拆解和組裝,“卡特C13珀金斯2206柴油機燃油濾清器底座-拆卸”。

1. 從燃油濾清器底座(1)上拆下燃油充油泵(4)。有關正確的步驟,請參閱拆解和組裝“燃油充油泵-拆卸和安裝”。
2. 從燃油濾清器底座(1)上拆下燃油溫度傳感器(2)。有關正確的步驟,請參閱拆解和組裝“燃油溫度傳感器-拆卸和安裝”。
3. 從燃油濾清器底座(1)上拆下燃油旁通閥(6)(未顯示)。從燃油旁通閥上拆下O形密封圈。
4. 從卡特C13珀金斯2206柴油機燃油濾清器底座(1)上拆下燃油單向閥(10)。從燃油單向閥上拆下O形密封圈。
5. 從燃油濾清器底座(1)上拆下接頭(3)、(5)、(7)和(8)。從接頭上拆下O形密封圈。
6. 從燃油濾清器底座(1)上拆下塞子(9)、(11)和(12)。從塞子上拆下O形密封圈。

1. 確保卡特C13珀金斯2206柴油機燃油濾清器底座清潔且沒有損壞。如有必要,更換燃油濾清器底座。
2. 將新的O形密封圈安裝到塞(9)、(11)和(12)上。將塞子安裝到燃油濾清器底座(1)上。將塞(9)擰緊至41 N•m(30 lb ft)的扭矩。將塞子(11)和(12)擰緊至15 N•m(11 lb ft)的扭矩。
3. 將新的O形密封圈安裝到接頭(3)、(5)、(7)和(8)上。將接頭安裝到燃油濾清器底座(1)上。將接頭(3)、(5)和(7)擰緊至15 N•m(11 lb ft)的扭矩。將接頭(8)擰緊至41 N•m(30 lb ft)。
注意:確保接頭的正確方向。
4. 將新的O形密封圈安裝到燃油旁通閥(6)上(未顯示)。將卡特C13珀金斯2206柴油機燃油旁通閥安裝到燃油濾清器底座(1)上。將燃油旁通閥擰緊至35 N•m(26 lb ft)的扭矩。
5. 將新的O形密封圈安裝到燃油單向(10)上。將燃油單向閥安裝到燃油濾清器底座(1)上。將燃油單向閥擰緊至35 N•m(26 lb ft)的扭矩。
6. 將燃油溫度傳感器(2)安裝到燃油濾清器底座(1)上。有關正確的步驟,請參閱拆解和組裝“燃油溫度傳感器-拆卸和安裝”。
7. 將燃油充油泵(4)安裝到卡特C13珀金斯2206柴油機燃油濾清器底座(1)上。有關正確的步驟,請參閱拆解和組裝“燃油充油泵-拆卸和安裝”。
結束:
a. 安裝卡特C13珀金斯2206柴油機燃油濾清器底座。請參閱拆解和組裝,“燃油濾清器底座-安裝”。
開封Perkins帕金斯403D-07G卡特CAT發動機曲軸前后油封多少錢,海北Perkins帕金斯4012-46TWG4卡特CAT發動機水泵、水泵襯墊一般多少錢,青島Perkins帕金斯4016TAG2A卡特CAT發動機柴油機油空氣濾清器一般多少錢,陽江Perkins帕金斯2506C-E15TAG4卡特CAT發動機曲軸一般多少錢,