CAT卡特燃汽發動機點火變壓器火花塞故障維修手冊

點火系統部件
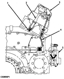
(1)火花塞(2)點火變壓器(3)閥套(4)線束(5)電子點火系統控制模塊
卡特CAT發動機的每個汽缸上有一個點火變壓器(2)和一個火花塞。點火變壓器位于汽缸蓋閥套(3)的下端。電子點火系統控制模塊(5)決定所需要減少定時的程度,并通過線束發送電子脈沖。變壓器增加電壓直到能夠產生穿過火花隙的電弧并點燃汽缸。
對單個的點火變壓器不能進行點對點測試。如果懷疑引起故障的原因來自點火變壓器,則需要用一個完好的變壓器替代被疑引起故障的變壓器。
注:點火變壓器必須與閥蓋的下側接觸以保證接地。

警告
閥蓋為點火變壓器提供接地的通路。除非點火變壓器的初級導線被斷開,如果卡特CAT發動機在沒有閥蓋的情況下操作,點火變壓器與其他卡特CAT發動機部件的接觸可能會導致嚴重的電擊危險。
c 火花塞
產生火花的電壓可以根據火花塞的狀況和卡特CAT發動機負載改變。在卡特CAT發動機低空轉情況下,一個新火花在火花隙產生電弧需要3.000到6.000伏的電壓。在卡特CAT發動機全負荷情況下,電壓需要提高到10.000到18.000伏。如果火花塞有磨損,火花隙會變大。磨損的火花塞需要超過30.000伏的電壓才能產生穿過火花隙的電弧。當火花塞產生電弧的電壓需要超過35.000伏時,火花塞會開始引起卡特CAT發動機不能平穩(火花不定)的運行。汽缸蓋的冷卻機排氣溫度將是點火變壓器或火花塞出現故障的指示。
如果疏于對火花塞進行保養可能會增加在卡特CAT發動機有效壽命內操作的耗費。以下是一些增加卡特CAT發動機使用壽命和G3500卡特CAT發動機火花塞操作效能的方法:

僅使用正確型號的火花塞。
G3500卡特CAT發動機所使用的火花塞為帶有可調節縫隙的單均壓環?;鸹ㄏ犊梢员辉O到0.28±0.04毫米(0.011±0.002英寸)。推薦使用“線形”隙規來設置火花隙。
當卸下火花塞并重新安裝的時候,一定要更換火花塞填密圈。
以扭矩68±4牛•米(50±3磅英尺)來將火花塞固定在汽缸蓋上。千萬不要將超過固定的扭矩。
正確型號的火花塞上有一層精密的金屬鍍層。千萬不能用鋼絲刷清潔火花塞的端部。僅可以使用合格的溶劑或玻璃珠清潔劑來清除火花塞上的沉積物。
注:如果使用溶劑法來清潔火花塞,需要每次都使用新的溶劑。如果使用玻璃珠清潔劑清潔法來清潔,每次都需要使用新的玻璃珠。如果所使用清潔材料不是第一次使用,可能會使以前清潔時所留下的金屬顆粒進入火花塞隔熱體,并可能導致不發火。

迪慶Perkins帕金斯1506A-E88TAG4卡特CAT發動機哪里有做維修保養的費用,昆明Perkins帕金斯1506C-E88TAG2卡特CAT發動機哪里有做維修保養的多少錢,東莞Perkins帕金斯2206A-E15TAG3卡特CAT發動機充電發電機代理商,無堂劃分域Perkins帕金斯2206A-E15TAG4卡特CAT發動機水泵、水泵襯墊商家,
在安裝火花塞的過程中,不要使用防粘混合物,不能讓潤滑油或潤滑脂遺留在火花塞的螺紋上?;鸹ㄈ菁y或底座位置上如果有遺留材料將會導致火花塞隔熱,而不能將熱量傳輸到汽缸蓋。如果火花塞所產生的熱量不能傳輸到汽缸蓋,可能會導致火花塞因過熱而被損壞。使用9U7511火花塞底座清潔劑來清潔汽缸蓋上的螺紋。
火花塞的中央電極和均壓環間的氣隙可以為電的流動產生阻力。這個阻力對火花塞點火前保證提供適當的電壓是有必要的?;鸹ㄈ系臐櫥秃?/span>/或潤滑脂能使阻力減小,并會阻止足夠高的電壓產生,電壓不夠高就不能產生穿過火花隙的電弧。因此,在清潔或安裝新的火花塞后,一定要注意保證火花塞及其延出部分的表面清潔。
|
推薦BTCP定時和燃料 |
|||||
|
3508卡特CAT發動機原型和后冷卻機配置 |
低發熱量為450到600英熱單位/立方英尺的垃圾氣或沼氣或污水分解氣 |
低發熱量為850到950英熱單位/立方英尺、含丙烷量低于1.5%且含丁烷量低于0.5%的商用管道氣 |
低發熱量高于950英熱單位/立方英尺、含丙烷量高于1.5%且含丁烷量高于0.5%的商用管道氣 |
礦場天然氣,含熱量高于1050英熱單位/立方英尺 |
HD-5丙烷 |
|
NA9:1 |
35 |
30 |
30 |
17.5-30· |
17.5·· |
|
TA標準9:1 90ºF SCAC |
30 |
25 22.5在1000轉/分 |
22.5 20在1000轉/分 |
10-22.5· 10-20· |
10·· 10·· |
|
TA標準9:1 130ºF SCAC |
28 |
22.5 20在1000轉/分 |
20 18在1000轉/分 |
8-20· 8-18· |
8·· 8·· |
|
TA低排放11:1 90ºF SCAC, 210ºF JW |
—— |
18在1500轉/分 |
16在1500轉/分 |
—— |
—— |
|
TA低排放11:1 130ºF SCAC, 210ºF JW |
—— |
18在1500轉/分 |
16在1500轉/分 |
—— |
—— |
|
TA低排放8:1 90ºF SCAC, 210ºF JW |
—— |
30在1500轉/分 |
30 |
20-30· |
22·· |
|
TA低排放8:1 130ºF SCAC, 210ºF JW |
—— |
28在1000-1500轉/分 |
28 |
18-28· |
20·· |
·如果甲烷數低于45,則減少10%
··減少
|
推薦BTCP定時和燃料 |
|
|||||
|
3508卡特CAT發動機原型和后冷卻機配置 |
低發熱量為450到600英熱單位/立方英尺的垃圾氣或沼氣或污水分解氣 |
低發熱量為850到950英熱單位/立方英尺、含丙烷量低于1.5%且含丁烷量低于0.5%的商用管道氣 |
低發熱量高于950英熱單位/立方英尺、含丙烷量高于1.5%且含丁烷量高于0.5%的商用管道氣 |
礦場天然氣,含熱量高于1050英熱單位/立方英尺 |
HD-5丙烷 |
|
|
NA9:1 |
35 |
30 |
30 |
17.5-30· |
17.5·· |
|
|
TA標準9:1 90ºF SCAC |
30 |
25 22.5在1000轉/分 |
22.5 20在1000轉/分 |
10-22.5· 10-20· |
10·· 10·· |
|
|
TA標準9:1 130ºF SCAC |
28 |
22.5 20在1000轉/分 |
20 18在1000轉/分 |
8-20· 8-18· |
8·· 8·· |
|
|
TA低排放8:1 90ºF SCAC |
—— |
35在1000-1500轉/分 |
33在1000-1500轉/分 |
20-35· |
22·· |
|
|
TA低排放8:1 130ºF SCAC |
—— |
33在1000-1500轉/分 |
31在1000-1500轉/分 |
18-33· |
20·· |
|
|
TA低排放9:1 90º SCAC |
—— |
28 |
26 |
15-26· |
15·· |
|
|
TA低排放9:1 130ºF SCAC |
—— |
25 |
23 |
12-23· |
12·· |
|
|
TA低排放10:1或11:1 90ºF SCAC, 210ºF JW |
—— |
24 20在1500轉/分 |
22 |
—— |
—— |
|
|
TA低排放10:1或11:1 130ºF SCAC, 210ºF JW |
25 20在1500轉/分 |
22 20在1500轉/分 |
20 |
—— |
—— |
|
|
TA低排放10:1或11:1 90ºF SCAC, 260ºF JW |
—— |
22 18在1500轉/分 |
20 |
—— |
—— |
|
|
TA低排放10:1或11:1 130ºF SCAC, 260ºF JW |
25 20在1500轉/分 |
20 18在1500轉/分 |
18 |
—— |
—— |
|
·如果甲烷數低于45,則減少10%
··減少