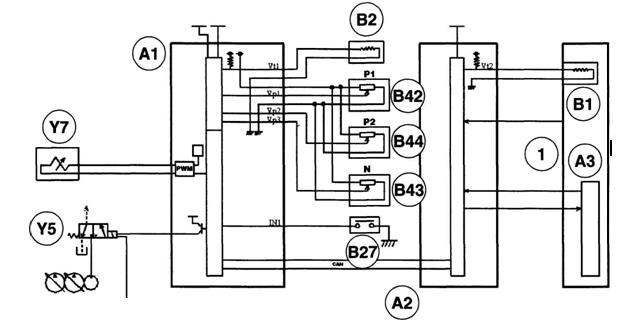
挖掘機自動模式控制電路結構工作原理圖解
自動模式控制電路結構
1. 發動機
A1 .電腦
A2. 發動機控制器
A3.電子加速器
B1. 冷卻水溫度傳感器
B2. 液壓油溫度傳感器
2)說明
1. 位于自動模式時,可以選用Sa和La兩種模式。
2. 當 heither pump壓力值達到2075 psi以上,并且小臂液壓泵的負反饋控制信號低于000 psi,此時電腦開關轉向Sa模式。
3. 當泵壓力降至2075 psi以下或者負反饋控制信號升至000 psi以上,此時電腦開關轉向La模式。
4. 當發動機冷卻水溫度低于122℉或液壓油的溫度低于77℉ 時,自動控制模式不失效,此時選擇La模式。

B27. 行走先導壓力開關
B42. 泵壓力傳感器(P1)
B43. 壓力傳感器(nega-cont)
B44.泵壓力傳感器(P2)(黃帶)
Y5. 加力電磁閥(黃帶)
Y7. 主泵比例電磁閥
5. 當溫度高于122℉并且液壓油溫度高于77℉時,自動模式啟動,并且即使水位和溫度降低時仍處于此模式。
6. 自動模式啟動時,按下行走壓力開關并不會改變模式。
7. 位于Sa模式時按下行走壓力開關,此時系統仍舊處于此模式。位于La模式時操作與此相同。
|
|
CX210 |
CX240 |
||
|
SA 模式 |
發動機轉數(最大) |
rpm |
1800 |
2000 |
|
電流(等于S 模式 + 40 mA) |
mA |
332 |
347 |
|
|
液壓加力 |
— |
自動 |
自動 |
|
|
LA 模式 |
發動機轉數(最大) |
rpm |
1700 |
1900 |
|
電流(等于 S 模式) |
mA |
292 |
307 |
|
|
液壓加力 |
— |
自動 |
自動 |
|