道依茨BF6M1013柴油發動機調速器
F2L1011、F3L1011、F4L1011、F2L912/3、F3L912/3、F4L912/3、BF4L914、BF4M1011F、F4M1011F、F3M1011F、BF4M2012、BF4M1013、F8L413
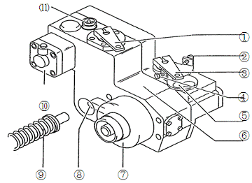
調速器的作用是當柴油機的負荷改變時,自動地改變噴油泵的供油量,從而維持柴油機的穩定運轉。見圖

1.停車桿,2.高速限位螺釘,3.加速桿,4.怠速限位螺釘,5.滿負荷調速調整器,6.調速器殼體,7.調速器驅動齒輪,8.齒條控制桿,9.齒條及彈簧,10.LDA,11.加濃電磁閥
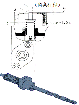
整機采用一根供油齒條安裝在缸體上,齒條的伸縮量Y應在16.8~17.1mm的范圍內以保證噴油泵的油量。齒條處在停車位置時應在殼體之后0.3~1.3mm。當更換齒條或調速器時,應測量這個值。

|
控制齒條起動位置與停車位置的位移差值即是控制齒條的行程 | |
|
停車位置 |
30.7mm |
|
起動位置 |
13.4mm |
|
控制齒條行程 |
17.3mm |
|
規定的行程 |
17.0-17.5mm |