Perkins1106A/C發動機燃油噴油泵-安裝
(帶增壓控制)
安裝步驟
Perkins1106A/C發動機曲軸轉動工具用于前皮帶輪
該工具在電動起動馬達的孔上使用
注:可以使用兩個工具(A)中的任意一個。請使用最適用的工具。請確保對Perkins1106A/C發動機燃油系統進行的所有調整和修理均由經過適當培訓的授權人員執行。在Perkins1106A/C發動機燃油系統上開始任何工作之前,請參閱《Perkins1106A/C發動機操作和保養手冊》,“一般危險信息和高壓燃油管路”以了解安全信息。
有關在所有Perkins1106A/C發動機燃油系統工作期間必須遵循的清潔度標準的詳細信息,請參閱《Perkins1106A/C發動機系統運作,測試和調整》,“Perkins1106A/C發動機燃油系統部件清潔度”。
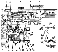
1.檢查前Perkins1106A/C發動機機殼體中的孔是否損壞。如果孔損壞,更換前Perkins1106A/C發動機機殼體。有關正確的步驟,請參閱《Perkins1106A/C發動機拆解和組裝》,“Perkins1106A/C發動機機殼體(前)-拆卸”。

2將新的O形密封圈(19)安裝到噴油泵(8)上。
3將新密封墊圈(16)安裝到螺栓(17)上。
4小心地將噴油泵(8)安裝到前Perkins1106A/C發動機機殼體(18)上。
注:在螺栓安裝過程中應用手支撐噴油泵。
5.將螺栓(17)安裝到噴油泵(8)上并用手擰緊。
6.擰緊螺栓(17)至扭矩為22N·m(195lbin)。


7將支架(14)定位到Perkins1106A/C發動機缸體和噴油泵上。將螺栓(15)安裝到Perkins1106A/C發動機缸體上并用手擰緊。
8將螺母和螺栓(13)安裝到噴油泵(8)上并用手擰緊。
9擰緊螺栓(15)至扭矩為44N·m(32lbft)。將螺母和螺栓(13)擰緊至扭矩為22N·m(195lbin)。
注:確保在擰緊支架的螺栓時噴油泵不受應力。
10.確保1號氣缸處于壓縮行程的上止點位置。請參閱《系統操作、測試與調整燃油噴射正時》,“-檢查”。如有必要,使用工具(A)轉動Perkins1106A/C發動機曲軸,使1號Perkins1106A/C發動機活塞處于其壓縮沖程的上止點位置。有關正確的步驟,請參閱《系統操作、測試和調整》,“查找1號Perkins1106A/C發動機活塞的上止點壓縮位置”。
11.使用工具(C),將Perkins1106A/C發動機凸輪軸鎖定到位。使用工具(B),將Perkins1106A/C發動機曲軸鎖定到位。
12.將Perkins1106A/C發動機噴油泵齒輪安裝到噴油泵(8)中。請參閱《Perkins1106A/C發動機拆解和組裝》,“Perkins1106A/C發動機燃油Perkins1106A/C發動機噴油泵齒輪-安裝”。
13.拆下工具(C)和工具(B)。
14.安裝Perkins1106A/C發動機噴油管。有關正確的步驟,請參閱《Perkins1106A/C發動機拆解和組裝》,“燃油Perkins1106A/C發動機噴油管-安裝”。
15.將新密封將(10)(未顯示)安裝到管組件(9)上。
16.將管組件(9)連接到噴油泵(8)和Perkins1106A/C發動機缸蓋上。
17.擰緊管螺母(20)至扭矩為8N·m(71lbin)。
18.擰緊管螺母(21)至扭矩為6N·m(53lbin)。
19.將螺塞從噴油泵(8)上拆下。
20.將蓋從塑料管組件(3)、塑料管組件(4)和塑料管組件(6)上拆下。
21.將塑料管組件(3)、塑料管組件(4)和塑料管組件(4)連接到噴油泵(8)上。
22.將塑料管組件(3)、塑料管組件(5)和塑料管組件(6)安裝到夾子(5)和夾子(7)上。
23.將OEM線束組件連接到電磁閥(11)和電磁閥(12)中。

24.松開鎖定螺釘(1)。轉動隔套(2),以便將鎖定螺釘(1)擰緊抵到隔套(2)上。擰緊鎖定螺釘(1)至扭矩為12N·m(106lbin)。
注:確保噴油泵處于解鎖位置。
25.把供油開關轉到關閉位置。
26.將蓄電池斷路開關轉到接通位置。
27.排出Perkins1106A/C發動機燃油系統中的空氣。請參閱《Perkins1106A/C發動機操作和保養手冊》,“Perkins1106A/C發動機燃油系統-充注”以了解正確步驟。
結束:
a.安裝前蓋。請參閱《Perkins1106A/C發動機拆解和組裝》,“前蓋-拆卸和安裝”以了解正確步驟。
Perkins1106A/C發動機燃油噴油泵-安裝
(帶增壓控制)
安裝步驟
Perkins1106A/C發動機曲軸轉動工具用于前皮帶輪
該工具在電動起動馬達的孔上使用
注:可以使用兩個工具(A)中的任意一個。請使用最適用的工具。請確保對Perkins1106A/C發動機燃油系統進行的所有調整和修理均由經過適當培訓的授權人員執行。在Perkins1106A/C發動機燃油系統上開始任何工作之前,請參閱《Perkins1106A/C發動機操作和保養手冊》,“一般危險信息和高壓燃油管路”以了解安全信息。
有關在所有Perkins1106A/C發動機燃油系統工作期間必須遵循的清潔度標準的詳細信息,請參閱《Perkins1106A/C發動機系統運作,測試和調整》,“Perkins1106A/C發動機燃油系統部件清潔度”。
1.檢查前Perkins1106A/C發動機機殼體中的孔是否損壞。如果孔損壞,更換前Perkins1106A/C發動機機殼體。有關正確的步驟,請參閱《Perkins1106A/C發動機拆解和組裝》,“Perkins1106A/C發動機機殼體(前)-拆卸”。

2將新的O形密封圈(19)安裝到噴油泵(8)上。
3將新密封墊圈(16)安裝到螺栓(17)上。
4小心地將噴油泵(8)安裝到前Perkins1106A/C發動機機殼體(18)上。
注:在螺栓安裝過程中應用手支撐噴油泵。
5.將螺栓(17)安裝到噴油泵(8)上并用手擰緊。
6.擰緊螺栓(17)至扭矩為22N·m(195lbin)。


7將支架(14)定位到Perkins1106A/C發動機缸體和噴油泵上。將螺栓(15)安裝到Perkins1106A/C發動機缸體上并用手擰緊。
8將螺母和螺栓(13)安裝到噴油泵(8)上并用手擰緊。
9擰緊螺栓(15)至扭矩為44N·m(32lbft)。將螺母和螺栓(13)擰緊至扭矩為22N·m(195lbin)。
注:確保在擰緊支架的螺栓時噴油泵不受應力。
10.確保1號氣缸處于壓縮行程的上止點位置。請參閱《系統操作、測試與調整燃油噴射正時》,“-檢查”。如有必要,使用工具(A)轉動Perkins1106A/C發動機曲軸,使1號Perkins1106A/C發動機活塞處于其壓縮沖程的上止點位置。有關正確的步驟,請參閱《系統操作、測試和調整》,“查找1號Perkins1106A/C發動機活塞的上止點壓縮位置”。
11.使用工具(C),將Perkins1106A/C發動機凸輪軸鎖定到位。使用工具(B),將Perkins1106A/C發動機曲軸鎖定到位。
12.將Perkins1106A/C發動機噴油泵齒輪安裝到噴油泵(8)中。請參閱《Perkins1106A/C發動機拆解和組裝》,“Perkins1106A/C發動機燃油Perkins1106A/C發動機噴油泵齒輪-安裝”。
13.拆下工具(C)和工具(B)。
14.安裝Perkins1106A/C發動機噴油管。有關正確的步驟,請參閱《Perkins1106A/C發動機拆解和組裝》,“燃油Perkins1106A/C發動機噴油管-安裝”。
15.將新密封將(10)(未顯示)安裝到管組件(9)上。
16.將管組件(9)連接到噴油泵(8)和Perkins1106A/C發動機缸蓋上。
17.擰緊管螺母(20)至扭矩為8N·m(71lbin)。
18.擰緊管螺母(21)至扭矩為6N·m(53lbin)。
19.將螺塞從噴油泵(8)上拆下。
20.將蓋從塑料管組件(3)、塑料管組件(4)和塑料管組件(6)上拆下。
21.將塑料管組件(3)、塑料管組件(4)和塑料管組件(4)連接到噴油泵(8)上。
22.將塑料管組件(3)、塑料管組件(5)和塑料管組件(6)安裝到夾子(5)和夾子(7)上。
23.將OEM線束組件連接到電磁閥(11)和電磁閥(12)中。

24.松開鎖定螺釘(1)。轉動隔套(2),以便將鎖定螺釘(1)擰緊抵到隔套(2)上。擰緊鎖定螺釘(1)至扭矩為12N·m(106lbin)。
注:確保噴油泵處于解鎖位置。
25.把供油開關轉到關閉位置。
26.將蓄電池斷路開關轉到接通位置。
27.排出Perkins1106A/C發動機燃油系統中的空氣。請參閱《Perkins1106A/C發動機操作和保養手冊》,“Perkins1106A/C發動機燃油系統-充注”以了解正確步驟。
結束:
a.安裝前蓋。請參閱《Perkins1106A/C發動機拆解和組裝》,“前蓋-拆卸和安裝”以了解正確步驟。