
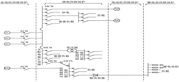
典型船舶電力系統簡圖
1. 船舶電源裝置
將機械能、化學能等能源轉變為電能的裝置。船舶電源主要是指發電機和蓄電池。

2. 配電裝置
• 對電源即發電機發出的電能、電力網和電力負載進行保護,分配,轉換,控制和檢測的裝置。
• 根據供電范圍和對象的不同可分為主配電板、應急配電板、動力分配電板、照明分配電板和蓄電池充放電板等。
3. 船舶電力網
是全船電纜電線的總稱 ,作用是將各種電源與負載按一定關系連接起來。根據其所接負載的性質,可分為動力電網、低壓電網、照明電網、應急電網和小應急電網等。

4. 負載 :用電設備, 按系統可分為以下幾類:
① 動力裝置用輔機:滑油泵、海水冷卻泵、淡水泵、鼓風機等。
② 甲板機械:錨機、絞纜機、舵機、起貨機、舷梯機和起艇機等。
③ 艙室輔機:生活用水泵、消防泵、艙底泵以及為輔鍋爐服務的輔機等。
⑤ 冷藏通風:空調裝置、伙食冷庫等用的輔機和通風機等。
⑥ 廚房設備:電灶、電烤爐等廚房機械用輔機和電茶爐等。
⑦ 照明設備:機艙照明、住艙照明、甲板照明等照明設備,還包括航行燈、信號燈以及電風扇等。
⑧ 弱電設備:無線電通信、導航和船內通信設備等。
⑨ 自動化設備及其他:自動化裝置、蓄電池充放電設備、冷藏集裝箱和艏側推裝置、電力推進船舶或特種工程船舶使用的推進電動機、生產機械和專用設備等。
5. 控制電器
主要有各種類型的控制箱、接觸器、繼電器、各種控制器和主令電器等。
6. 電工測量用儀器、儀表
船舶上常用的電工測量儀表有萬用表、兆歐表、鉗形電流表、交(直)流電壓表、電流表、功率表、功率因數表、頻率表、交流并車屏上的整步表、平時用于檢修的直流穩壓電源和自耦變壓器、示波器等。
二、船舶電力系統的基本參數
1. 電流種類(電制) :幾乎所有大中型船舶均采用交流電力系統。
2. 額定電壓等級 :世界各國對電壓等級的選用與本國陸上電制參數一致,船舶發電機,船舶柴油發電機組,船舶柴油發電機組維修供應商,船舶柴油發電機組維修,船舶柴油發電機組維修價格,船舶柴油發電機組維修報價,使船舶電氣設備具有通用性。我國《鋼質海船入級規范》規定:非電力推進船舶的限制電壓為500 V,動力負載、具有固定敷設電纜的電熱裝置等的額定電壓為380 V,照明、生活居室的電熱器限制電壓為250 V,額定電壓為220 V。
3. 額定頻率等級:我國采用50Hz,西歐各國、美國采用60Hz的頻率標準。
三、船舶電力系統的特點(與陸電相比)
(1)工作條件比較復雜,工作環境比較惡劣
(2)與用電設備之間的距離很短,相互影響大
(3)船舶電站容量相對較小。